电脑桌面
添加小米粒文库到电脑桌面
安装后可以在桌面快捷访问

第五章-PP05_生产异动流程VIP专享VIP免费

第五章-PP05_生产异动流程_第1页
1/6
第五章-PP05_生产异动流程_第2页
2/6
第五章-PP05_生产异动流程_第3页
3/6
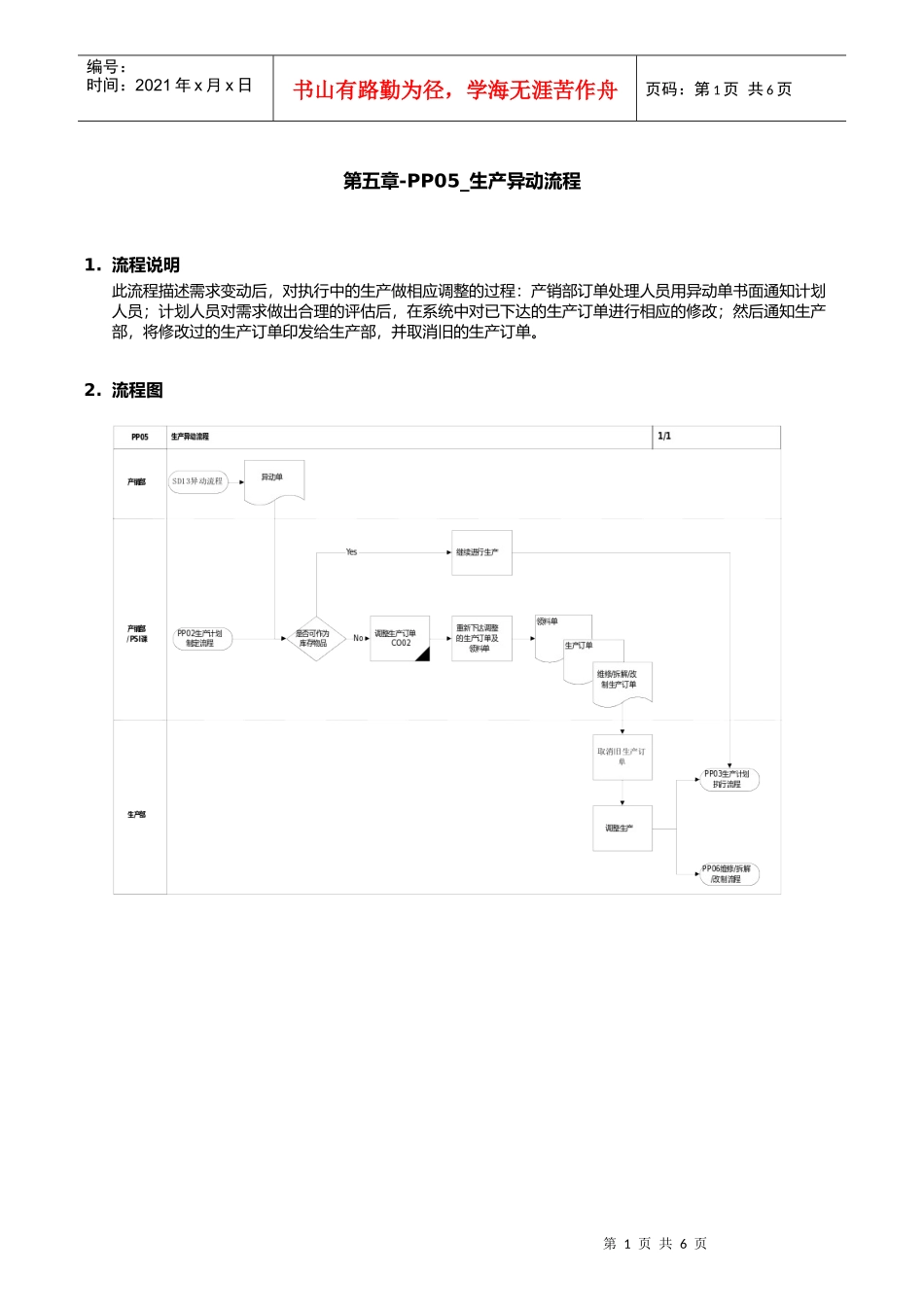
第1页共6页编号:时间:2021年x月x日书山有路勤为径,学海无涯苦作舟页码:第1页共6页第五章-PP05_生产异动流程1.流程说明此流程描述需求变动后,对执行中的生产做相应调整的过程:产销部订单处理人员用异动单书面通知计划人员;计划人员对需求做出合理的评估后,在系统中对已下达的生产订单进行相应的修改;然后通知生产部,将修改过的生产订单印发给生产部,并取消旧的生产订单。2.流程图第2页共6页第1页共6页编号:时间:2021年x月x日书山有路勤为径,学海无涯苦作舟页码:第2页共6页3.系统操作3.1.操作范例修改生产订单3.2.系统菜单及交易代码后勤-生产-生产控制-订单---更改交易代码:CO023.3.系统屏幕及栏位解释栏位名称栏位说明资料范例订单须修改的订单号码24000100第3页共6页第2页共6页编号:时间:2021年x月x日书山有路勤为径,学海无涯苦作舟页码:第3页共6页点击进入下一个画面。栏位名称栏位说明资料范例总数量本订单的生产数量废品部分预期的废品数置空基本日期系统根据主数据计算的订单日期,基本日期的计算逻辑为:订单完成日期等于需求日期减收货处理时间,订单开始日期等于完成日期减生产时间,下达日期等于开始日期减下达期间已计划的订单的生产日期,订单的生产日期的计算逻辑为生产开始日期等于基本结束日期减产后缓冲,生产结束日期等于基本开始日期减产前缓冲确认的订单的实际开始和结束日期,订单的实际开始日期是指最早的确认日期,订单的实际结束日期是指订单收货日期调度类型定义订单的调度方式:向前:指从订单的开始日期计算订单的结束日期,向后:从订单的结束日期计算订单的开始日期。第4页共6页第3页共6页编号:时间:2021年x月x日书山有路勤为径,学海无涯苦作舟页码:第4页共6页产前/产后缓冲针对生产过程中可能出现的意外情况,而设定的缓冲时间下达期间订单开始前留给计划人员下达订单的时间点击可显示订单的状态信息打印已修改的生产订单,第5页共6页第4页共6页编号:时间:2021年x月x日书山有路勤为径,学海无涯苦作舟页码:第5页共6页选择屏幕所示菜单,设置打印清单第6页共6页第5页共6页编号:时间:2021年x月x日书山有路勤为径,学海无涯苦作舟页码:第6页共6页栏位名称栏位说明资料范例打印清单在此选择须打印的清单清单名称须打印的清单的名称:对象清单指生产订单,提货单指领料单打印机选择所用的打印机暂存标示是否需保留打印过的清单预留周期清单保留的时间立即标示是否立即打印清单清单设置完毕后,点击,系统输出清单,并提示下次更行后执行打印;点击可执行打印。

1、当您付费下载文档后,您只拥有了使用权限,并不意味着购买了版权,文档只能用于自身使用,不得用于其他商业用途(如 [转卖]进行直接盈利或[编辑后售卖]进行间接盈利)。
2、本站所有内容均由合作方或网友上传,本站不对文档的完整性、权威性及其观点立场正确性做任何保证或承诺!文档内容仅供研究参考,付费前请自行鉴别。
3、如文档内容存在违规,或者侵犯商业秘密、侵犯著作权等,请点击“违规举报”。

碎片内容

第五章-PP05_生产异动流程

确认删除?
VIP
微信客服
  • 扫码咨询
会员Q群
  • 会员专属群点击这里加入QQ群
客服邮箱
回到顶部