电脑桌面
添加小米粒文库到电脑桌面
安装后可以在桌面快捷访问

第一册工程前期法定建设程序资料VIP免费

第一册工程前期法定建设程序资料_第1页
1/22
第一册工程前期法定建设程序资料_第2页
2/22
第一册工程前期法定建设程序资料_第3页
3/22
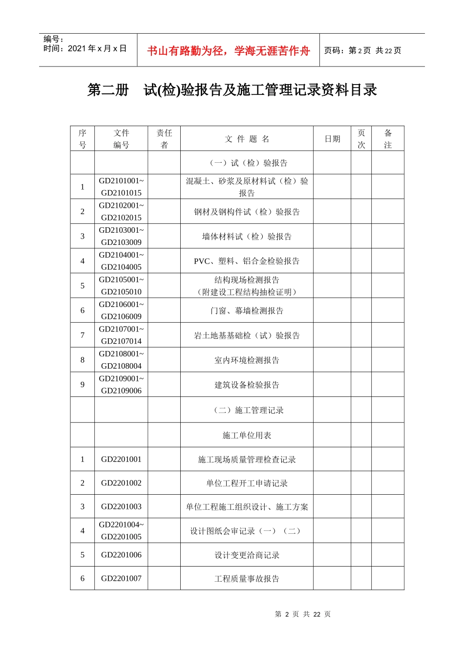
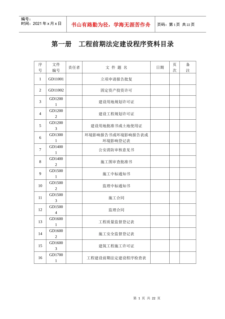
第1页共22页编号:时间:2021年x月x日书山有路勤为径,学海无涯苦作舟页码:第1页共22页第一册工程前期法定建设程序资料目录序号文件编号责任者文件题名日期页次备注1GD11001立项申请报告批复2GD11002固定资产投资许可3GD12001建设用地规划许可证4GD12002建设工程规划许可证5GD12003建设用地批准书或土地使用证6GD13001环境影响报告书或环境影响报告表或环境影响登记表7GD14001公安消防审核意见书8GD14002施工图审查批准书9GD15001施工中标通知书10GD15002监理中标通知书11GD15003施工合同12GD15004监理合同13GD16001工程质量监督登记表14GD16002施工安全监督登记表15GD16003建筑工程施工许可证16GD17001工程建设前期法定建设程序检查表第2页共22页第1页共22页编号:时间:2021年x月x日书山有路勤为径,学海无涯苦作舟页码:第2页共22页第二册试(检)验报告及施工管理记录资料目录序号文件编号责任者文件题名日期页次备注(一)试(检)验报告1GD2101001~GD2101015混凝土、砂浆及原材料试(检)验报告2GD2102001~GD2102015钢材及钢构件试(检)验报告3GD2103001~GD2103009墙体材料试(检)验报告4GD2104001~GD2104005PVC、塑料、铝合金检验报告5GD2105001~GD2105010结构现场检测报告(附建设工程结构抽检证明)6GD2106001~GD2106009门窗、幕墙检测报告7GD2107001~GD2107014岩土地基基础检(试)验报告8GD2108001~GD2108004室内环境检测报告9GD2109001~GD2109006建筑设备检验报告(二)施工管理记录施工单位用表1GD2201001施工现场质量管理检查记录2GD2201002单位工程开工申请记录3GD2201003单位工程施工组织设计、施工方案4GD2201004~GD2201005设计图纸会审记录(一)(二)5GD2201006设计变更洽商记录6GD2201007工程质量事故报告第3页共22页第2页共22页编号:时间:2021年x月x日书山有路勤为径,学海无涯苦作舟页码:第3页共22页7GD2201008工程质量事故(停工)通知第4页共22页第3页共22页编号:时间:2021年x月x日书山有路勤为径,学海无涯苦作舟页码:第4页共22页序号文件编号责任者文件题名日期页次备注8GD2201009工程质量事故处理报告9GD2201010工程复工通知书10GD2201011工程中间验收交接记录11GD2201012单位工程竣工图登记表12GD2201013施工日志(可另组卷)13GD2201014工程总结第5页共22页第4页共22页编号:时间:2021年x月x日书山有路勤为径,学海无涯苦作舟页码:第5页共22页序号文件编号责任者文件题名日期页次备注监理单位用表单独组卷1GD2202001工程开工/复工报审表2GD2202002施工组织设计(方案)报审表3GD2202003分包单位资格报审表4GD2202004报验申请表5GD2202005工程款支付申请表6GD2202006监理工程师回复单7GD2202007工程临时延期申请表8GD2202008费用索赔申请表9GD2202009工程材料/构配件/设备报审表10GD2202010工程竣工报验单11GD2202011监理工程师通知单12GD2202012工程暂停令13GD2202013工程款支付证书14GD2202014工程临时延期审批表15GD2202015工程最终延期审批表16GD2202016费用索赔审批表17GD2202017监理工作联系单18GD2202018工程变更单19GD2202019旁站监理记录表第6页共22页第5页共22页编号:时间:2021年x月x日书山有路勤为径,学海无涯苦作舟页码:第6页共22页第7页共22页第6页共22页编号:时间:2021年x月x日书山有路勤为径,学海无涯苦作舟页码:第7页共22页第三册建筑土建工程施工过程资料目录序号文件编号责任者文件题名日期页次备注1GD2301001工程基线复核表2GD2301002单位工程坐标定位测量记录3GD2301003分项工程质量技术交底卡4GD2301004主体施工沉降观测结果5GD2301005~GD2301007基坑监测总报告及支护结构顶部水平位移和沉降观测结果6GD2301008~GD2301029桩工程施工记录7GD2301030地基基坑(槽)开挖、施工检查记录8GD2301031地基基坑(槽)回填施工检查记录9GD2301032土方开挖后桩基础复核及桩质量检查表10GD2301033混凝土搅拌质量记录表11GD2301034混凝土坍落度检测记录表12GD2301035混凝土养护情况记录表13GD2301036砂浆试件抗压强度检验报告14GD2301037砂浆试块核查汇总表及混凝土试块核查汇总表15GD2301038混凝土试块试验结果汇总表16GD2...

1、当您付费下载文档后,您只拥有了使用权限,并不意味着购买了版权,文档只能用于自身使用,不得用于其他商业用途(如 [转卖]进行直接盈利或[编辑后售卖]进行间接盈利)。
2、本站所有内容均由合作方或网友上传,本站不对文档的完整性、权威性及其观点立场正确性做任何保证或承诺!文档内容仅供研究参考,付费前请自行鉴别。
3、如文档内容存在违规,或者侵犯商业秘密、侵犯著作权等,请点击“违规举报”。

碎片内容

第一册工程前期法定建设程序资料

您可能关注的文档

中小学文库+ 关注
实名认证
内容提供者

精品资料应用尽有

确认删除?
VIP
微信客服
  • 扫码咨询
会员Q群
  • 会员专属群点击这里加入QQ群
客服邮箱
回到顶部