电脑桌面
添加小米粒文库到电脑桌面
安装后可以在桌面快捷访问

第十章-PP10_更改物料结构流程VIP专享VIP免费

第十章-PP10_更改物料结构流程_第1页
1/7
第十章-PP10_更改物料结构流程_第2页
2/7
第十章-PP10_更改物料结构流程_第3页
3/7
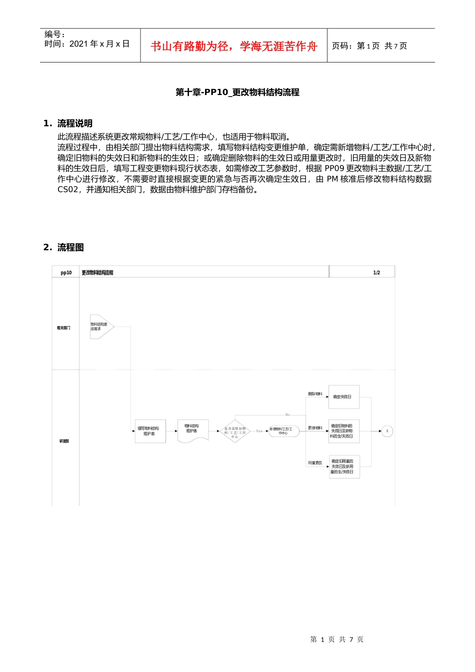
第1页共7页编号:时间:2021年x月x日书山有路勤为径,学海无涯苦作舟页码:第1页共7页第十章-PP10_更改物料结构流程1.流程说明此流程描述系统更改常规物料/工艺/工作中心,也适用于物料取消。流程过程中,由相关部门提出物料结构需求,填写物料结构变更维护单,确定需新增物料/工艺/工作中心时,确定旧物料的失效日和新物料的生效日;或确定删除物料的生效日或用量更改时,旧用量的失效日及新物料的生效日后,填写工程变更物料现行状态表,如需修改工艺参数时,根据PP09更改物料主数据/工艺/工作中心进行修改,不需要时直接根据变更的紧急与否再次确定生效日,由PM核准后修改物料结构数据CS02,并通知相关部门,数据由物料维护部门存档备份。2.流程图第2页共7页第1页共7页编号:时间:2021年x月x日书山有路勤为径,学海无涯苦作舟页码:第2页共7页3.系统操作3.1.操作范例1修改一个物料结构1005133.1.1系统菜单及交易代码后勤生产主数据物料清单物料BOM修改立即交易代码:CS02第3页共7页第2页共7页编号:时间:2021年x月x日书山有路勤为径,学海无涯苦作舟页码:第3页共7页3.1.2系统屏幕及栏位解释栏位名称栏位说明资料范例物料输入要修改的物料号码100513工厂选择物料所在的地点,现在通常使用FW00(华东区及家具生产厂)FW00BOM用途BOM清单的使用范围,现都使用于生产。1按键进入下一个画面。第4页共7页第3页共7页编号:时间:2021年x月x日书山有路勤为径,学海无涯苦作舟页码:第4页共7页在第80项新增一个组件600494:第5页共7页第4页共7页编号:时间:2021年x月x日书山有路勤为径,学海无涯苦作舟页码:第5页共7页栏位名称栏位说明资料范例ICT物料的项目类别,目前通常都用L(库存项目)L组件需修改的新物料的号码600494数量组件在父阶中用到的数量1按键,组件600494的描述等自动带出,新增完毕,存盘并进行下一步修改。如要修改组件的数量,在〈数量〉栏中键入要修改的正确数量后存盘即可。如要删除某一组件,选中该组件,点击〈删除〉键,存盘即可。依此类推,若要修改父阶下另一子阶下的物料清单,先退至初始屏幕,键入需修改之物料,按键,同样进行修改,直至全部物料修改完毕。例:如要修改100513父阶下之600489下的物料清单:第6页共7页第5页共7页编号:时间:2021年x月x日书山有路勤为径,学海无涯苦作舟页码:第6页共7页在物料栏位中键入600489按键进入下一个画面。第7页共7页第6页共7页编号:时间:2021年x月x日书山有路勤为径,学海无涯苦作舟页码:第7页共7页按上述方法操作即可。

1、当您付费下载文档后,您只拥有了使用权限,并不意味着购买了版权,文档只能用于自身使用,不得用于其他商业用途(如 [转卖]进行直接盈利或[编辑后售卖]进行间接盈利)。
2、本站所有内容均由合作方或网友上传,本站不对文档的完整性、权威性及其观点立场正确性做任何保证或承诺!文档内容仅供研究参考,付费前请自行鉴别。
3、如文档内容存在违规,或者侵犯商业秘密、侵犯著作权等,请点击“违规举报”。

碎片内容

第十章-PP10_更改物料结构流程

确认删除?
VIP
微信客服
  • 扫码咨询
会员Q群
  • 会员专属群点击这里加入QQ群
客服邮箱
回到顶部