电脑桌面
添加小米粒文库到电脑桌面
安装后可以在桌面快捷访问

超标与超常结果OOS调查项目表VIP免费

超标与超常结果OOS调查项目表_第1页
1/14
超标与超常结果OOS调查项目表_第2页
2/14
超标与超常结果OOS调查项目表_第3页
3/14
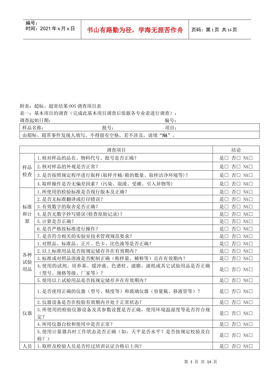
第1页共14页编号:时间:2021年x月x日书山有路勤为径,学海无涯苦作舟页码:第1页共14页附表:超标、超常结果OOS调查项目表表一:基本项目的调查(完成此基本项目调查后依据各专业表进行调查):调查起始日期:编号:样品名称:批号:项目:由超标、超常事件发现人填写,不得留有空格,若不涉及,请填“NA”。调查项目结论样品检查1.核对样品的品名、物料代号、批号是否正确?是□否□NA□2.核对样品的外观是否正常?是□否□NA□3.是否按照规定程序进行取样(取样开桶/箱的数量、取样洁净环境等)?是□否□NA□4.取样操作是否无偏差因素?(污染、混淆、受潮、引入异物等)是□否□NA□标准和计算1.所使用的检验标准是否现行版本及正确?是□否□NA□2.是否无标准翻译或打印错误?是□否□NA□3.有效数字的取舍是否正确?是□否□NA□4.是否无数字抄写错误(检查原始记录)?是□否□NA□5.计算是否正确?是□否□NA□6.是否严格按标准进行操作?是□否□NA□7.是否符合相关的实验室技术管理规范要求?是□否□NA□各种试验用品1.对照品、标准品、正片、色卡、比色液等是否正确?是□否□NA□2.以上标准用品是否按规定储存并在有效期内?是□否□NA□3.标准或对照品溶液是否配制正确(称样量、稀释等)且在有效期内?是□否□NA□4.使用的试剂、培养基、缓冲液、色谱柱、滤膜、滤纸或其它试验用品是否正确(型号、规格等级、厂家等)?是□否□NA□5.使用以上试验用品是否按规定储存并在有效期内?是□否□NA□仪器1.是否使用正确的仪器(型号、精度等)和玻璃仪器(容量瓶、移液管等)?是□否□NA□2.仪器设备是否在校验有效期内并处于正常状态?是□否□NA□3.所使用的检验仪器设备及其参数设置是否正确,使用环境温湿度等是否符合规定?是□否□NA□4.所用仪器自检和使用中是否正常?是□否□NA□5.使用计量器具时工作状态是否正确(如:天平是否水平?是否按规定校验及自检?)是□否□NA□人员1.取样及检验人员是否经过培训认证合格后上岗?是□否□NA□第2页共14页第1页共14页编号:时间:2021年x月x日书山有路勤为径,学海无涯苦作舟页码:第2页共14页2.检验员对此检品是否有足够的检验经验?是□否□NA□其他1.同时或同期其它检品是否正常?是否无类似情况?是□否□NA□2.该异常情况是否不影响其它检品?是□否□NA□3.检品生产工艺是否未变?所用原材料是否未变化?是□否□NA□4.依据年度回顾表判断该结果是否正常?是□否□NA□操作:依据各专业附表进行调查(见后续附表,外包装材料检验则仅进行基本项目调查)。表二:一般化学检验:样品名称:批号:项目:由超标、超常事件发现人填写,不得留有空格,若不涉及,请填“NA”。调查项目结论样品制备及前处理1.供试品是否进行预混匀?是□否□NA□2.称量瓶、坩埚及使用的蒸发器皿是否已经恒重处理?是□否□NA□3.对照品及供试品称样量及方式是否正确?是□否□NA□4.加入试剂及次序是否正确?是□否□NA□5.加入试剂的量、浓度及配制是否正确?是□否□NA□6.转移及定量稀释或定容是否规范?是□否□NA□7.热溶液是否等完全冷却到室温后再稀释至刻度?是□否□NA□8.必要时对照溶液是否按要求临用新制?是□否□NA□9.比色时使用的比色管颜色和高度是否一致?是□否□NA□10.是否在必要时同时空白校正?是□否□NA□仪器及操作1.设置仪器参数是否正确?(温度、真空度、转速等)是□否□NA□2.是否必要时同时空白试验?空白试验是否正常?是□否□NA□3.重金属检查用残渣是否按规定温度炽灼?残渣是否完全灰化?是□否□NA□4.砷盐检查需要氧化的是否进行完全?过量的双氧水是否除净?是□否□NA□5.操作是否完全依照检验方法执行?是□否□NA□6.搅拌或混匀是否合适?是□否□NA□7.所用试剂是否根据临用新制的要求进行操作?是□否□NA□8.计算时是否考虑气压变化对沸点、沸程测定的影响?是□否□NA□9.恒重称量时间是否一致与正确?是否用同一干燥器?干燥剂是否未失效?是□否□NA□10.同时空白是否可抵销干扰?是□否□NA□调查结论:实验室偏差□超标检验结果□超常检验结果□其他□原因分析:检验员:检验日期:岗...

1、当您付费下载文档后,您只拥有了使用权限,并不意味着购买了版权,文档只能用于自身使用,不得用于其他商业用途(如 [转卖]进行直接盈利或[编辑后售卖]进行间接盈利)。
2、本站所有内容均由合作方或网友上传,本站不对文档的完整性、权威性及其观点立场正确性做任何保证或承诺!文档内容仅供研究参考,付费前请自行鉴别。
3、如文档内容存在违规,或者侵犯商业秘密、侵犯著作权等,请点击“违规举报”。

碎片内容

超标与超常结果OOS调查项目表

您可能关注的文档

确认删除?
VIP
微信客服
  • 扫码咨询
会员Q群
  • 会员专属群点击这里加入QQ群
客服邮箱
回到顶部