电脑桌面
添加小米粒文库到电脑桌面
安装后可以在桌面快捷访问

《机械综合技术基础及应用》课程教学大纲VIP免费

《机械综合技术基础及应用》课程教学大纲_第1页
1/7
《机械综合技术基础及应用》课程教学大纲_第2页
2/7
《机械综合技术基础及应用》课程教学大纲_第3页
3/7
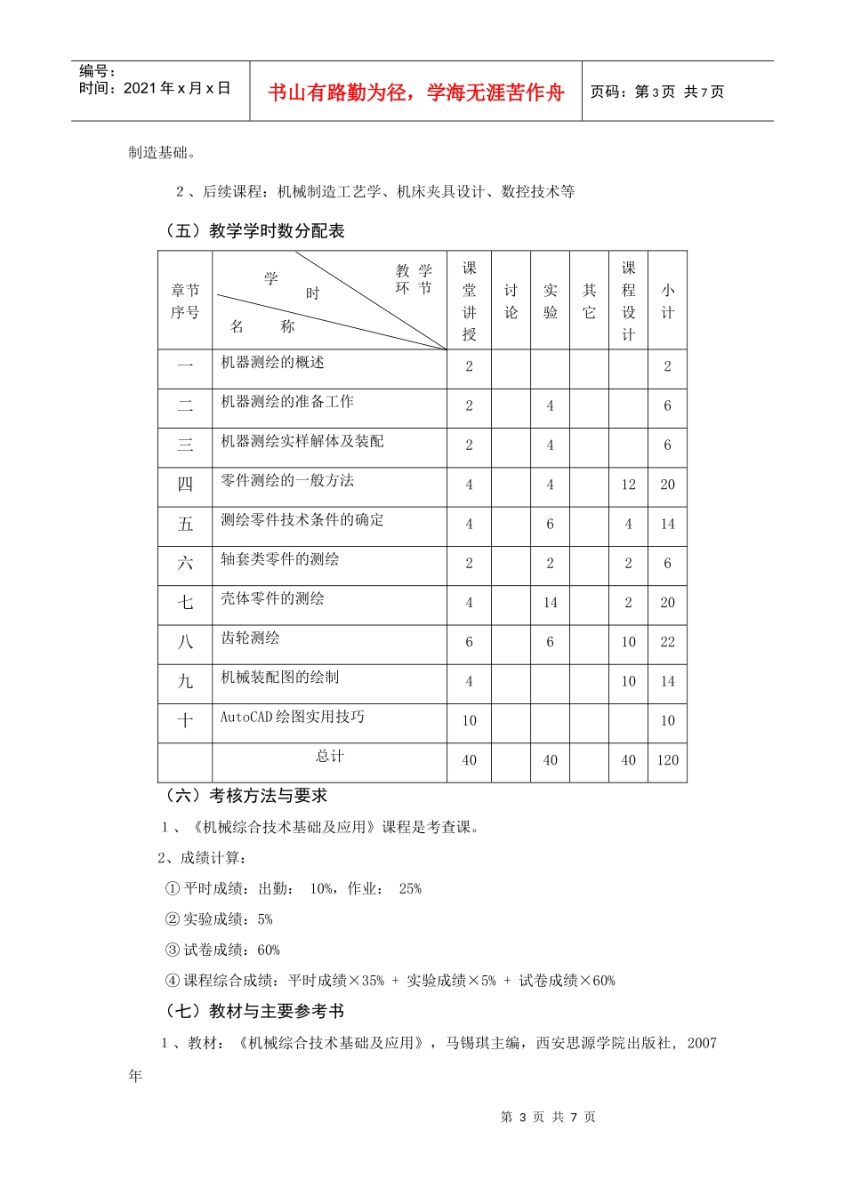
第1页共7页编号:时间:2021年x月x日书山有路勤为径,学海无涯苦作舟页码:第1页共7页《机械综合技术基础及应用》课程教学大纲课程编码:MACH2003A适用专业:机电一体化专业学时:120学分:一、编写说明(一)课程的性质、地位和任务《机械综合技术基础及应用》是机电一体化专业的一门重要的职业技术基础课。学习本课程目的在于综合运用机械设计基础知识以及其它先修课程的知识,掌握常用机械零部件的测绘方法及设计机械传动装置的仿制设计能力,使学生具备机械工程、机电产品的生产、服务、技术和管理的高素质劳动者和高级应用型人才所必需的机械设计基本知识和基本技术,为专业知识和职业技能的进一步学习打下必要的基础。第2页共7页第1页共7页编号:时间:2021年x月x日书山有路勤为径,学海无涯苦作舟页码:第2页共7页(二)教学的基本要求《机械综合技术基础及应用》是一门承上启下的课程。学生通过学习本课程能比较系统地掌握通用传动装置和常用零部件的工作原理、结构特点和测绘及仿制设计的方法。初步具有常用机械的测绘及仿制设计能力,进一步提高手工及计算机绘图的能力,公差配合知识具体应用的能力及装拆工具、测量工具使用技能,同时也为后继课程打下必要的基础。(三)实践环节名称内容学时安排减速器分解装拆工具的使用2测量工具的使用各种常用测量工具的用途及使用方法4齿轮参数的确定齿形角、模数、变位系数等主要齿轮参数的确定及计算6轴套类零件的测绘端盖及堵盖内外径、螺栓过孔及分布圆尺寸的确定4轴类零件的测绘台阶轴的各直径、长度尺寸及键槽尺寸的确定。2塑料零件的测绘观察孔盖板及隔圈各尺寸的确定2上盖的测绘上盖各部分尺寸的确定6箱体的的测绘箱体各部分尺寸的确定6装配尺寸链的确定各相关配合尺寸的装配尺寸链的确定2尺寸公差的选定确定各零件的尺寸公差配合种类及等级8形位公差的选定确定各零件的形位公差种类及等级及基准6粗糙度的选定确定各零件的粗糙度等级2材料、热处理及技术要求的选定确定各零件的材料、热处理及其它技术要求的确定4装配图的绘制装配图各视图、装配尺寸及及零部件编号的确定;标准件的种类及规格的确定;装配图技术条件的确定8减速器装配减速器重装、调试及轴承间隙的控制方法2AutoCAD绘图用AutoCAD绘图软件绘制并打印全套减速器图纸16合计80(四)本课程与其它课程的关系1、先修课程:机械设计基础、机械制图、互换性与技术测量基础、AutoCAD、机械第3页共7页第2页共7页编号:时间:2021年x月x日书山有路勤为径,学海无涯苦作舟页码:第3页共7页制造基础。2、后续课程:机械制造工艺学、机床夹具设计、数控技术等(五)教学学时数分配表章节序号课堂讲授讨论实验其它课程设计小计一机器测绘的概述22二机器测绘的准备工作246三机器测绘实样解体及装配246四零件测绘的一般方法441220五测绘零件技术条件的确定46414六轴套类零件的测绘2226七壳体零件的测绘414220八齿轮测绘661022九机械装配图的绘制41014十AutoCAD绘图实用技巧1010总计404040120(六)考核方法与要求1、《机械综合技术基础及应用》课程是考查课。2、成绩计算:①平时成绩:出勤:10%,作业:25%②实验成绩:5%③试卷成绩:60%④课程综合成绩:平时成绩×35%+实验成绩×5%+试卷成绩×60%(七)教材与主要参考书1、教材:《机械综合技术基础及应用》,马锡琪主编,西安思源学院出版社,2007年教学环节学时名称第4页共7页第3页共7页编号:时间:2021年x月x日书山有路勤为径,学海无涯苦作舟页码:第4页共7页2、参考书:《AutoCAD2006机械制图实例教程》,张宪立主编,清华大学出版社,2006年《机械设计基础实训指导》,王少岩主编,大连理工大学大学出版社,2006年第二版二、教学内容纲要第一章机器测绘的概述1、教学基本要求(1)掌握机器测绘的概念。(2)了解本课程的研究对象、学习内容和学习任务。(3)了解机器测绘的分类与仿制的关系及测绘仿制的重要意义。(4)了解机器测绘与仿制的一般过程。2、教学内容(1)机器测绘的含义。(2)机器测绘分类与仿制的关系及测绘仿制的重要意义。(3)机器测绘与仿制的一般过程。第二章机器测绘的准备工作1、教学基...

1、当您付费下载文档后,您只拥有了使用权限,并不意味着购买了版权,文档只能用于自身使用,不得用于其他商业用途(如 [转卖]进行直接盈利或[编辑后售卖]进行间接盈利)。
2、本站所有内容均由合作方或网友上传,本站不对文档的完整性、权威性及其观点立场正确性做任何保证或承诺!文档内容仅供研究参考,付费前请自行鉴别。
3、如文档内容存在违规,或者侵犯商业秘密、侵犯著作权等,请点击“违规举报”。

碎片内容

《机械综合技术基础及应用》课程教学大纲

您可能关注的文档

确认删除?
VIP
微信客服
  • 扫码咨询
会员Q群
  • 会员专属群点击这里加入QQ群
客服邮箱
回到顶部