电脑桌面
添加小米粒文库到电脑桌面
安装后可以在桌面快捷访问

4.08-1包装评价验证表VIP免费

4.08-1包装评价验证表_第1页
1/2
4.08-1包装评价验证表_第2页
2/2
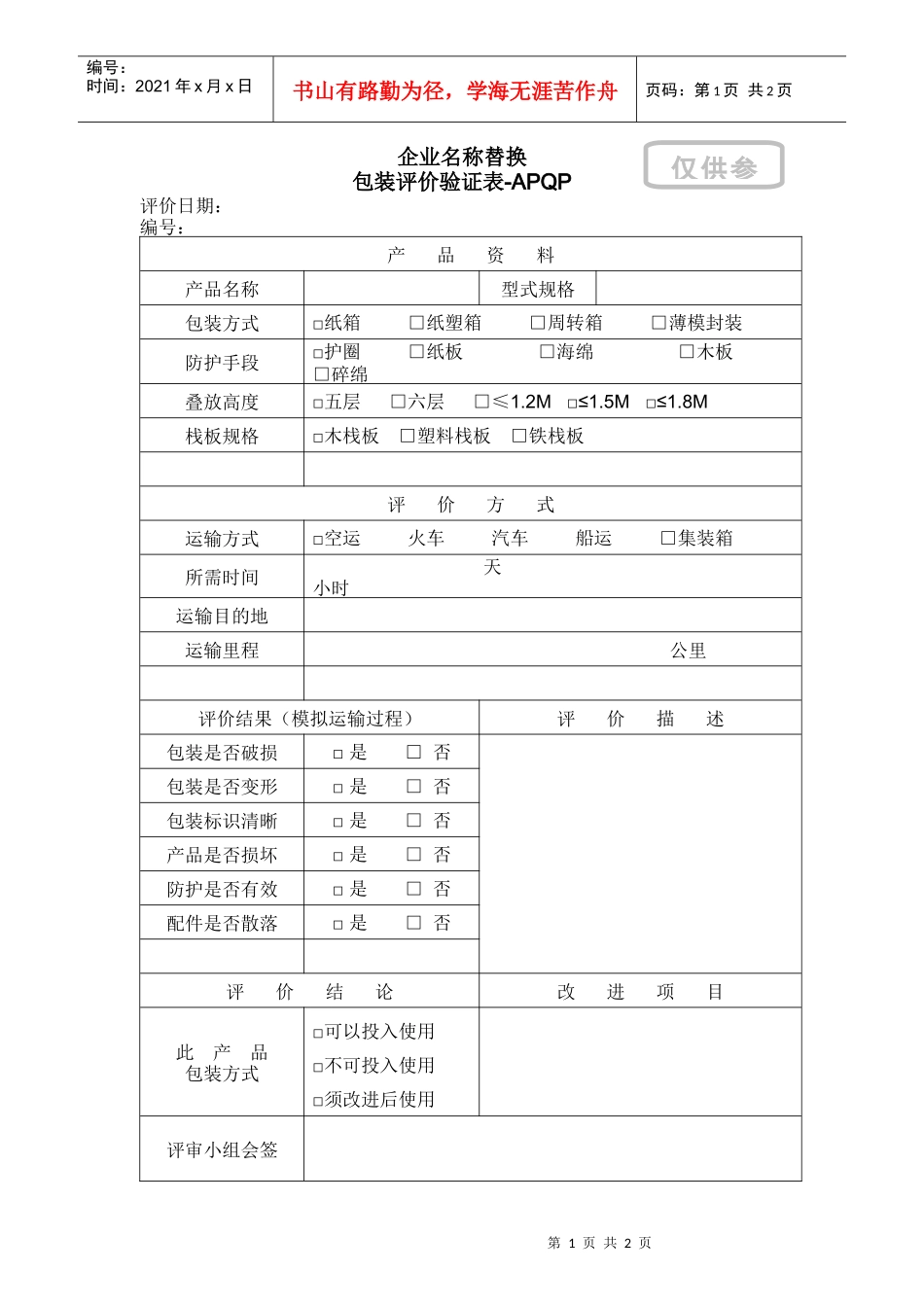
第1页共2页编号:时间:2021年x月x日书山有路勤为径,学海无涯苦作舟页码:第1页共2页企业名称替换包装评价验证表-APQP评价日期:编号:产品资料产品名称型式规格包装方式□纸箱□纸塑箱□周转箱□薄模封装防护手段□护圈□纸板□海绵□木板□碎绵叠放高度□五层□六层□≤1.2M□≤1.5M□≤1.8M栈板规格□木栈板□塑料栈板□铁栈板评价方式运输方式□空运火车汽车船运□集装箱所需时间天小时运输目的地运输里程公里评价结果(模拟运输过程)评价描述包装是否破损□是□否包装是否变形□是□否包装标识清晰□是□否产品是否损坏□是□否防护是否有效□是□否配件是否散落□是□否评价结论改进项目此产品包装方式□可以投入使用□不可投入使用□须改进后使用评审小组会签仅供参第2页共2页第1页共2页编号:时间:2021年x月x日书山有路勤为径,学海无涯苦作舟页码:第2页共2页项目主管:制表:表单编号:PSD1503-01

1、当您付费下载文档后,您只拥有了使用权限,并不意味着购买了版权,文档只能用于自身使用,不得用于其他商业用途(如 [转卖]进行直接盈利或[编辑后售卖]进行间接盈利)。
2、本站所有内容均由合作方或网友上传,本站不对文档的完整性、权威性及其观点立场正确性做任何保证或承诺!文档内容仅供研究参考,付费前请自行鉴别。
3、如文档内容存在违规,或者侵犯商业秘密、侵犯著作权等,请点击“违规举报”。

碎片内容

4.08-1包装评价验证表

确认删除?
VIP
微信客服
  • 扫码咨询
会员Q群
  • 会员专属群点击这里加入QQ群
客服邮箱
回到顶部