电脑桌面
添加小米粒文库到电脑桌面
安装后可以在桌面快捷访问

金属薄钢板风管共板法兰连接施工工艺VIP免费

金属薄钢板风管共板法兰连接施工工艺_第1页
1/6
金属薄钢板风管共板法兰连接施工工艺_第2页
2/6
金属薄钢板风管共板法兰连接施工工艺_第3页
3/6
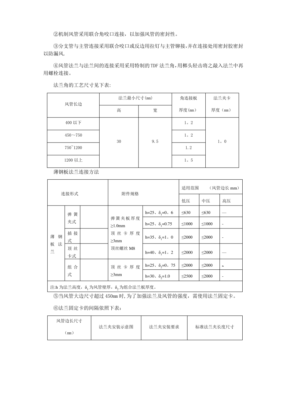
金属薄钢板风管共板法兰连接施工工艺一、工法特点1.1.生产线机械化、自动化程度高,大大提高了制作效率以及风管的制作精度,降低工程造价;1.2.风管自成法兰,减轻风管重量,与传统角铁法兰比较,节约了法兰型钢及连接螺栓,降低材料损耗;1.3.风管密封性好,显著降低漏风量,节约能源,降低主机运行成本;1.4.风管自动压筋,强度高且外形美观整洁,无锌层破损;1.5.生产安装快捷,减轻劳动强度,提高劳动效率,满足现代化工程需要,提高安装单位竞争优势。二、主要设备2.1.卷板进行校平所需的卷板校平机;2.2。卷板或薄钢板进行剪断所需的剪板设备(如龙门剪板机);2。3。制做风管进行咬口连接所需的弯头咬口机(如联合角咬口机、单平咬口机或按扣式咬口机)、制做风管弯头部分所需的弯头咬口机(如弯头联合角咬口机或弯头按扣式咬口机);2.4.增加风管强度所需的起筋设备(如压筋机,压筋合缝两用机或五线压筋机);2.5.法兰预留边剪角所需的手动剪刀,剪角机或电动剪;2。6。风管进行折边和风管法兰连接面的折边加工所需的共板法兰手动折边机或板料液压折边机配专用模具及两段风管法兰面四角连接。三、本工法适用范围3.1适用于矩形金属风管且大边长不超过2500mm。四、施工工艺4.1风管制作4.1。1板厚规格风管厚度(mm)中低压系统风管大边尺寸(mm)b≤320320

1、当您付费下载文档后,您只拥有了使用权限,并不意味着购买了版权,文档只能用于自身使用,不得用于其他商业用途(如 [转卖]进行直接盈利或[编辑后售卖]进行间接盈利)。
2、本站所有内容均由合作方或网友上传,本站不对文档的完整性、权威性及其观点立场正确性做任何保证或承诺!文档内容仅供研究参考,付费前请自行鉴别。
3、如文档内容存在违规,或者侵犯商业秘密、侵犯著作权等,请点击“违规举报”。

碎片内容

金属薄钢板风管共板法兰连接施工工艺

您可能关注的文档

爱的疯狂+ 关注
实名认证
内容提供者

该用户很懒,什么也没介绍

相关文档

确认删除?
微信客服
  • 扫码咨询
会员Q群
  • 会员专属群点击这里加入QQ群