电脑桌面
添加小米粒文库到电脑桌面
安装后可以在桌面快捷访问

公路试验检测频率一览表VIP免费

公路试验检测频率一览表_第1页
1/42
公路试验检测频率一览表_第2页
2/42
公路试验检测频率一览表_第3页
3/42
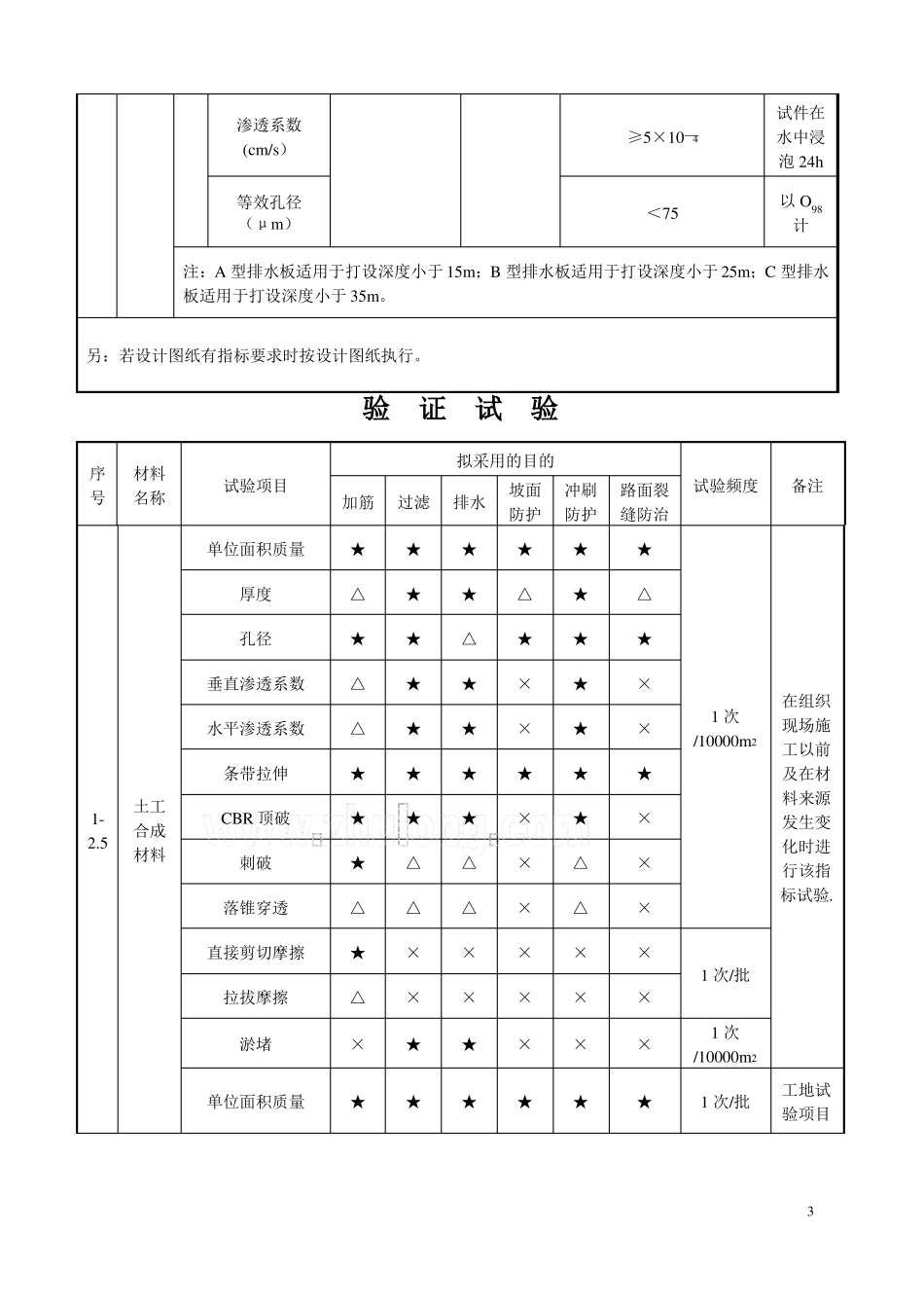
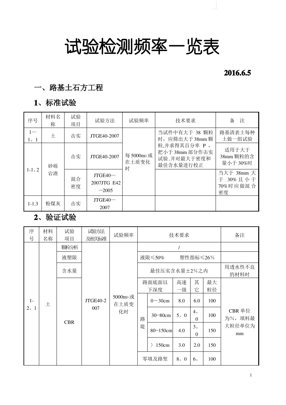
试验检测频率一览表2016.6.5一、路基土石方工程1、标准试验序号1—1。1材料名称土试验项目击实试验方法JTGE40-2007试验频率技术要求当试件中有大于38颗粒时,应筛出大于38mm颗粒,并求得其百分率P,把小于38mm部分作击实试验.并对最大于密度和最佳含水量进行校正备注路基清表土每种土做一组试验适用于大于38mm颗粒的含量小于30%时当大于38mm大于30%且小于70%时应做混合密度击实1-1。2砂砾宕渣混合密度1-1.3粉煤灰击实JTGE40-2007每在土质变化时JTGE40—2007JTGE42—2005JTGE40—20075000m3或2、验证试验序号材料名称试验项目颗粒分析液塑限含水量试验方法及相关标准试验频率技术要求/液限≤50%塑性指标≤26%最佳压实含水量±2%之内路面底面以下深度1-2。1土JTGE40-2007CBR5000m3或在土质变化时路堤0-30cm30-80cm80-150cm〉150cm零填及路堑备注用透水性不良的材料时高速一级8.05。04.03.08。0其它6.04。03。02.06。最大粒径1001001501501001CBR单位为%,填料最大粒径单位为mm路床(0—30cm)易溶盐含量有机质含量1—2.2宕渣颗粒分析JTGE40-2007每料源一次5000m3或在土质变化时/≤5%0高速、一级公路要求/验证试验序号材料名称试验项目试验方法及相关标准试验频率技术要求粒径应在0.001—2mm之间,<0.074mm含量宜>45%宜小于12%A型3.5+0.5B型4。0+0.5100±2C型4.5+0.5备注颗粒分析JTGE40-2007JTJ016-93GB/T1596—2005每料源一次1-2.3粉煤灰烧失量含水量CBR厚度(mm)复合体宽度(mm)抗拉强度(干态)(kN/10cm)纵向通水量(cm3/s)纵向干态材料滤膜抗拉强度(N/cm)每料源一次随时需要时做延伸率10%时侧压力350kPa延伸率10%时延伸率15%时,试件在水中浸泡24h≥1.0≥1.3每批做一次,且不超过20万米≥1。51-2.4塑料排水板JTJ/T257—96≥15≥25≥40≥15≥25≥30横向湿态≥10≥20≥252渗透系数(cm/s)等效孔径(μm)≥5×10—4试件在水中浸泡24h以O98计<75注:A型排水板适用于打设深度小于15m;B型排水板适用于打设深度小于25m;C型排水板适用于打设深度小于35m。另:若设计图纸有指标要求时按设计图纸执行。验证试验序号材料名称拟采用的目的试验项目加筋单位面积质量厚度孔径垂直渗透系数水平渗透系数条带拉伸1-2.5土工合成材料CBR顶破刺破落锥穿透直接剪切摩擦拉拔摩擦淤堵★△★△△★★★△★△×过滤★★★★★★★△△××★排水★★△★★★★△△××★坡面防护★△★××★××××××冲刷防护★★★★★★★△△×××路面裂缝防治★△★××★××××1次/批××1次/10000m21次/批工地试验项目1次/10000m2在组织现场施工以前及在材料来源发生变化时进行该指标试验.试验频度备注单位面积质量★★★★★★3厚度△★★△★△孔径△★△★★★条带拉伸★★★★★★注:1、★为必做试验项目;△为选做试验项目;×为不做试验项目。2、工地试验频度按所购材料的批次进行,如每大于5000m2,则以5000m2为一批3、抽样试验序号规定值结构名称检查项目高速公路、一级公路其他公路试验规程及标准试验频率弯沉值(0。01mm)1-3.1土方路基平整度(mm)不大于设计计算值1520按JTGF80/1-2004JTJ059—95附录Ⅰ检查JTJ033—953m直尺:每200m测2JTGF80/1-2004处×10尺JTGF80/1-2004(第一册土建工程)规定值或允许偏差检查项目0~0。30零填及挖方(m)0~0。80填方(m)0~0。800.80~1。50>1.50高速公路、一级公路——≥96≥96≥94≥93二级公路——≥95≥95≥94≥92三级、四级公路94——≥94≥93≥90按附录B每200m每压实层测4处检查方法和频率压实度(%)注:以重型击实试验为准;三级公路修筑沥青砼或水泥砼路面时,其路基压实度应采用二级公路标准.填方地段基底的压实:路堤基底应在填筑前进行压实。高速公路、一级公路和二级公路,路堤基底的压实度不应小于85%;当路堤填土高度小于路床厚度80cm时,基底的压实度不宜小于路床的压实度标准.路堑路基的压实:零填及路堑路床的压实,应符合上表的规定。超过30cm时,按表列数值90%的标准执行。桥涵附属工程后背回填的施工应符合下列规定:1、桥涵台北、锥坡、护坡的各种填料,宜采用天然砂砾、二灰土、水泥稳定土或粉煤灰等轻质材料,不得...

1、当您付费下载文档后,您只拥有了使用权限,并不意味着购买了版权,文档只能用于自身使用,不得用于其他商业用途(如 [转卖]进行直接盈利或[编辑后售卖]进行间接盈利)。
2、本站所有内容均由合作方或网友上传,本站不对文档的完整性、权威性及其观点立场正确性做任何保证或承诺!文档内容仅供研究参考,付费前请自行鉴别。
3、如文档内容存在违规,或者侵犯商业秘密、侵犯著作权等,请点击“违规举报”。

碎片内容

公路试验检测频率一览表

您可能关注的文档

确认删除?
VIP
微信客服
  • 扫码咨询
会员Q群
  • 会员专属群点击这里加入QQ群
客服邮箱
回到顶部