电脑桌面
添加小米粒文库到电脑桌面
安装后可以在桌面快捷访问

熔点的测定折光率的测定VIP免费

熔点的测定折光率的测定_第1页
1/4
熔点的测定折光率的测定_第2页
2/4
熔点的测定折光率的测定_第3页
3/4
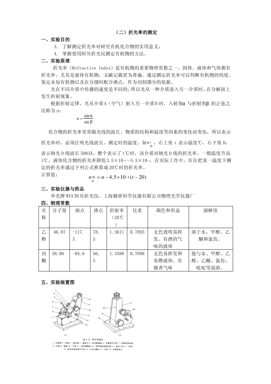
广东工业大学学院专业班组、学号姓名协作者教师评定熔点的测定、折光率的测定(一)熔点的测定一、实验目的1.了解熔点测定的意义。2.掌握测定熔点的方法。二、实验原理固体物质在大气压下加热熔化时的温度,称为熔点(meltingpoint,简记为m.p.)。严格来说,熔点就是固体物质在大气压下达到固液两态平衡时的温度。纯净的固体有机物一般都有固定的熔点,固液两相之间的变化非常敏锐,从初熔到全熔的温度范围称熔矩或熔程,一般不超过0.5~1℃。当混有杂质后,熔点就会有显著的变化,熔点降低,熔矩变宽。因此通过测定熔点,可以鉴别未知的固态有机化合物和判断有机化合物的纯度。如果两种固体有机物具有相同或相近熔点,可以采用混合熔点来鉴别它们是否为同一化合物。若是两种不同化合物,通常会使熔点下降(也有例外),如果是相同化合物则熔点不变。三、实验仪器与药品申光牌WRS-1A数字熔点仪,上海精密科学仪器有限公司物理光学仪器厂四、物理常数名称桂皮酸分子量熔点148.17133沸点300折射率-比重1.245颜色和形态无色针状晶体溶解度桂皮酸:又称肉桂酸;β-苯丙烯酸;3-苯基-2-丙烯酸。不溶于冷水,溶于热水、乙醇、乙醚、丙酮和冰醋酸。五、实验装置图六、实验步骤1、样品的装填将熔点管开口向下插入粉末中,装取少量药品。然后将熔点管竖立起来,在桌面上礅几下,使样品落入管底,重复几次。最后取一支长约30~40cm的玻璃管,垂直于一干净的表面皿上,将熔点管(开口端向上)从玻璃上端自由落下3~5次,使管内装入高约3mm紧密结实的样品。2、开启电源开关,稳定20分钟。3、通过拨盘设定起始温度(拨盘只能向下拨动),再按下起始温度按钮,输入此温度,预制灯亮,稍等,到达所需温度时,预制灯熄灭。4、选择升温速率(一般3℃/min),把波段开关旋至所需温度。5、插入装有样品的毛细管(直立、慢慢插入。切不可勉强插入,否则要换毛细管!),此时初熔灯熄灭。6、调零。使电表完全指零。7、按下升温钮,升温指标灯亮。8、数分钟后,初熔灯先闪亮,然后出现终熔读数显示,欲知初熔读数按初熔钮即得。注:测桂皮酸的起始温度设定为125℃,混合物的起始温度设定为90℃。七、实验数据记录与结果处理桂皮酸样品样品1样品2初熔/℃终熔/℃熔程/℃样品样品3样品4混合物初熔/℃终熔/℃熔程/℃八、本实验应掌握的实验技能九、思考题1可通过鉴别新化合物为已知的化合物。2熔点测定是对有机物的测定。十、实验结果分析与讨论(二)折光率的测定一、实验目的3.了解测定折光率对研究有机化合物的实用意义;4.掌握使用阿贝折光仪测定有机物的方法。二、实验原理折光率(RefractiveIndex)是有机物的重要物理常数之一。固体、液体和气体都有折光率,尤其是液体有机物,文献记载更为普遍。通过测定折光率可以判断有机物的纯度、鉴定未知有机物以及在分馏时配合沸点,作为切割馏分的依据。光在不同介质中传播的速度是不同的,所以光从一种介质进入另一介质时,在分解面上发生折射现象。根据折射定律,光从介质A(空气)射入另一介质B时,入射角α与折射角β的正弦之比称为n:sinnsin化合物的折光率常常随光线的波长、物质的结构和温度等因素的变化而变化,所以表示折光率时,必须注明光线波长、测定时的温度。如nD,右上角t表示温度℃,右下角D,表示钠光D线波长5983Å。整个表示了t℃时,该介质对钠光D线的折光率。一般温度升高-4-41℃,液体化合物的折光率降低3.5×10~5.5×10。在实际工作中,往往把某一温度下测定的折光率通过下列公式换算成20℃时的折光率。计算值:20nDn4.5104(t20)三、实验仪器与药品申光牌WYA阿贝折光仪,上海精密科学仪器有限公司物理光学仪器厂四、物理常数名分子量称乙醇熔点沸点折射率(20℃)78.556.5比重颜色和形态溶解度t46.07-117.3-94.61.36110.7893无色透明易挥发、有酒的气味的液体无色易挥发和易燃液体,有微香气味溶于水,甲醇、乙醚和氯仿。能与水、甲醇、乙醇、乙醚、氯仿、吡啶等混溶。丙58.08酮1.35880.7898五、实验装置图六、实验步骤1、清洗镜面。用无水乙醇清洗进光棱镜的毛面、清洗折射棱镜的抛光面。2、滴2~3滴试样于镜面上。盖上进...

1、当您付费下载文档后,您只拥有了使用权限,并不意味着购买了版权,文档只能用于自身使用,不得用于其他商业用途(如 [转卖]进行直接盈利或[编辑后售卖]进行间接盈利)。
2、本站所有内容均由合作方或网友上传,本站不对文档的完整性、权威性及其观点立场正确性做任何保证或承诺!文档内容仅供研究参考,付费前请自行鉴别。
3、如文档内容存在违规,或者侵犯商业秘密、侵犯著作权等,请点击“违规举报”。

碎片内容

熔点的测定折光率的测定

确认删除?
VIP
微信客服
  • 扫码咨询
会员Q群
  • 会员专属群点击这里加入QQ群
客服邮箱
回到顶部