电脑桌面
添加小米粒文库到电脑桌面
安装后可以在桌面快捷访问

高中化学电解池知识点练习题(附答案)VIP免费

高中化学电解池知识点练习题(附答案)_第1页
1/17
高中化学电解池知识点练习题(附答案)_第2页
2/17
高中化学电解池知识点练习题(附答案)_第3页
3/17
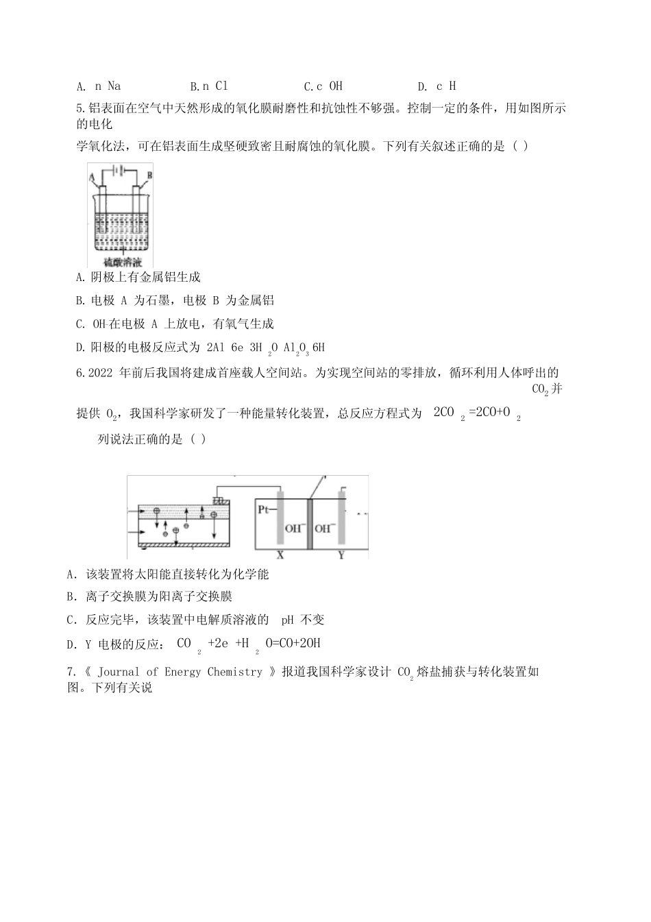
高中化学电解池知识点练习题、单选题1.下列叙述中正确的是()①电解池是将化学能转变成电能的装置②原电池是将电能转变成化学能的装置③轮船上嵌入锌块来减缓轮船腐蚀的方法叫牺牲阳极的阴极保护法④不能自发进行的氧化还原反应,通过电解的原理有可能实现⑤电镀过程相当于金属的“迁移”,可视为物理变化⑥锌与稀H2SO4反应时,加入少量CuSO4溶液时,可以加快化学反应速率A.③④⑥B.①③④C.②④⑤D.①②③2.下列图示中关于铜电极的连接或描述错误的是()到电解前浓度的是()C.3.用惰性电极分别电解下列各物质的水溶液,段时间后,向剩余溶液中加入适量水能使溶液恢复A.CuSO4B.Na2SO4C.CuCl2D.NaCl4.图1是电解饱和氯化钠溶液示意图。图2中,x轴表示实验时流入阴极的电子的物质的量,则y轴表示()B.D.5.铝表面在空气中天然形成的氧化膜耐磨性和抗蚀性不够强。控制一定的条件,用如图所示的电化学氧化法,可在铝表面生成坚硬致密且耐腐蚀的氧化膜。下列有关叙述正确的是()A.阴极上有金属铝生成B.电极A为石墨,电极B为金属铝C.OH-在电极A上放电,有氧气生成D.阳极的电极反应式为2Al6e3H2OAl2O36H6.2022年前后我国将建成首座载人空间站。为实现空间站的零排放,循环利用人体呼出的CO2并提供O2,我国科学家研发了一种能量转化装置,总反应方程式为2CO2=2CO+O2列说法正确的是()A.该装置将太阳能直接转化为化学能B.离子交换膜为阳离子交换膜C.反应完毕,该装置中电解质溶液的pH不变D.Y电极的反应:CO2+2e+H2O=CO+2OH7.《JournalofEnergyChemistry》报道我国科学家设计CO2熔盐捕获与转化装置如图。下列有关说A.nNaB.nClC.cOHD.cH法正确的是()A.a为负极B.熔盐可用KOH溶液代替22C.d的电极反应式为CO324eC3O2D.转移1mol电子可捕获11.2LCO2(标准状况下)8.三室式电渗析法处理含NH4NO3废水的原理如图所示,在直流电场的作用下,两膜中间的NO3可通过离子交换膜,而两端隔室中离子被阻挡不能进入中间隔室。工作一段时间后,在两极区均得到副产品NH4NO3。下列叙述正确的是()A.a极为电源负极,b极为电源正极B.c膜是阴离子交换膜,d膜是阳离子交换膜C.阴极电极反应式为2NO312H+10eN26H2OD.当电路中通过1mol电子时,会有5.6LO2生成9.2019年9月新能源国际高峰论坛在山西大同召开,在主题为“氢能源,引领未来”的氢能专业分论坛上介绍了新型电解生物质[以葡萄糖(C6H12O6)为例]制氢技术,其工作原理如图所示,已知杂多酸一磷钼酸(简称PMo12)作催化剂使葡萄糖降解为衍生物小分子,衍生物小分子在电解过程中转化为CO2。下列说法错误的是()NH4+和A.M电极上由衍生物小分子失电子发生氧化反应B.电解池中可使用质子交换膜C.电解过程中,阴极附近的pH升高D.标准状况下,在阴极上生成11.2LH2时,阳极消耗7.5g葡萄糖A.电解Na2SO3溶液时,a极与电池负极相连,图1中H+从电池右边移向左边B.电解时b极的电极反应式为SO32+H2O-2e-=SO42+2H+C.电池放电时,负极的电极反应式为VO2+e-+2H+=SO42+H2OD.若电解过程中图2所有液体进出口密闭,则消耗12.6gNa2SO3,阴极区变化的质量为4.6g11.利用电化学方法,以甲醇、CO和O2为原料合成有机物(CH3O)2CO(DMC)的工作原理如图所示(A电极和B电极均为石墨)。下列说法不正确的是(10.全钒液流电池充电时间短,续航能力强,被誉为“完美电池”,工作原理如图1所示,反应的离子方Na2SO3溶液(电极材料为石墨),可再程式为VO2++V3++H2OVO2+V2++2H+。以此电池电解A.A电极的电极反应式为2CH3OH+CO-2e-=(CH3O)2CO+2H+B.电极接流电源负极,B电极上有1molO2参与反应时,A电极上生成1mol(CH3O)2COC.合成过程中,H+通过质子交换膜由左池向右池移动,右池中所盛放的电解质溶液可以是稀硫酸D.该合成过程中涉及电能转变成化学能12.普通电解精炼铜的方法所制备的铜中往往仍含杂质,利用下面的双膜(阴离子交换膜和过滤膜)电解装置可制备高纯度的Cu。下列有关叙述正确的是()B.甲膜为过滤膜,可阻止阳极泥及漂浮物杂质进入阴极区C.乙膜为阴离子交换膜,可阻止杂质阳离子进入阴极区D.当电路中通过1mol电子时,可生成32g精铜二、填空题13.观察下列装置,回答下列问题。(1)甲装置中通入乙醇的电极反应式为(...

1、当您付费下载文档后,您只拥有了使用权限,并不意味着购买了版权,文档只能用于自身使用,不得用于其他商业用途(如 [转卖]进行直接盈利或[编辑后售卖]进行间接盈利)。
2、本站所有内容均由合作方或网友上传,本站不对文档的完整性、权威性及其观点立场正确性做任何保证或承诺!文档内容仅供研究参考,付费前请自行鉴别。
3、如文档内容存在违规,或者侵犯商业秘密、侵犯著作权等,请点击“违规举报”。

碎片内容

高中化学电解池知识点练习题(附答案)

您可能关注的文档

文达天下+ 关注
实名认证
内容提供者

各类试题、文摘、指南、行业规范

确认删除?
VIP
微信客服
  • 扫码咨询
会员Q群
  • 会员专属群点击这里加入QQ群
客服邮箱
回到顶部