电脑桌面
添加小米粒文库到电脑桌面
安装后可以在桌面快捷访问

基坑支护施工组织设计方案(同名16787)VIP免费

基坑支护施工组织设计方案(同名16787)_第1页
1/10
基坑支护施工组织设计方案(同名16787)_第2页
2/10
基坑支护施工组织设计方案(同名16787)_第3页
3/10
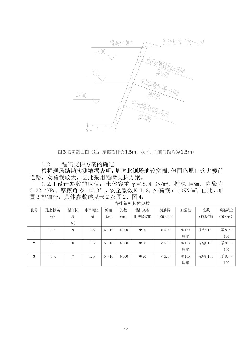
平江县第一人民医院门诊、急诊大楼基坑支护施工方案一.工程概况1.1概况平江县第一人民医院门诊、急诊大楼位于平江县城关镇北街,该大楼为五层主楼及一层地下室组成,总建筑面积约24630m2。框架结构,基础形式为人工挖孔混凝土灌注桩。建筑物占地面积约为4501.6m2。根据有关资料及自然地面实测标高,基坑开挖深度平均约为4.5m。本施工方案设计部位为南侧、西侧及北侧设计,南侧长约为45m,西侧长度约77m,北侧长度约86m,基坑开挖面积约5500m2。1.2基坑周边环境拟建场地位于现平江县第一人民医院门诊大楼南侧,场地已平整,具备施工的基本条件。基坑周边环境描述如下:基坑南侧:距平江县县委会住宅楼为5m,基础外边缘距县委会住宅楼基础外边缘约为3m。基坑西侧:距居民楼约20m基坑北侧:距已建道路约5m。根据该基坑周边环境情况、场地地质条件结合基坑开挖深度,依据《建筑基坑工程技术规范》(YB9258-97)的有关规定,该基坑重要性等级为三级。二.工程地质条件1.工程地质条件根据该建筑场地岩土工程勘察报告,基坑所在场地地层自上而上为:①层,素填土(Q4ml):黄褐色,以块石、碎石及粘粒为主,局部含建筑垃圾。未压实,松散,稍湿。层厚0.3m~3.0m。②层,淤泥质粘土(Q4l):灰褐色,以粘粒为主,软塑。仅见于ZK09、ZK10号钻孔,层厚1.0m~2.5m。③层,粉土(Q4al):褐黄色,具中等压塑性,摇震反应无,光泽反应弱,干强度中,韧性中,含粉砂成份较高,含卵石,中密状态,厚度1.1-5.6m。④层,强风化泥质粉砂岩:砖红色,上部风化似土状,向下逐渐变硬,以石英砂质成分为主,含泥质成分。节理裂隙极为发育,岩体破碎,采芯率低,质量等级为V级,为极软岩,控制厚度为1.0-3.10m。⑤层,中风化泥质粉砂岩:砖红色,以石英砂质成分为主,泥质胶结。强度较高,裂隙较发育,岩芯多呈短柱状,少量为碎块状,韵律沉积发育,属极软岩,控制厚度为5.5-7.6m。各土层主要力学性质指标层号岩土名称承载力特征值fa(kpa)压缩模量Es内摩擦角φ凝聚力C①素填土604.66.211.3-1-②淤泥质粘土805.47.612.6③粉土20017.810.322.4④强风化泥质粉砂岩2501918.239.6⑤中风化泥质粉砂岩9602.水文地质条件勘察场地位于山丘、冲沟地带,地下水受大气降水影响,在勘察深度范围内未见地下水。三.支护方案的选择1.支护方案的选择1.1素喷支护方案的确定基坑场地在开挖深度内主要以粉质粘土为主,该土层干强度中,具中等压塑性,同时,基坑内水位埋深较深,地下水主要为大气降水影响,受地下水影响不大,考虑到面临雨季施工及土体长期暴露于外,会受雨水冲刷或风化导致土质变化而产生蠕变,所以,西侧开挖后,采取素喷方式,保护边坡土体不受风化及雨水冲刷,确保土体原有特性。同时,又能使基坑内施工现场清洁、卫生,保证基础施工在雨季顺利进。具体素喷方法见图2和图3-2-图3素喷剖面图(注:摩擦锚杆长1.5m,水平、垂直间距均为1.5m)1.2锚喷支护方案的确定根据现场踏勘实测数据表明:基坑北侧场地较宽阔,但面临原门诊大楼前道路,动荷载较大,因此采用锚喷支护方案。1.2.1设计参数的取值:土体容重γ=18.4KN/m3,挖深H=5m,内聚力C=22.4KPa,摩擦角φ=10.3°,安全系数K=1.3,外荷载q=10KN/m2,由此,布置3排锚杆,具体参数详见表2及图2、图4:各排锚杆具体参数孔号孔上标高(m)锚杆长度(m)水平间距(m)俯角(a0)孔径(mm)锚杆规格Ⅱ级螺纹钢钢筋网@200×200加强筋注浆(速凝剂)喷混凝土C20(mm)1-2.091.55~10φ100Φ20φ6.5Φ16X焊牢砂浆1:1厚80~1002-3.581.55~10φ100Φ20φ6.5Φ16X焊牢砂浆1:1厚80~1003-5.071.55~10φ100Φ20φ6.5Φ16X焊牢砂浆1:1厚80~100-3-图4锚喷剖面图(注:锚杆水平、垂直间距均为1.5m)1.2.2施工要点⑴基坑土方开挖及修坡基坑土方开挖应分步进行,分步开挖深度主要取决于暴露坡面的直立能力,为给锚喷网施工提供良好的工作条件,每层挖深1.5m~2m,不允许超深开挖。开挖长度应根据交叉施工期间能保持坡面稳定的前提决定,一般在同一轴线开挖的长度为15m~20m。边坡开挖应最大限度地减少对支护土层的扰动,并严格按规定修坡,防止因分层开挖的误差引起最终基坑外形尺寸的不足。⑵...

1、当您付费下载文档后,您只拥有了使用权限,并不意味着购买了版权,文档只能用于自身使用,不得用于其他商业用途(如 [转卖]进行直接盈利或[编辑后售卖]进行间接盈利)。
2、本站所有内容均由合作方或网友上传,本站不对文档的完整性、权威性及其观点立场正确性做任何保证或承诺!文档内容仅供研究参考,付费前请自行鉴别。
3、如文档内容存在违规,或者侵犯商业秘密、侵犯著作权等,请点击“违规举报”。

碎片内容

基坑支护施工组织设计方案(同名16787)

确认删除?
VIP
微信客服
  • 扫码咨询
会员Q群
  • 会员专属群点击这里加入QQ群
客服邮箱
回到顶部