电脑桌面
添加小米粒文库到电脑桌面
安装后可以在桌面快捷访问

阿基米德原理VIP免费

阿基米德原理_第1页
1/3
阿基米德原理_第2页
2/3
阿基米德原理_第3页
3/3
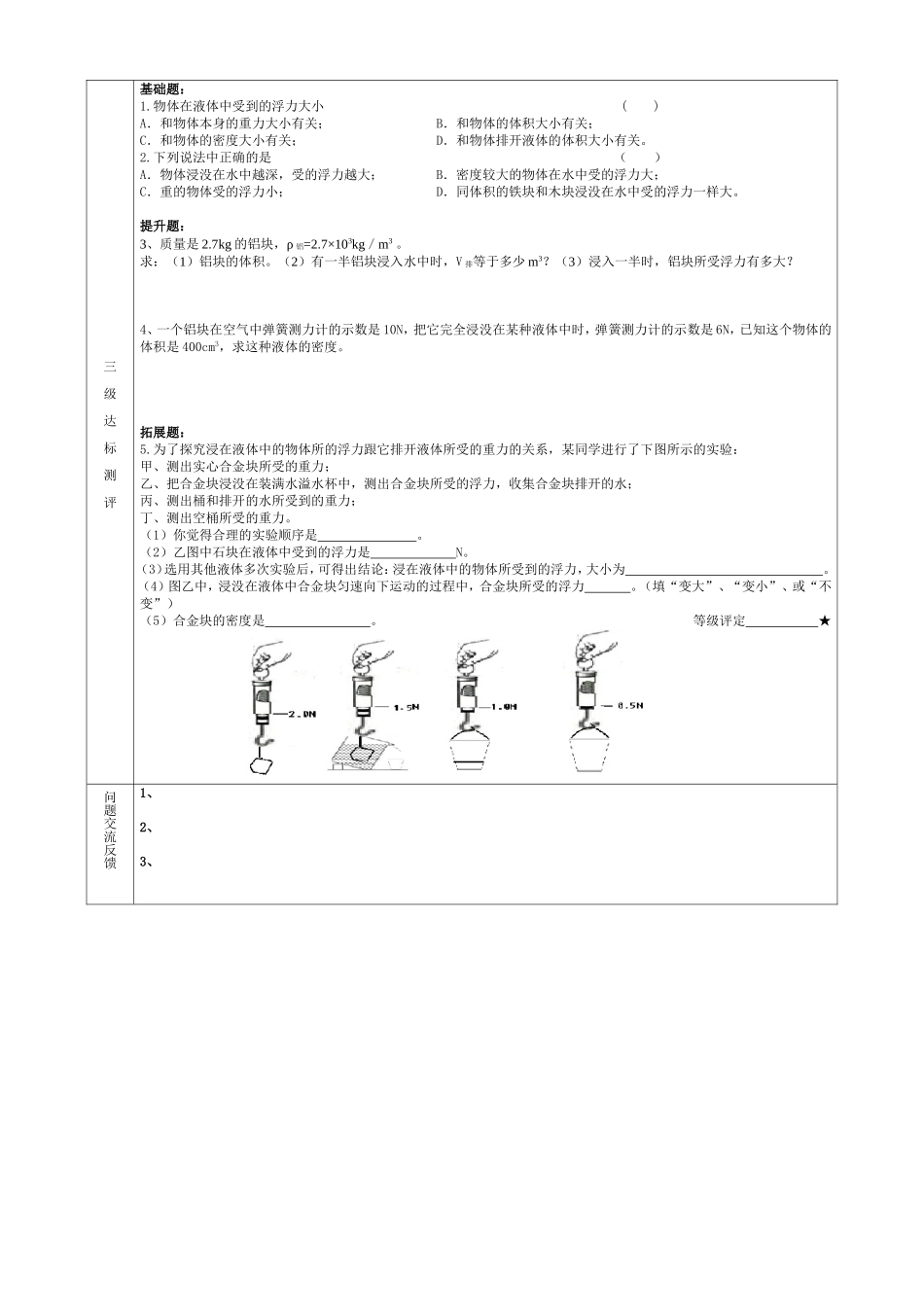
思南三中“四环一导全人教育”八年级物理导学案年级班姓名备课组长:郜邦权主备:许妮集备成员;许妮、张羽銮、谭思文、安文文、郜邦权、徐小林、杨光汝、姜涛课题:10.2阿基米德原理课型:新授课时间:45分钟【学习目标】1、知道并理解阿基米德原理,阿基米德原理的计算表达式。2、会用阿基米德原理进行有关的简单计算。自研自探自学内容与学法指导【主题一】探究浮力的大小1、学法指导:认真阅读课本P53-P55内容两遍;联系上节内容对浮力大小提出合理的猜想;结合课本中图10.2-2以及文字了解实验所需器材,并了解它们的作用,尤其要明白溢水杯的作用;完成实验设计,明确实验步骤。观察书本实验插图,观察实验现象,认真分析实验数据,总结归纳实验结论并推导出浮力的大小计算公式。小组长交叉检查并评出等级.2、学习内容:通过自主学习,完成下列自学笔记。自学笔记【知识归纳】1、猜想:浮力的大小可能跟存在着一定的关系。2、实验设计:用称重法得出物体受到浮力的大小,用溢水杯可以得到物体浸入液体后排开的那部分液体,用弹簧测力计测出溢水杯中液体的重力,再与物体受到的浮力进行比较。3、实验器材:。4、实验步骤:用弹簧测力计测出物体的重G=N,空杯的重G杯=N。用弹簧测力计测出物体浸没在水的示数F’=N。由称重法可知物体所受的浮力F浮=G-F’=N。接水后杯子与水总重G’=N,被物体排开水的重力G排=G’-G杯=N。将清水换成盐水重复上面的操作。5、由上实验数据可知,浸在液体里的物体受到竖直向上的浮力,浮力的大小被物体排开液体的,即F浮=。这就是著名的。6、实验证明,阿基米德原理对气体同样适用。例如,空气对气球的浮力大小等于。【同步演练】1、公式推导:→由推导:→→2、在公式中,F浮表示,单位为;ρ液表示,单位为;V排表示,单位为。3、由阿基米德原理可知,浮力的大小只与和有关。【主题二】用阿基米德原理进行浮力的计算1、学法指导:认真阅读课本P55内容两遍;解析课本中的例题,从中找到阿基米德原理是怎样运用的,找到解题的一般步骤,将进行适当的变形求出其他的物理量,完成例题和同步演练。组长交叉检查并评出等级。2、学习内容:通过自主学习,完成下列自学笔记。自学笔记【知识归纳】例1:一物体的体积V=100cm3,试问:物体完全浸没在水中时,它受到的浮力多大?【同步演练】1、一质量为100克的物体,浸没在装满水的杯子中,溢出了40克水,求(1)该物体所受的浮力;(2)该物体体积。等级评定★合作探究【任务】1.小组帮扶:小组间相互检查独学情况并针对自研成果进行交流、相互学习,探讨独学过程中的疑惑,对不能解决的问题作好记录,带到群学中解决。2.大组群学:在组长的带领下,首先解决学习中存在的问题,如果还有疑难,展示在黑板上,寻求帮助。3.探究成果:确定本组的探究成果。(教师巡查、指导各组)展示提升小展示(组内展示)①组长及学科组长检查导学案中自研自探部分,用红笔给出等级评定;②交流浮力大小与排开水重的关系、将阿基米德原理的文字写成数学表达式。疑难问题1、2、3、大展示(互助展示)小组长先统计本组存在的疑难问题,组长主持对这些疑难问题展开小组交流讨论,帮助解决组内疑难;重点讨论:1.实验中的操作步骤及注意事项,溢水杯的使用方法。2.阿基米德原理的公式有哪些变形式。3.阿基米德原理计算浮力。4.解释“排开水的体积与物体体积的关系”、“浸没”与“浸在”的区别。5.浮力的计算。(共同展示)A.获得任务后,小组成员在组长带领下进行预展规划;B.各组在组长带领下熟悉展示主题所演示的主题并交流意见;C.各组进行主题展示小预展。三级达标测评基础题:1.物体在液体中受到的浮力大小()A.和物体本身的重力大小有关;B.和物体的体积大小有关;C.和物体的密度大小有关;D.和物体排开液体的体积大小有关。2.下列说法中正确的是()A.物体浸没在水中越深,受的浮力越大;B.密度较大的物体在水中受的浮力大;C.重的物体受的浮力小;D.同体积的铁块和木块浸没在水中受的浮力一样大。提升题:3、质量是2.7kg的铝块,ρ铝=2.7×103kg/m3。求:(1)铝块的体积。(2)有一半铝块浸入水中时,V排等于...

1、当您付费下载文档后,您只拥有了使用权限,并不意味着购买了版权,文档只能用于自身使用,不得用于其他商业用途(如 [转卖]进行直接盈利或[编辑后售卖]进行间接盈利)。
2、本站所有内容均由合作方或网友上传,本站不对文档的完整性、权威性及其观点立场正确性做任何保证或承诺!文档内容仅供研究参考,付费前请自行鉴别。
3、如文档内容存在违规,或者侵犯商业秘密、侵犯著作权等,请点击“违规举报”。

碎片内容

阿基米德原理

您可能关注的文档

确认删除?
VIP
微信客服
  • 扫码咨询
会员Q群
  • 会员专属群点击这里加入QQ群
客服邮箱
回到顶部