电脑桌面
添加小米粒文库到电脑桌面
安装后可以在桌面快捷访问

第1章科学入门(§14长度体积)VIP免费

第1章科学入门(§14长度体积)_第1页
1/5
第1章科学入门(§14长度体积)_第2页
2/5
第1章科学入门(§14长度体积)_第3页
3/5
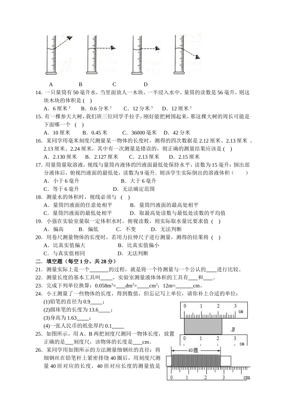
第1章科学入门(长度、体积)姓名一、选择题(每小题2分,共40分)1.我国“度量单位”的标准是以国际单位制为基础的,其中测量长度的主单位是()A.米B.千米C.分米D.厘米21cnjykxtj20082.(2013•龙岩)我国1元硬币的直径大约是()A.2.5mB.2.5dmC.2.5cmD.2.5mm3.下列单位换算中正确的是()A.4.5m=4.5m×l00cm=450cmB.456mm=456×=0.456mC.36cm=36×m=0.36mD.64dm=64dm×m=6.4m4.如果要量取40毫升水,选用的量筒最好是()A.l00mLB.30mLC.50mLD.200mL5.下列图中,关于刻度尺使用方法正确的是()ABCD6.(2013•枣庄)小超为了检验躺着和站立时身体长度是否有差异,下列几种尺子哪种最合适()21cnjykxtj2008A.量程15cm,分度值0.5mmB.量程10m,分度值1dmC.量程30cm,分度值1mm21cnjykxtj2008D.量程3m,分度值1mm7.在用刻度尺测量物体的长度时,下列要求不正确的是()A.测量时,刻度尺不能歪斜B.不能选用零刻度线磨损的刻度尺C.读数时,视线应垂直于刻度尺D.记录测量结果时,应在数字后注明单位8.下列有关量筒量取液体的操作不正确的是()A.当量筒放在较低处的桌面上,不便于观察读数时,把量筒举起,与视线相平后读数B.读数时,视线与量筒内的凹形液面的最低处相平C.向量筒内倾倒液体时,当液体接近刻度时,改用滴管向量筒内滴加液体D.首先要选一个量程合适的量筒,把它放在乎稳的桌面上,并使量筒的刻度线正对自己9.测量不规则物体的体积,不需要用的仪器或材料是()A.刻度尺B.量筒C.水D.细线10.下列单位中,最小的是()A.米B.千米C.分米D.厘米11.做某实验需要量取45ml的水,应选用下列仪器中的()A.l00ml的烧杯B.l0mL的量筒C.l00mL的烧杯和滴管D.50mL的量筒和滴管12.使用刻度尺测量长度时,下列做法不正确的是()A.测量时,刻度尺不能歪斜B.测量时,必须从刻度尺的左端量起C.读数时,视线应垂直于刻度尺D.记录时,必须在数字后面写清单位13.如图所示为观察量筒读数时的四种方法,其中正确的是()ABCD14.一只量筒有50毫升水,当里面放人一木块,一半浸入水中,量筒的读数是56毫升,则这块木块的体积是()A.6厘米3B.0.6分米3C.12分米3D.12厘米315.有一棵参天大树,我们班三位同学手拉手,刚好能把树围起来,那这棵大树的周长可能是下面哪一个()A.10厘米B.0.45米C.36000毫米D.42分米16.某同学用毫米刻度尺测量某一物体的长度时,测得的四次数据是2.12厘米、2.13厘米、2.13厘米、2.24厘米,其中有一次测量是错误的,则正确的测量结果应该是()A.2.130厘米B.2.127厘米C.2.13厘米D.2.15厘米17.用量筒量取溶液,视线与量筒内液体的凹液面最低处保持水平,读数为15毫升;倒出部分液体后,俯视凹液面的最低处,读数为9毫升.则该学生实际倒出的溶液体积()A.小于6毫升21cnjykxtj2008B.大于6毫升C.等于6毫升D.无法确定范围18.测量水的体积时,视线必须与()A.量筒凹液面的任意处相平B.量筒凹液面的最高处相平C.量筒凹液面的最低处相平D.取最高处读数与最低处读数的平均值19.小强在实验室量取一定体积水时,俯视读数,则实际取水量比要求值()A.偏高B.偏低C.不变D.无法判断20.用卷尺测量物体的长度时,若用力拉伸尺子进行测量,测得的结果将()A.比真实值偏大B.比真实值偏小C.与真实值相同D.无法判断二.填空题(每空1分,共28分)21cnjykxtj200821.测量实际上是一个的过程,就是将一个待测量与一个公认的进行比较。22.测量长度的基本工具叫,实验室测量液体体积的工具有和。23.完成下列单位换算:0.058m3=dm3=cm3;12m=cm。24.小王测量了一些物体的长度,得到数值,但忘记写上单位,请你补上合适的单位:(1)铅笔的直径为0.9;(2)圆珠笔的长度为13.6;(3)身高为1.63;(4)一张人民币的纸张厚约0.125.如图所示,用A、B两把刻度尺测同一物体长度,放置正确的是刻度尺,该物体的长度是cm。26.某同学用如图所示的方法测量细钢丝的直径:将细钢丝在铅笔杆上紧密排绕40圈后,用刻度尺测量40匝对应的长度,40匝对应长度的测量值是cm,由此测得细钢丝的直径是mm。27.要测量形状规则的物体如长方体的体积,只要用测量...

1、当您付费下载文档后,您只拥有了使用权限,并不意味着购买了版权,文档只能用于自身使用,不得用于其他商业用途(如 [转卖]进行直接盈利或[编辑后售卖]进行间接盈利)。
2、本站所有内容均由合作方或网友上传,本站不对文档的完整性、权威性及其观点立场正确性做任何保证或承诺!文档内容仅供研究参考,付费前请自行鉴别。
3、如文档内容存在违规,或者侵犯商业秘密、侵犯著作权等,请点击“违规举报”。

碎片内容

第1章科学入门(§14长度体积)

您可能关注的文档

精品文库+ 关注
实名认证
内容提供者

中小学课件教案大全

确认删除?
VIP
微信客服
  • 扫码咨询
会员Q群
  • 会员专属群点击这里加入QQ群
客服邮箱
回到顶部