电脑桌面
添加小米粒文库到电脑桌面
安装后可以在桌面快捷访问

T7系列说明书20120416VIP免费

T7系列说明书20120416_第1页
1/19
T7系列说明书20120416_第2页
2/19
T7系列说明书20120416_第3页
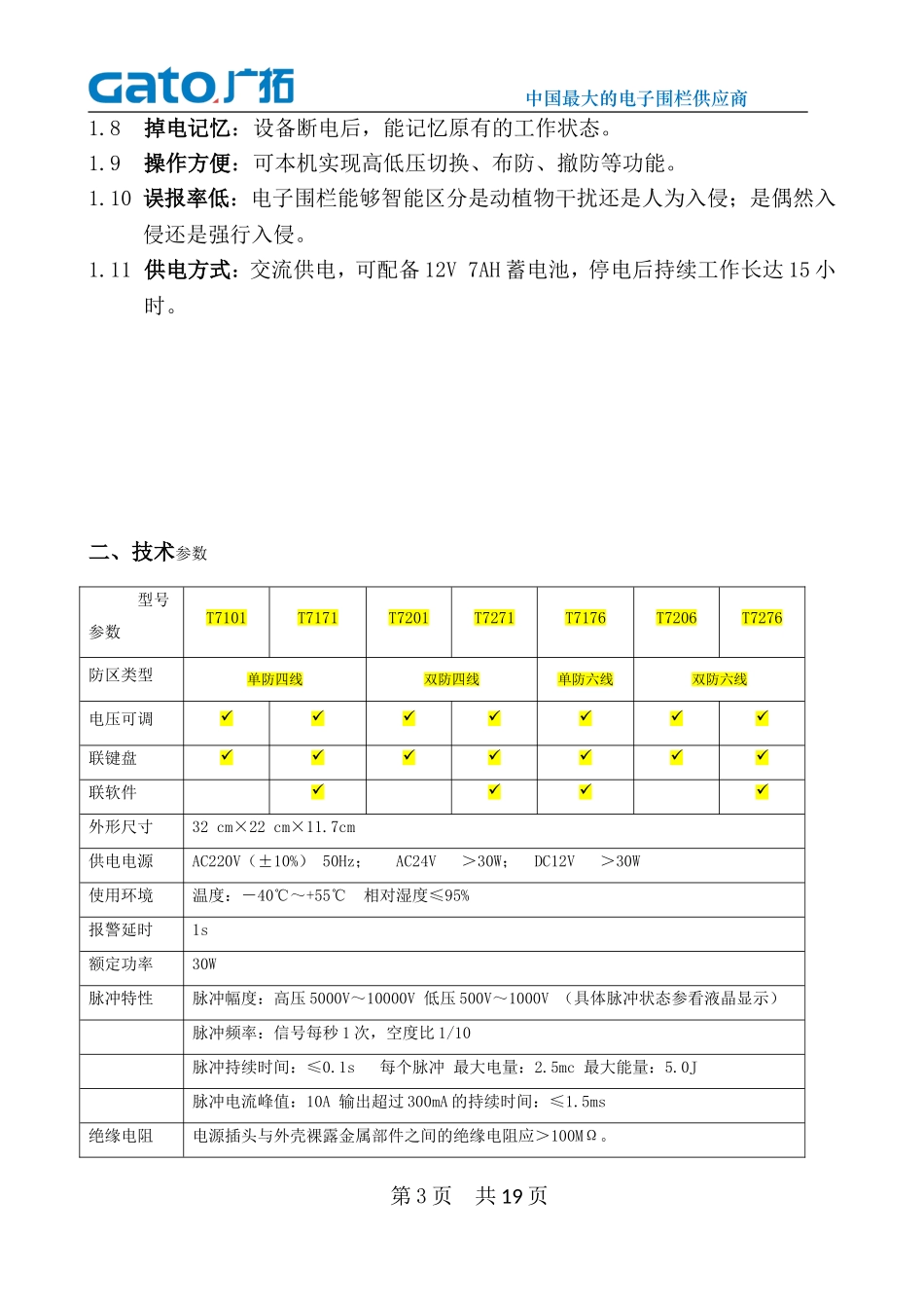
3/19
中国最大的电子围栏供应商(此页内容在封面的背面)亲爱的用户,欢迎您选用广拓电子围栏。谨此感谢!为了使您更方便使用,请仔细阅读说明书,并按照说明书步骤操作,同时特别注意说明书中所有的警告和注意事项。请妥善保存此说明书。由于产品的改进,您所得到的电子围栏产品可能与说明书中图示不完全一致,请以实际产品为准,谨此致歉。目录一.功能与特点……………………………………………………………2二.技术参数………………………………………………………………5三.脉冲主机的说明及应用………………………………………………6四.前端围栏的选型………………………………………………………13五.前端围栏的安装………………………………………………………15六.使用与维护……………………………………………………………20七.简单故障排除方法……………………………………………………20第1页共19页●本产品工作时内部带有高压,为避免电击伤害请勿私自拆装;●产品输出端和前端有5000V~10000V高压,在产品工作状态下,切勿触摸;●切勿在雷电期间安装电子围栏;●切勿将脉冲主机直接安装于潮湿场所。●本产品一旦出现异常情况,应先切断电源,并及时通知专业安装或检修人员。切勿自行拆修,否则后果自负;●用户不得自行打开主机维修,否则我方不予保修;●本产品的使用者,必须具有电器安全及触电解救知识;●安装使用前请阅读此说明书,熟悉本产品的正确使用方法并规范操作,否则产生的一切后果,由使用者承担。中国最大的电子围栏供应商八.布线案例………………………………………………………………20保修卡…………………………………………………………………21附录:装箱单…………………………………………………………………21一、功能与特点T7系列脉冲电子围栏主机属于第四代网络电子围栏产品。他把阻挡、威慑、报警、智能液晶显示和联网远程控制等功能有机地集成在一起,是一种崭新的智能型周界阻挡安防报警产品。T7系列脉冲主机有以下主要功能特点1.1液晶显示:4.5英寸液晶显示屏直观反映主机运行工作状态,运行时间,防区地址,电压值显示等。1.2远程控制:具备RS-485通信接口,总线制通信方式。通过控制键盘或控制软件,可实现远程防区布防、撤防、输出电压调整、报警响应时间调节、控制权限等功能。1.3多级联网:通过控制键盘或控制软件,可实现多级联网。1.4防区扩展:可接入红外、门禁等报警设备的开关量信号。1.5BI-Polar:独有BI-Polar技术,可实现前端围栏上每根线都有高压脉冲电,让入侵者无机可乘。1.6专利接线技术:革命性的接线方式,大大提高了可耐受的电压,同时使接线更安全、方便、可靠。1.7报警信号输出:可根据不同报警联动产品对报警输入信号的要求,选择常闭报警信号输出或常开报警信号输出。第2页共19页中国最大的电子围栏供应商1.8掉电记忆:设备断电后,能记忆原有的工作状态。1.9操作方便:可本机实现高低压切换、布防、撤防等功能。1.10误报率低:电子围栏能够智能区分是动植物干扰还是人为入侵;是偶然入侵还是强行入侵。1.11供电方式:交流供电,可配备12V7AH蓄电池,停电后持续工作长达15小时。二、技术参数型号参数T7101T7171T7201T7271T7176T7206T7276防区类型单防四线双防四线单防六线双防六线电压可调联键盘联软件外形尺寸32cm×22cm×11.7cm供电电源AC220V(±10%)50Hz;AC24V>30W;DC12V>30W使用环境温度:-40℃~+55℃相对湿度≤95%报警延时1s额定功率30W脉冲特性脉冲幅度:高压5000V~10000V低压500V~1000V(具体脉冲状态参看液晶显示)脉冲频率:信号每秒1次,空度比1/10脉冲持续时间:≤0.1s每个脉冲最大电量:2.5mc最大能量:5.0J脉冲电流峰值:10A输出超过300mA的持续时间:≤1.5ms绝缘电阻电源插头与外壳裸露金属部件之间的绝缘电阻应>100MΩ。第3页共19页中国最大的电子围栏供应商三、脉冲主机的说明及应用3.1主机液晶显示内容说明如下图3-1所示为T7一款双防区主机面板图。面板上的显示参数说明如下。(图片更换一个没有拉伸角度的图片)图3-1T7双防区脉冲主机面板图...

1、当您付费下载文档后,您只拥有了使用权限,并不意味着购买了版权,文档只能用于自身使用,不得用于其他商业用途(如 [转卖]进行直接盈利或[编辑后售卖]进行间接盈利)。
2、本站所有内容均由合作方或网友上传,本站不对文档的完整性、权威性及其观点立场正确性做任何保证或承诺!文档内容仅供研究参考,付费前请自行鉴别。
3、如文档内容存在违规,或者侵犯商业秘密、侵犯著作权等,请点击“违规举报”。

碎片内容

T7系列说明书20120416

您可能关注的文档

墨香书阁+ 关注
实名认证
内容提供者

热爱教学事业,对互联网知识分享很感兴趣

确认删除?
VIP
微信客服
  • 扫码咨询
会员Q群
  • 会员专属群点击这里加入QQ群
客服邮箱
回到顶部