电脑桌面
添加小米粒文库到电脑桌面
安装后可以在桌面快捷访问

GB50011-2010《建筑抗震设计规范》强制性条文VIP免费

GB50011-2010《建筑抗震设计规范》强制性条文_第1页
1/9
GB50011-2010《建筑抗震设计规范》强制性条文_第2页
2/9
GB50011-2010《建筑抗震设计规范》强制性条文_第3页
3/9
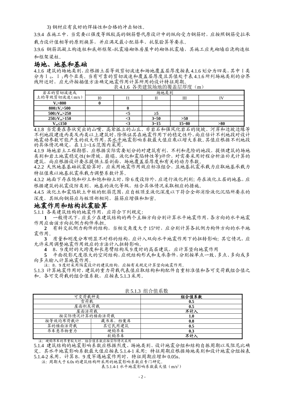
GB50011-2010《建筑抗震设计规范》强制性条文前言此次修订,共设强制性条文56条,即:1.0.2、1.0.4、3.1.1、3.3.1、3.3.2、3.4.1、3.5.2、3.7.1、3.7.4、3.9.1、3.9.2、3.9.4、3.9.6、4.1.6、4.1.8、4.1.9、4.2.2、4.3.2、4.4.5、5.1.1、5.1.3、5.1.4、5.1.6、5.2.5、5.4.1、5.4.2、5.4.3、6.1.2、6.3.3、6.3.7、6.4.3、7.1.2、7.1.5、7.1.8、7.2.4、7.2.6、7.3.1、7.3.3、7.3.5、7.3.6、7.3.8、7.4.1、7.4.4、7.5.7、7.5.8、8.1.3、8.3.1、8.3.6、8.4.1、8.5.1、10.1.3、10.1.12;10.1.15、12.1.5、12.2.1、12.2.9总则1.0.2抗震设防烈度为6度及以上地区的建筑,必须进行抗震设计。1.0.4抗震设防烈度必须按国家规定的权限审批、颁发的文件(图件)确定。基本规定3.1.1抗震设防的所有建筑应按现行国家标准《建筑工程抗震设防分类标准》GB50223确定其抗震设防类别。注:本规范中,甲类、乙类、丙类、丁类,分别为现行国家标准《建筑工程抗震设防分类标准》GB50223特殊设防类、重点设防类、标准设防类、适度设防类的简称。3.3.1选择建筑场地时,应根据工程需要,掌握地震活动情况、工程地质和地震地质的有关资料,对抗震有利、不利和危险地段做出综合评价。对不利地段,应提出避开要求;当无法避开时应采取有效的措施。对危险地段,严禁建造甲、乙类的建筑,不应建造丙类的建筑。3.3.2建筑场地为Ⅰ类时,甲、乙类的建筑应允许仍按本地区抗震设防烈度的要求采取抗震构造措施;丙类的建筑应允许按本地区抗震设防烈度降低一度的要求采取抗震构造措施,但抗震设防烈度为6度时仍应按本地区抗震设防烈度的要求采取抗震构造措施。3.4.1建筑设计应依据抗震概念设计的要求选择建筑方案,不规则的建筑方案应按规定采取加强措施;特别不规则的建筑方案应进行专门研究和论证,采取特别的加强措施;不应采用严重不规则的建筑方案。3.5.2结构体系应符合下列各项要求:1应具有明确的计算简图和合理的地震作用传递途径。2应避免因部分结构或构件破坏而导致整个结构丧失抗震能力或对重力荷载的承载能力。3应具备必要的抗震承载力,良好的变形能力和消耗地震能量的能力。4对可能出现的薄弱部位,应采取措施提高其抗震能力。3.7.1非结构构件,包括建筑非结构构件和建筑附属机电设备,自身及其与结构主体的连接,应进行抗震设计。3.7.4框架结构的围护墙和隔墙,应估计其设置对结构抗震的不利影响,避免不合理设置而导致主体结构的破坏。3.9.1抗震结构对材料和施工质量的特别要求,应在设计文件上注明。3.9.2结构材料性能指标,应符合下列最低要求:1砌体结构材料应符合下列规定:1)普通砖和多孔砖的强度等级不应低于MU10,其砌筑砂浆强度等级不应低于M5;2)混凝土小型空心砌块的强度等级不应低于MU7.5,其砌筑砂浆强度等级不应低于Mb7.5。2混凝土结构材料应符合下列规定:1)混凝土的强度等级,框支梁、框支柱及抗震等级为一级的框架梁、柱、节点核芯区,不应低于C30;构造柱、芯柱、圈梁及其它各类构件不应低于C20;2)抗震等级为一、二、三级的框架和斜撑构件(含梯段),其纵向受力钢筋采用普通钢筋时,钢筋的抗拉强度实测值与屈服强度实测值的比值不应小于1.25;钢筋的屈服强度实测值与屈服强度标准值的比值不应大于1.3,且钢筋在最大拉力下的总伸长率实测值不应小于9%。3钢结构的钢材应符合下列规定:1)钢材的屈服强度实测值与抗拉强度实测值的比值不应大于0.85;2)钢材应有明显的屈服台阶,且伸长率不应小于20%;-1-3)钢材应有良好的焊接性和合格的冲击韧性。3.9.4在施工中,当需要以强度等级较高的钢筋替代原设计中的纵向受力钢筋时,应按照钢筋受拉承载力设计值相等的原则换算,并应满足最小配筋率、抗裂验算等要求。3.9.6钢筋混凝土构造柱和底部框架-抗震墙砌体房屋中的砌体抗震墙,其施工应先砌墙后浇构造柱和框架梁柱。场地、地基和基础4.1.6建筑的场地类别,应根据土层等效剪切波速和场地覆盖层厚度按表4.1.6划分为四类,其中Ⅰ类分为Ⅰ0、Ⅰ1两个亚类。当有可靠的剪切波速和覆盖层厚度且其值处于表4.1.6所列场地类别的分界线附近时,应允许按插值方法确定地震作用计算所用的设计特征周期。表4.1.6各...

1、当您付费下载文档后,您只拥有了使用权限,并不意味着购买了版权,文档只能用于自身使用,不得用于其他商业用途(如 [转卖]进行直接盈利或[编辑后售卖]进行间接盈利)。
2、本站所有内容均由合作方或网友上传,本站不对文档的完整性、权威性及其观点立场正确性做任何保证或承诺!文档内容仅供研究参考,付费前请自行鉴别。
3、如文档内容存在违规,或者侵犯商业秘密、侵犯著作权等,请点击“违规举报”。

碎片内容

GB50011-2010《建筑抗震设计规范》强制性条文

您可能关注的文档

确认删除?
VIP
微信客服
  • 扫码咨询
会员Q群
  • 会员专属群点击这里加入QQ群
客服邮箱
回到顶部