电脑桌面
添加小米粒文库到电脑桌面
安装后可以在桌面快捷访问

《检测技术基础》实验指导书VIP专享VIP免费

《检测技术基础》实验指导书_第1页
1/12
《检测技术基础》实验指导书_第2页
2/12
《检测技术基础》实验指导书_第3页
3/12
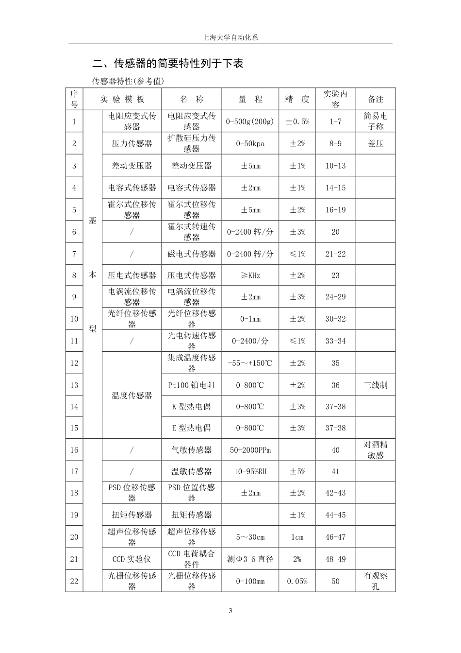
《检测技术基础》实验指导书上海大学自动化系《检测技术基础》实验指导书2CSY2000实验台简介一、实验台组成CSY2000系列传感器与检测技术实验台由主控台、三源板(温度源、转动源、振动源)、15个(基本型)或22个(增强型)传感器和相应的实验模板、数据采集卡及处理软件、实验台桌六部分组成。1、主控台部分,提供高稳定的±15V、+5V、±2V~±10V可调、+2V~+24V可调四种直流稳压电源;主控台面板上还装有电压、频率、转速的3位半数显表。音频信号源(音频振荡器)0.4KHz~10KHz(可调);低频信号源(低频振荡器)1Hz~30Hz(可调);气压源0~15kpa可调;高精度温度控制仪表(控制精度±0.5℃);RS232计算机串行接口;流量计。2、三源板:装有振动台1Hz~30Hz(可调);旋转源0-2400转/分(可调);加热源<200℃(可调)。3、传感器:基本型传感器包括:电阻应变式传感器、扩散硅压力传感器、差动变压器、电容式传感器、霍尔式位移传感器、霍尔式转速传感器、磁电转速传感器、压电式传感器、电涡流位移传感器、光纤位移传感器、光电转速传感器、集成温度传感器、K型热电偶、E型热电偶、Pt100铂电阻,共十五个。增强型部分:可增加温敏传感器、气敏传感器、PSD位置传感器、扭矩传感器、超声移传感器、CCD电荷耦合器件、光栅位移传感器等七种传感器和冲击实验台。4、实验模块部分:普通型有应变式、压力、差动变压器、电容式、电涡流、光纤位移、温度、移相/相敏检波/滤波十个模块。增强型还增加气敏、湿敏、PSD、扭矩、超声波、CCD、光栅、冲击实验八个模块。5、数据采集卡及处理软件:数据采集卡采用12位A/D转换、采样速度1000点/秒,采样速度可以选择,既可单步采样亦能边续采样。标准RS-232接口,与计算机串行工作。提供的处理软件有良好的计算机显示界面,可以进行实验项目选择与编辑,数据采集,特性曲线的分析、比较、文件存取、打印等。6、实验台桌尺寸为1600×800×280(mm),实验台桌上预留计算机及示波器安放位置。上海大学自动化系3二、传感器的简要特性列于下表传感器特性(参考值)序号实验模板名称量程精度实验内容备注1基本型电阻应变式传感器电阻应变式传感器0-500g(200g)±0.5%1-7简易电子称2压力传感器扩散硅压力传感器0-50kpa±2%8-9差压3差动变压器差动变压器±5mm±1%10-134电容式传感器电容式传感器±2mm±1%14-155霍尔式位移传感器霍尔式位移传感器±5mm±2%16-196/霍尔式转速传感器0-2400转/分±3%207/磁电式传感器0-2400转/分≤1%21-228压电式传感器压电式传感器≥KHz±2%239电涡流位移传感器电涡流位移传感器±2mm±3%24-2910光纤位移传感器光纤位移传感器0-1mm±2%30-3211/光电转速传感器0-2400/分≤1%33-3412温度传感器集成温度传感器-55~+150℃±2%3513Pt100铂电阻0-800℃±2%36三线制14K型热电偶0-800℃±3%37-3815E型热电偶0-800℃±3%37-3816/气敏传感器50-2000PPm40对酒精敏感17/温敏传感器10-95%RH±5%4118PSD位移传感器PSD位置传感器±2mm±2%42-4319扭矩传感器扭矩传感器±1%44-4520超声位移传感器超声位移传感器5~30cm1cm46-4721CCD实验仪CCD电荷耦合器件测Φ3-6直径2%48-4922光栅位移传感器光栅位移传感器0-100mm0.05%50有观察孔《检测技术基础》实验指导书4实验一金属箔式应变片测力性能实验一、实验目的:了解金属箔式应变片的应变效应,掌握单臂、半桥、全桥测量方法,比较单臂、半桥、全桥输出时的灵敏度和非线性度,得出相应的结论。二、基本原理:电阻丝在外力作用下发生机械变形时,其电阻值发生变化,这就是电阻应变效应,描述电阻应变效应的关系式为:ΔR/R=Kε式中ΔR/R为电阻丝电阻相对变化,K为应变灵敏系数,ε=Δl/l为电阻丝长度相对变化,金属箔式应变片就是通过光刻、腐蚀等工艺制成的应变敏感元件,通过它转换被测部位受力状态变化、电桥的作用完成电阻到电压的比例变化,电桥的输出电压反应的受力状态。三、需用器件与单元:应变式传感器实验模板、应变式传感器、砝码、数显表、±15V电源、±4V电源、万用表(自备)。四、实验步骤:1、根据图(1-1)应变式传感器已装于应变传感器模板上。传感器中各应变片已接入模板的左上方的R1、R2、R3、R4。加...

1、当您付费下载文档后,您只拥有了使用权限,并不意味着购买了版权,文档只能用于自身使用,不得用于其他商业用途(如 [转卖]进行直接盈利或[编辑后售卖]进行间接盈利)。
2、本站所有内容均由合作方或网友上传,本站不对文档的完整性、权威性及其观点立场正确性做任何保证或承诺!文档内容仅供研究参考,付费前请自行鉴别。
3、如文档内容存在违规,或者侵犯商业秘密、侵犯著作权等,请点击“违规举报”。

碎片内容

《检测技术基础》实验指导书

确认删除?
VIP
微信客服
  • 扫码咨询
会员Q群
  • 会员专属群点击这里加入QQ群
客服邮箱
回到顶部