电脑桌面
添加小米粒文库到电脑桌面
安装后可以在桌面快捷访问

拔销器使用说明书VIP专享VIP免费

拔销器使用说明书_第1页
1/4
拔销器使用说明书_第2页
2/4
拔销器使用说明书_第3页
3/4
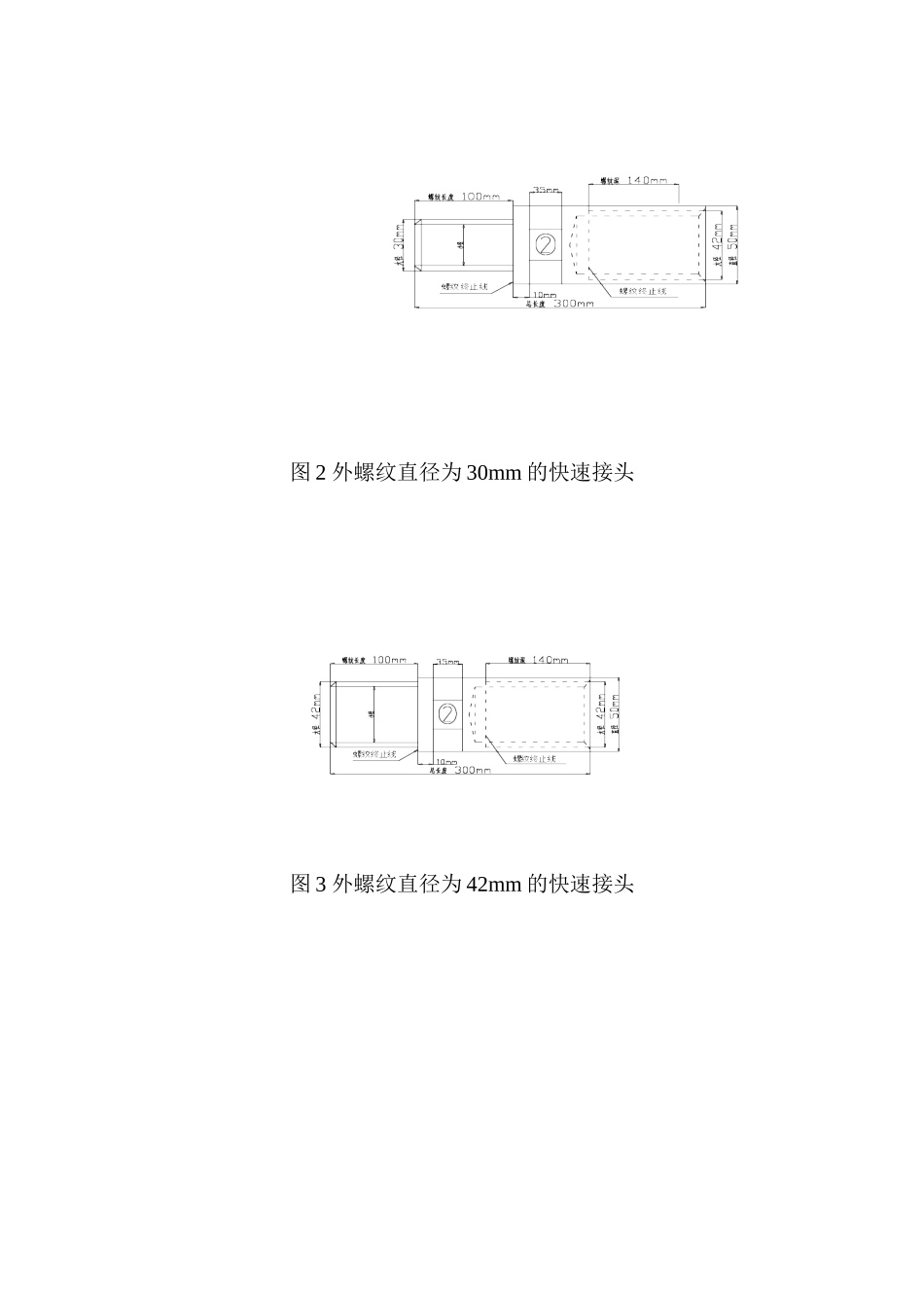
快速拔销器使用说明书2传统拆除销子工艺铰接销传统拆除工艺:加工一个一端带有外螺纹,一端焊接一个挡块,螺杆带有丝扣端与销子内螺纹连接,焊有挡块的后端与手拉葫芦起重链连接,手拉葫芦另一起重链固定在待拆支架的立柱上,操作人员不断拉手拉链,将最后将销子拽出。3传统工艺存在很多缺点⑴由于收到的阻力大,手拉链需要慢慢拉动,拆除速度慢,一个小班能拆除一个整支架的销子,严重影响施工工期进度。⑵在拉动葫芦过程中,葫芦起重链时常有断链发生,此时断的链条以很大速度弹出,如果碰到人,将会造成严重后果,存在较大安全隐患。⑶螺杆经常损坏,一旦损坏就不能重复利用,造成很大的浪费。4拔销器结构拔销器是由滑杆、快速接头组成,具体结构如下图:图1外螺纹直径为24mm的快速接头图2外螺纹直径为30mm的快速接头图3外螺纹直径为42mm的快速接头图4滑杆图5滑块图6装配效果图以上图中①②标记处为加工成六角螺母,以便于快速接头拆卸5拔销器使用方法用带有外螺纹的快速接头与能与该接头相配合的铰接销内螺纹(支架部件铰接销孔的螺纹不尽相同,选用快速接头,加工出不同型号的螺纹)连接,将滑块放入滑杆,用相配套的螺母固定滑杆的另一端,用双股棕绳分别穿过滑块两边对称焊接的耳朵(另外对称的两个耳朵备用)。操作人员分别站在两边,同时向外用力拉滑块,使滑块在滑杆上来回滑动,不断循环撞击螺母,铰接销快速被拔出。工作原理如下图:6拔销器的优点⑴在拔销过程中,随着销子不断受到振动,销子与孔内部接触面的杂物会自动脱落,摩擦力大大减少,提高了拔出销子的速度,一个小班能拔出2个整支架的销子,效率比传统工艺提高1倍。⑵操作人员站在两边并且距离滑块、销子比较远,即使滑块、销子飞出(这种情况在使用过程中从没有出现过),也不会碰到人,保证了人的安全,体现了以人为本。⑶针对铰接销具有不同内的螺纹,我们设计出了与铰接销内螺纹相匹配的快速接头。在拆除销子过程中,如遇到接头损坏情况,或拆除其他销子时,只需更换与铰接销内螺纹相匹配的快速接头即可,不需整体更换,减少了材料的浪费,降低了成本。

1、当您付费下载文档后,您只拥有了使用权限,并不意味着购买了版权,文档只能用于自身使用,不得用于其他商业用途(如 [转卖]进行直接盈利或[编辑后售卖]进行间接盈利)。
2、本站所有内容均由合作方或网友上传,本站不对文档的完整性、权威性及其观点立场正确性做任何保证或承诺!文档内容仅供研究参考,付费前请自行鉴别。
3、如文档内容存在违规,或者侵犯商业秘密、侵犯著作权等,请点击“违规举报”。

碎片内容

拔销器使用说明书

确认删除?
VIP
微信客服
  • 扫码咨询
会员Q群
  • 会员专属群点击这里加入QQ群
客服邮箱
回到顶部