电脑桌面
添加小米粒文库到电脑桌面
安装后可以在桌面快捷访问

《计算机数字控制技术》习题汇总VIP专享VIP免费

《计算机数字控制技术》习题汇总_第1页
1/9
《计算机数字控制技术》习题汇总_第2页
2/9
《计算机数字控制技术》习题汇总_第3页
3/9
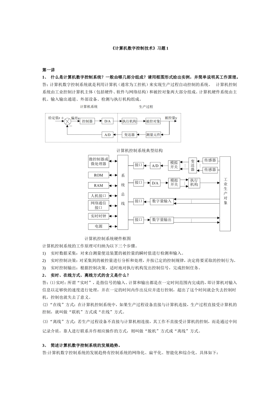
《计算机数字控制技术》习题1第一讲1、什么是计算机数字控制系统?一般由哪几部分组成?请用框图形式给出实例,并简单说明其工作原理。答:计算机数字控制系统就是利用计算机(通常为工控机)来实现生产过程自动控制的系统。计算机控制系统由工业控制计算机主体(包括硬件、软件与网络结构)和被控对象两大部分组成。计算机硬件系统由主机、输入输出通道、外部设备、检测与执行机构组成。计算机控制系统典型结构计算机控制系统硬件框图计算机控制系统的工作原理可归纳为以下三个步骤。1)实时数据采集:对来自测量便送装置的被控量的瞬时值进行检测和输入。2)实时控制决策:对采集到的被控量进行分析和处理,并按已定的控制规律,决定将要采取的控制行为。3)实时控制输出:根据控制决策,适时地对执行机构发出控制信号,完成控制任务。2、实时、在线方式、离线方式的含义是什么?答:(1)实时:所谓“实时”,是指信号的输入、计算和输出都是在一定时间范围内完成的,即计算机对输入信息以足够快的速度进行处理,并在一定的时间内作出反应并进行控制,超出了这个时间就会失去控制时机,控制也就失去了意义。(2)“在线”方式:在计算机控制系统中,如果生产过程设备直接与计算机连接,生产过程直接受计算机的控制,就叫做“联机”方式或“在线”方式。(3)“离线”方式:若生产过程设备不直接与计算机相连接,其工作不直接受计算机的控制,而是通过中间记录介质,靠人进行联系并作相应操作的方式,则叫做“脱机”方式或“离线”方式。3、简述计算机数字控制系统的发展趋势。答:计算机数字控制系统的发展趋势有控制系统的网络化、扁平化、智能化和综合化。具体如下:采用可编程控制器(PLC);采用新型的控制系统;实现最优控制;自适应控制;人工智能;模糊控制;预测控制。第二讲4、简述计算机控制系统中过程通道的基本类型及其作用。答:过程通道是在计算机和生产过程之间设置的信息传送和转换的连接通道,它包括模拟量输入通道、模拟量输出通道、数字量输入通道、数字量输出通道。5、简述计算机控制系统抗干扰技术的基本措施。答:计算机控制系统抗干扰技术的基本措施有硬件措施、软件措施和软硬结合等措施。硬件措施主要有过程通道抗干扰技术、主机抗干扰技术和系统供电与接地技术等。6、什么是采样过程、量化误差、孔径时间?答:采样过程是按一定的时间间隔T,把时间上连续和幅值上也连续的模拟信号,转换成在时刻0、T、2T、…、KT的一连串脉冲输出信号的过程。量化就是采用一组数码来逼近离散模拟信号的幅值,将其转化为数字信号,量化过程实际上是一个用量化单位q去度量采样幅值高低的小数规整过程,因而存在量化误差,量化误差为(±1/2)q。在模拟量输入通道中,A/D转换器将模拟信号转换成数字量总需要一定的时间,完场一次A/D转换所需要的时间称之为孔径时间。7、采样保持器的作用是什么?是否所有的模拟量输入通道中都需要采样保持器?为什么?答:采样保持器的作用:A/D转换器完成一次A/D转换总需要一定的时间。在进行A/D转换时间内,希望输入信号不再变化,以免造成转换误差。这样,就需要在A/D转换器之前加入采样保持器。而当被采样信号频率较低,且采样精度要求不高时,可不用采样保持器。8、什么是串模干扰和共模干扰?如何抑制?答:串模干扰就是指串联叠加在工作信号上的干扰。串模干扰的抑制方法应从干扰信号的特征和来源入手,分别对不同情况采取相应的措施。消除串模干扰的方法有以下几种:在输入回路中接入模拟滤波器;使用双积分式A/D转换器;采用双绞线作为信号线。共模干扰是在电路输入端相对公共接地点同时出现的干扰。共模干扰主要是由电源的地、放大器的地以及信号源的地之间的传输线上电压降造成得。消除共模干扰的方法有以下几种:变压器隔离;光电隔离;浮地屏蔽;采用具有高共模抑制比的的仪表放大器作为输入放大器。第三讲1.指出采样保持器和零阶保持器在数字离散控制系统的功能与作用。采样保持器是连接采样器和模数转换器的中间环节。采样器是一种开关电路或装置,它在固定时间点上取出被处理信号的值。采样保持器则把这个信号值放大后存储起来,保持...

1、当您付费下载文档后,您只拥有了使用权限,并不意味着购买了版权,文档只能用于自身使用,不得用于其他商业用途(如 [转卖]进行直接盈利或[编辑后售卖]进行间接盈利)。
2、本站所有内容均由合作方或网友上传,本站不对文档的完整性、权威性及其观点立场正确性做任何保证或承诺!文档内容仅供研究参考,付费前请自行鉴别。
3、如文档内容存在违规,或者侵犯商业秘密、侵犯著作权等,请点击“违规举报”。

碎片内容

《计算机数字控制技术》习题汇总

确认删除?
VIP
微信客服
  • 扫码咨询
会员Q群
  • 会员专属群点击这里加入QQ群
客服邮箱
回到顶部