电脑桌面
添加小米粒文库到电脑桌面
安装后可以在桌面快捷访问

最终 工厂供电课程设计题目VIP免费

最终 工厂供电课程设计题目_第1页
1/26
最终 工厂供电课程设计题目_第2页
2/26
最终 工厂供电课程设计题目_第3页
3/26
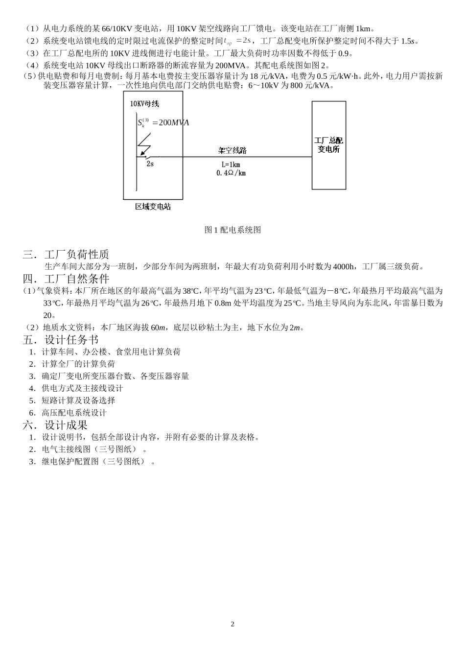
工厂供电课程设计说明:每个人1题,按照学号的最后序号1-10分别对应第1-10的设计题目来做。凡是相同的题目做的结果如果雷同,成绩则为0分。题目1某加工厂供配电系统设计一.负荷情况某厂变电所担负三个车间、一个办公楼和一个食堂的供电任务,负荷均为380/220V负荷。各部门电气设备、负荷情况如下:(一)一号车间一号车间接有下表所列用电设备编号用电设备名称数量铭牌上额定功率需要系数功率因数备注1冷加工机床20合计45KW0.14~0.160.52吊车组110.5KW0.120.5FC=25%3电焊机122KVA0.50.6FC=60%4电焊机28.95KVA0.50.6FC=100%(二)二号车间二号车间接有下表所列用电设备编号用电设备名称数量铭牌上额定功率需要系数功率因数备注1电加热设备24KW0.812吊车组110.5KW0.20.5FC=25%3电焊机122KVA0.50.6FC=60%4电焊机14.5KVA0.50.6FC=100%(三)三号车间三号车间接有下表所列用电设备编号用电设备名称铭牌上额定功率需要系数功率因数备注1装在车间起重机7.5KW0.150.52各类装备用电器7.5KW0.80.83照明2.5KW0.80.8(四)办公楼办公楼接有下表所列用电设备负荷编号用电设备名称铭牌上额定功率需要系数功率因数备注1照明20KW0.80.82空调及通风设备75KW0.80.83电梯10KW0.60.7(五)食堂食堂接有下表所列用电设备负荷编号用电设备名称铭牌上额定功率需要系数功率因数备注1风机、空调机、照明8.8KW0.80.82食品加工机械3.0KW0.70.83电饭锅、电烤箱、电炒锅9.0KW0.81.04电冰箱1.5KW0.70.7二、供用电协议1(1)从电力系统的某66/10KV变电站,用10KV架空线路向工厂馈电。该变电站在工厂南侧1km。(2)系统变电站馈电线的定时限过电流保护的整定时间,工厂总配变电所保护整定时间不得大于1.5s。(3)在工厂总配电所的10KV进线侧进行电能计量。工厂最大负荷时功率因数不得低于0.9。(4)系统变电站10KV母线出口断路器的断流容量为200MVA。其配电系统图如图2。(5)供电贴费和每月电费制:每月基本电费按主变压器容量计为18元/kVA,电费为0.5元/kW·h。此外,电力用户需按新装变压器容量计算,一次性地向供电部门交纳供电贴费:6~10kV为800元/kVA。图1配电系统图三.工厂负荷性质生产车间大部分为一班制,少部分车间为两班制,年最大有功负荷利用小时数为4000h,工厂属三级负荷。四.工厂自然条件(1)气象资料:本厂所在地区的年最高气温为38oC,年平均气温为23oC,年最低气温为-8oC,年最热月平均最高气温为33oC,年最热月平均气温为26oC,年最热月地下0.8m处平均温度为25oC。当地主导风向为东北风,年雷暴日数为20。(2)地质水文资料:本厂地区海拔60m,底层以砂粘土为主,地下水位为2m。五.设计任务书1.计算车间、办公楼、食堂用电计算负荷2.计算全厂的计算负荷3.确定厂变电所变压器台数、各变压器容量4.供电方式及主接线设计5.短路计算及设备选择6.高压配电系统设计六.设计成果1.设计说明书,包括全部设计内容,并附有必要的计算及表格。2.电气主接线图(三号图纸)。3.继电保护配置图(三号图纸)。2题目2某纺织厂供配电系统设计一.原始资料1.工厂负荷数据:工厂多数车间为2班制,年最大负荷利用小时数4600小时。工厂负荷统计资料见表1。设计需要考虑工厂5年发展规划负荷(工厂负荷年增长率按2%)。表1:化纤厂负荷情况表序号车间及设备安装容量(kW)需要系数1纺练车间纺丝机2000.800.78筒绞机300.750.75烘干机850.751.02脱水机120.600.80通风机1800.700.75淋洗机60.750.78变频机8400.800.70传送机400.800.702原液车间照明10400.750.703酸站照明2600.650.704锅炉房照明3200.750.755排毒车间照明1600.700.606其他车间照明2400.700.752.供电电源请况:按与供电局协议,本厂可由16公里处的城北变电所(110/38.5/11kV),90MVA变压器供电,供电电压可任选。另外,与本厂相距5公里处的其他工厂可以引入10kV电缆做备用电源,但容量只能满足本厂负荷的20%(重要负荷),平时不准投入,只在本厂主要电源故障或检修时投入。3.电源的短路容量(城北变电所):35kV母线的出线断路器断流容量为400MVA;10kV母线的出线断路器断流容量为350MVA。4.电费制度:按两部制电费计算。变压安装容量每1kVA为...

1、当您付费下载文档后,您只拥有了使用权限,并不意味着购买了版权,文档只能用于自身使用,不得用于其他商业用途(如 [转卖]进行直接盈利或[编辑后售卖]进行间接盈利)。
2、本站所有内容均由合作方或网友上传,本站不对文档的完整性、权威性及其观点立场正确性做任何保证或承诺!文档内容仅供研究参考,付费前请自行鉴别。
3、如文档内容存在违规,或者侵犯商业秘密、侵犯著作权等,请点击“违规举报”。

碎片内容

最终 工厂供电课程设计题目

确认删除?
VIP
微信客服
  • 扫码咨询
会员Q群
  • 会员专属群点击这里加入QQ群
客服邮箱
回到顶部