电脑桌面
添加小米粒文库到电脑桌面
安装后可以在桌面快捷访问

2013年河南省中考化学试题(word版)附答案VIP免费

2013年河南省中考化学试题(word版)附答案_第1页
1/6
2013年河南省中考化学试题(word版)附答案_第2页
2/6
2013年河南省中考化学试题(word版)附答案_第3页
3/6
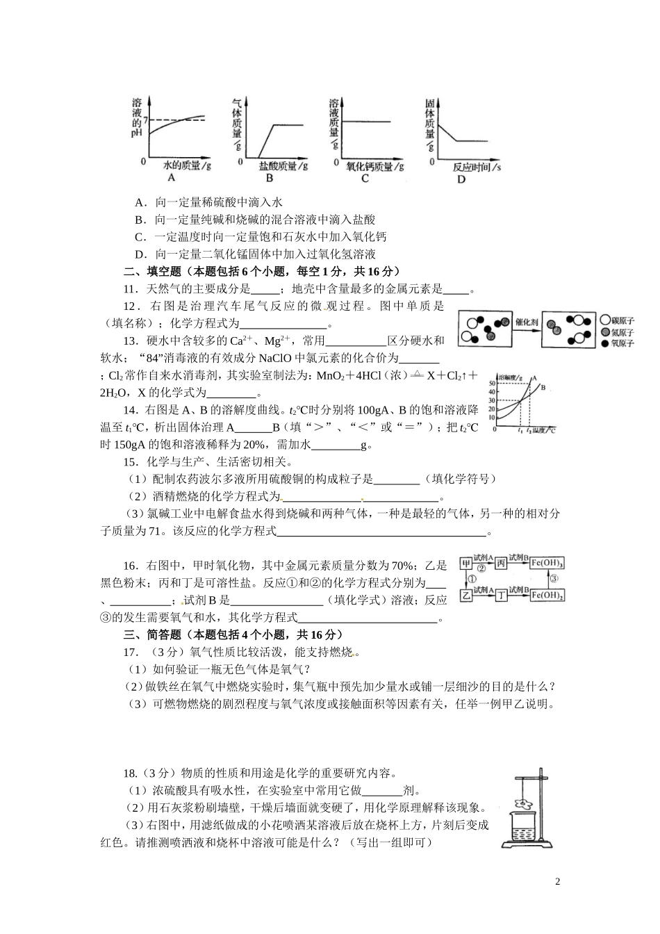
12013年河南省初中学业水平暨高级中等学校招生考试试卷化学相对原子质量H—1Li-7C—12O—16Al—27Na—23Cl—35.5Fe—56一、一、选择题(本题包括10个小题,每小题1分,共10分)下列各题,每题只有一个选项符合题意,请将正确选项的标号填入题后括号内。[来源:学.科.网Z.X.X.K][来源:学科网]1.能源与生活息息相关。下列利用化学反应获得电能的是A.风力发电B.水力发电C.火力发电D.太阳能发电2.下列图标中,属于我国制定的塑料包装制品回收标志的是ABCD3.下列各项中,不属于我国《环境空气质量标准》基本监控项目的是A.二氧化硫浓度B.氮气浓度C.二氧化氮浓度D.PM2.5浓度4.2013年5月在郑州举办的第八届中国中部投资贸易博览会上,河南大枣等果蔬类产品颇受青睐。下列人体需要的营养素主要由水果、蔬菜提供的是A.维生素B.油脂C.淀粉D.蛋白质5.下列结构示意图表示的粒子中,属于离子的是ABCD6.分类法是化学学习的重要方法。下列说法正确的是A.醋酸和干冰都属于有机物B.不锈钢和金刚石都属于合金C.尿素和硝酸钾都属于复合肥料D.锌和碘都属于人体必需的微量元素7.下列图示实验所得出的结论中,不正确的是A.氧气约占空气体积的1/5B.二氧化碳的密度比空气大且不支持燃烧C.天平不平衡说明该反应不遵守质量守恒定律D.燃烧条件之一是温度需达到可燃物的着火点8.有化合价升降的反应是氧化还原反应。下列一定不是氧化还原反应的是A.化合反应B.分解反应C.置换反应D.复分解反应9.探究金属活动性顺序时,将锌粒放入硫酸铜溶液中,锌粒表面有紫红色物质析出,还有无色无味气体产生的“异常”现象。推测该气体可能是A.氢气B.二氧化硫C.二氧化碳D.一氧化碳10.下列图像分别与选项中的操作相对应,其中合理的是2A.向一定量稀硫酸中滴入水B.向一定量纯碱和烧碱的混合溶液中滴入盐酸C.一定温度时向一定量饱和石灰水中加入氧化钙D.向一定量二氧化锰固体中加入过氧化氢溶液二、填空题(本题包括6个小题,每空1分,共16分)11.天然气的主要成分是;地壳中含量最多的金属元素是。12.右图是治理汽车尾气反应的微观过程。图中单质是(填名称);化学方程式为。13.硬水中含较多的Ca2+、Mg2+,常用区分硬水和软水;“84”消毒液的有效成分NaClO中氯元素的化合价为;Cl2常作自来水消毒剂,其实验室制法为:MnO2+4HCl(浓)△X+Cl2↑+2H2O,X的化学式为。14.右图是A、B的溶解度曲线。t2℃时分别将100gA、B的饱和溶液降温至t1℃,析出固体治理AB(填“>”、“<”或“=”);把t2℃时150gA的饱和溶液稀释为20%,需加水g。15.化学与生产、生活密切相关。(1)配制农药波尔多液所用硫酸铜的构成粒子是(填化学符号)(2)酒精燃烧的化学方程式为。(3)氯碱工业中电解食盐水得到烧碱和两种气体,一种是最轻的气体,另一种的相对分子质量为71。该反应的化学方程式。16.右图中,甲时氧化物,其中金属元素质量分数为70%;乙是黑色粉末;丙和丁是可溶性盐。反应①和②的化学方程式分别为、;试剂B是(填化学式)溶液;反应③的发生需要氧气和水,其化学方程式。三、简答题(本题包括4个小题,共16分)17.(3分)氧气性质比较活泼,能支持燃烧。(1)如何验证一瓶无色气体是氧气?(2)做铁丝在氧气中燃烧实验时,集气瓶中预先加少量水或铺一层细沙的目的是什么?(3)可燃物燃烧的剧烈程度与氧气浓度或接触面积等因素有关,任举一例甲乙说明。18.(3分)物质的性质和用途是化学的重要研究内容。(1)浓硫酸具有吸水性,在实验室中常用它做剂。(2)用石灰浆粉刷墙壁,干燥后墙面就变硬了,用化学原理解释该现象。(3)右图中,用滤纸做成的小花喷洒某溶液后放在烧杯上方,片刻后变成红色。请推测喷洒液和烧杯中溶液可能是什么?(写出一组即可)319.(4分)在实验室中可选择下图装置制取气体。(1)若选择A、F组合一套装置制取了某气体,请写出有关反应的化学方程式。(2)制取CO2的化学方程式为;其发生装置可选择B或C,与B相比较,C的主要优点是什么?(3)若用金属与酸反应来制取氢气,应选择以上哪些装置?(写出一套即可)2O.(4分)某化学小组用一定量AgNO3...

1、当您付费下载文档后,您只拥有了使用权限,并不意味着购买了版权,文档只能用于自身使用,不得用于其他商业用途(如 [转卖]进行直接盈利或[编辑后售卖]进行间接盈利)。
2、本站所有内容均由合作方或网友上传,本站不对文档的完整性、权威性及其观点立场正确性做任何保证或承诺!文档内容仅供研究参考,付费前请自行鉴别。
3、如文档内容存在违规,或者侵犯商业秘密、侵犯著作权等,请点击“违规举报”。

碎片内容

2013年河南省中考化学试题(word版)附答案

您可能关注的文档

精品文档+ 关注
实名认证
内容提供者

中小学学习资料大全

相关文档

确认删除?
VIP
微信客服
  • 扫码咨询
会员Q群
  • 会员专属群点击这里加入QQ群
客服邮箱
回到顶部