电脑桌面
添加小米粒文库到电脑桌面
安装后可以在桌面快捷访问

-AM05_在建工程结算流程VIP免费

-AM05_在建工程结算流程_第1页
1/34
-AM05_在建工程结算流程_第2页
2/34
-AM05_在建工程结算流程_第3页
3/34
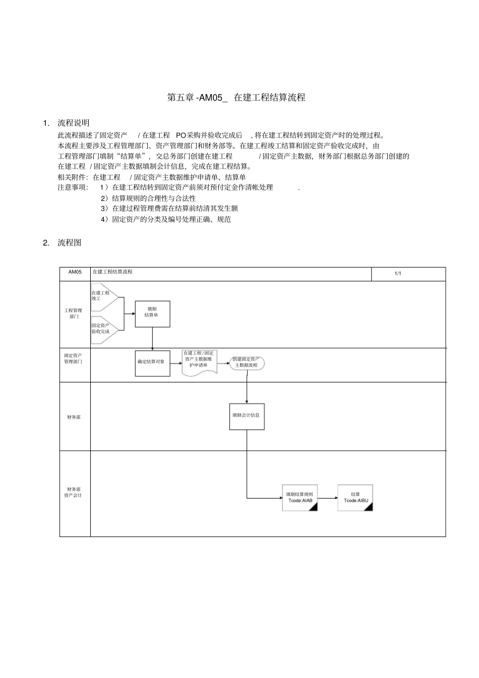
第五章-AM05_在建工程结算流程1.流程说明此流程描述了固定资产/在建工程PO采购并验收完成后,将在建工程结转到固定资产时的处理过程。本流程主要涉及工程管理部门、资产管理部门和财务部等。在建工程竣工结算和固定资产验收完成时,由工程管理部门填制“结算单”,交总务部门创建在建工程/固定资产主数据,财务部门根据总务部门创建的在建工程/固定资产主数据填制会计信息,完成在建工程结算。相关附件:在建工程/固定资产主数据维护申请单、结算单注意事项:1)在建工程结转到固定资产前须对预付定金作清帐处理.2)结算规则的合理性与合法性3)在建过程管理费需在结算前结清其发生额4)固定资产的分类及编号处理正确、规范2.流程图在建工程结算流程AM05工程管理部门财务部固定资产管理部门在建工程竣工填制结算单确定结算对象填制会计信息填制结算规则Tcode:AIAB财务部资产会计结算Tcode:AIBU固定资产验收完成创建固定资产主数据流程在建工程/固定资产主数据维护申请单1/13.系统操作3.1.操作范例在建工程结算:1)在建工程主数据创建:同仁宿舍改造工程主数据创建2)在建工程过帐:同仁宿舍改造工程过帐3)固定资产主数据创建:同仁宿舍4)在建工程结算:同仁宿舍改造工程价值转移至固定资产同仁宿舍5)跨公司代码在建工程结算:装修费用a)在建工程主数据创建(总公司下)b)在建工程过帐:装修工程过帐c)固定资产主数据创建(分公司下)d)在建工程结算:装修费用价值转移至分公司固定资产(递延资产)3.2.系统菜单及交易代码1)在建工程主数据创建:同仁宿舍改造工程主数据创建路径:会计财务会计固定资产资产创建交易代码:AS012)同仁宿舍改造工程过帐路径:会计财务会计固定资产过帐外部购置有供应商交易代码:F-903)固定资产主数据创建:同仁宿舍路径:会计财务会计固定资产资产创建交易代码:AS014)在建工程结算路径:会计财务会计固定资产过帐在建工程资本化交易代码:AIAB5)跨公司代码在建工程结算:装修费用a)在建工程主数据创建(总公司下)路径:会计财务会计固定资产资产创建交易代码:AS01b)在建工程过帐:装修工程过帐路径:会计财务会计固定资产过帐外部购置有供应商交易代码:F-90b)固定资产主数据创建(分公司下)路径:会计财务会计固定资产资产创建交易代码:AS01c)在建工程结算:装修费用价值转移至分公司固定资产(递延资产)路径:会计财务会计固定资产过帐在建工程资本化交易代码:AIAB3.3.系统屏幕及栏位解释2)在建工程主数据创建:同仁宿舍改造工程主数据创建路径:会计财务会计固定资产资产创建交易代码:AS01栏位名称栏位说明资料范例资产分类资产类型的编号。资产类型的资产连续编号,不同资产类型的资产编号范围不同。震旦在建工程资产类型A4000。A4000:在建工程公司代码为财务会计的组织结构基本单元,在其层面上出具资产负债表和损益表等法定会计报表,震旦家具公司之公司代码设定为自“F001”至“F999”F001:震旦总部类似资产的编号同时创建具有相同属性的资产的数量1:同时创建1个相同属性的资产参照:资产已创建具有相同属性的资产编号。可将该资产的属性复制至新创建的资产参照:次级编号附属于参照资产的次级资产编号参照:公司代码参照资产所属公司代码按键进入下一个画面。栏位名称栏位说明资料范例描述1在建工程名称同仁宿舍改造描述2未使用资产主编号文本在建工程主体的名称缺省为描述1内容数量该在建工程编号下在建工程单位的个数及计量单位1历史性管理确定该资产是否在资产列表中显示以及其价值、交易数据在停止使用前是否可修改√选择“相关时间”进入下一个画面。栏位名称栏位说明资料范例业务范围跨公司代码的核算环境以出具跨公司代码的资产负债表和损益表,震旦家具公司业务范围区分为震旦中国家具董事会(1001)和震旦中国办公家具(1002)1002:震旦中国办公家具成本中心管理会计中组织结构的基本单位,用于归集成本/费用。其中成本中心前四位为成本中心所在公司代码F0011071:震旦总部财务部执照牌号未使用未使用资产停用标记在建工程已处于停止状态未使用选择“折旧范围”进入下一画面根据我国财务会计准则,在建工程不计提折旧,因此此画...

1、当您付费下载文档后,您只拥有了使用权限,并不意味着购买了版权,文档只能用于自身使用,不得用于其他商业用途(如 [转卖]进行直接盈利或[编辑后售卖]进行间接盈利)。
2、本站所有内容均由合作方或网友上传,本站不对文档的完整性、权威性及其观点立场正确性做任何保证或承诺!文档内容仅供研究参考,付费前请自行鉴别。
3、如文档内容存在违规,或者侵犯商业秘密、侵犯著作权等,请点击“违规举报”。

碎片内容

-AM05_在建工程结算流程

您可能关注的文档

确认删除?
VIP
微信客服
  • 扫码咨询
会员Q群
  • 会员专属群点击这里加入QQ群
客服邮箱
回到顶部