电脑桌面
添加小米粒文库到电脑桌面
安装后可以在桌面快捷访问

电磁兼容原理-课程设计VIP免费

电磁兼容原理-课程设计_第1页
1/11
电磁兼容原理-课程设计_第2页
2/11
电磁兼容原理-课程设计_第3页
3/11
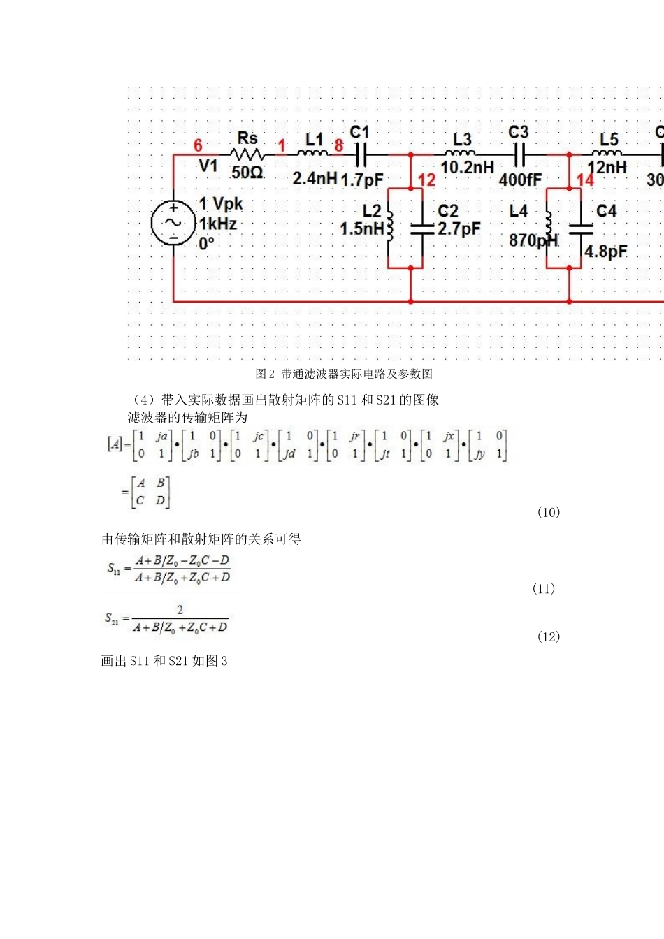
《电磁兼容原理与设计》课程设计报告姓名:庞平;班级:2012029170;学号:2012029170017姓名:丁启程;班级:2012029170;学号:2012029170009完成日期:2015年4月12日I、目标设计一个LC带通滤波器,其通带位于[2.0,3.0]GHz,通带内的回波损耗为-20dB,在4.0GHz处的带外抑制至少为20dB。源电阻及负载皆为50欧姆。II、设计原理、过程及结果对于本次的设计,我们组采用最平坦型低通滤波器来变换设计,其频率衰减特性用巴特沃斯函数拟合:由微波网络知识,由带通滤波器到低通原型滤波器的频率变换公式[1]为:(1)其中,为带通滤波器频率;为低通原型滤波器频率;,为带通滤波器截止频率;为带通滤波器中心频率;:相对带宽。(1)确定滤波器级数为了保证在元件公差为5%是出现的截止频率,所以选择通带范围为1.9GHz—3.2GHz。由设计参数的约束,首先考虑本次设计采用几阶的滤波器。本次设计从回波损耗和衰减来确定阶数。有微波网络相关知识[1],可以得到回波损耗和衰减的关系:(2)其中LA为衰减,RL为回波损耗。巴特沃斯低通原型的衰减函数为:(3)其中,n为滤波器阶数。为了对任意频率的滤波器都适用,可以采用归一化频率(4)衰减函数改为(5)令,可以得到是由通带内最大衰减决定(6)阶数n由带外最小衰减决定(7)(2)设计滤波器低通原型有数据可以得到阶数为8级滤波器,我们用电感输入式的低通模型,其电路图和元件参数如图1图1低通原型电路及参数图(3)把滤波器由低通原型换算到带通滤波器低通原型滤波器中串联支路变换到带通滤波器中为电感与电容相串联形成的谐振电路,换算关系为:(8)低通原型滤波器中并联支路变换到带通滤波器中为电感与电容相并联形成的谐振电路,换算关系为:(8)负载关系为:(9)由以上关系式计算得到带通滤波器的实际参数和实际电路如图2:图2带通滤波器实际电路及参数图(4)带入实际数据画出散射矩阵的S11和S21的图像滤波器的传输矩阵为(10)由传输矩阵和散射矩阵的关系可得(11)(12)画出S11和S21如图30123456-140-120-100-80-60-40-200S11S21和的图像f(GHz)频率dB幅值()S11S21图3S11和S21图像根据该模型计算得散射系数S11(2GHz)=-15.6,S11(3GHz)=-20.1,S11(4GHz)=-0.001;S21(2GHz)=-0.12,S21(3GHz)=-0.04,S21(4GHz)=-44.88;(5)用专用软件FilterSolutions进行设计根据设计要求和已计算出的滤波器所需最低阶数:中心频率:f=2.5GHz;通带带宽取宽于设计要求:Δf=1.5GHz;所需最低阶数n=8;输入输出阻抗:Rin=Ro=50Ω可以使用FilterSolutions帮助进行快速设计。使用以上参数设计的巴特沃兹带通滤波器电路及参数如图4:图4巴特沃兹带通滤波器电路及参数由FilterSolutions仿真绘图可得到该电路的频率响应(如图5)和反射系数(如图6):图5滤波器的频率响应图6滤波器的反射系数由以上仿真图像可得到:频率响应S21(2GHz)=-0.04,S21(3GHz)=-0.001,S21(4GHz)=-34.34;反射系数ref(2GHz)=-19.29,ref(3GHz)=-35.29,ref(4GHz)=-0.0016;回波损耗S11(2GHz)=-38.58,S11(3GHz)=-70.58,S11(4GHz)=-0.0032;(6)模型的检验与分析由于matlab库函数有巴特沃斯模型,我们就先用matlab库函数的模型简单绘出波特图,如图7,与自己设计的参数图像对比。11.522.533.544.555.56-50-40-30-20-10010matlab库函数得到的波特图f(GHz)频率dB增益()图7matlab库函数衰减图根据该模型模型得到的降增益理论值:H(2)=-0.12;H(3)=-0.04;H(4)=-44.88;1.III、结果讨论1.对比matlab中的巴特沃兹模型的降增益和使用matlab计算参数所设计的滤波器的散射参数,结果在误差范围内一致(降增益在小数点后四位才出现差别)。2.对比使用matlab计算参数所设计的滤波器与使用FilterSolutions设计的滤波器,前者的通带稍有偏移,而后者则完全满足设计要求。IV、备注%--------程序1:求解所需滤波器的级数-----------f1=1.9;%通带截止频率f2=3.2;%通带截止频率f3=4;%阻带截止频率RL=20;%通带回波损耗As=20;%阻带最小抑制%技术指标fc=sqrt(f1*f2);W=(f2-f1)/fc;f11=1/W*(f1/fc-fc/f1);f22=1/W*(f2/fc-fc/f2);f33=1/W*(f3/fc-fc/f3);%频率换算LA=-10*log10(1-10^(-R...

1、当您付费下载文档后,您只拥有了使用权限,并不意味着购买了版权,文档只能用于自身使用,不得用于其他商业用途(如 [转卖]进行直接盈利或[编辑后售卖]进行间接盈利)。
2、本站所有内容均由合作方或网友上传,本站不对文档的完整性、权威性及其观点立场正确性做任何保证或承诺!文档内容仅供研究参考,付费前请自行鉴别。
3、如文档内容存在违规,或者侵犯商业秘密、侵犯著作权等,请点击“违规举报”。

碎片内容

电磁兼容原理-课程设计

墨香书阁+ 关注
实名认证
内容提供者

热爱教学事业,对互联网知识分享很感兴趣

确认删除?
VIP
微信客服
  • 扫码咨询
会员Q群
  • 会员专属群点击这里加入QQ群
客服邮箱
回到顶部