电脑桌面
添加小米粒文库到电脑桌面
安装后可以在桌面快捷访问

SG-ZL-002--电气质量通病防治措施报审表VIP免费

SG-ZL-002--电气质量通病防治措施报审表_第1页
1/13
SG-ZL-002--电气质量通病防治措施报审表_第2页
2/13
SG-ZL-002--电气质量通病防治措施报审表_第3页
3/13
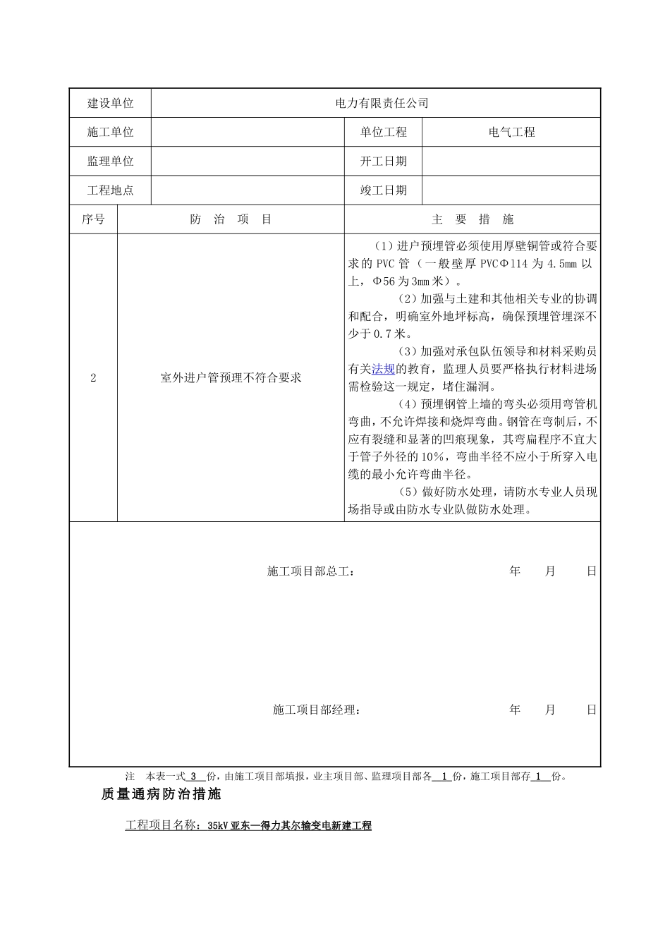
质量通病防治措施报审表工程名称:输变电新建工程编号:SG-ZL-002致xxxxxxxxxxxxxxxxxxxx监理项目部:现报上输变电新建工程质量通病防治措施报审表,请审查。附件:质量通病防治措施施工项目部(章):项目经理:日期:监理项目部审查意见:监理项目部(章):总监理工程师:专业监理工程师:日期:建设管理单位审批意见:建设管理单位(章):项目经理:日期:注本表一式3份,由施工项目部填报,业主项目部、监理项目部各1份,施工项目部存1份。质量通病防治措施工程项目名称:35kV亚东—得力其尔输变电新建工程建设单位电力有限责任公司施工单位单位工程电气工程监理单位开工日期工程地点竣工日期序号防治项目主要措施1防雷接地质量通病1)加强对焊工的技能培训,要求做到搭接焊处焊缝饱满、平整均匀,特别是对立焊、仰焊等难度较高的焊接进行培训。(2)增强管理人员和焊工的责任心,及时补焊不合格的焊缝,并及时敲掉焊渣,刷防锈漆。(3)根据GB501692《电气装置安装工程接地装置施工及验收规范》规定,避雷引下线的连接为搭接焊接,搭接长度为圆钢直径的6倍,因此,不允许用螺纹钢代替圆钢作搭接钢筋。另外,作为引下线的主钢筋土建如是对头碰焊的,应在碰焊处按规定补一搭接圆钢。施工项目部总工:年月日施工项目部经理:年月日注本表一式3份,由施工项目部填报,业主项目部、监理项目部各1份,施工项目部存1份。质量通病防治措施工程项目名称:35kV亚东—得力其尔输变电新建工程建设单位电力有限责任公司施工单位单位工程电气工程监理单位开工日期工程地点竣工日期序号防治项目主要措施2室外进户管预理不符合要求(1)进户预埋管必须使用厚壁铜管或符合要求的PVC管(一般壁厚PVCΦl14为4.5mm以上,Φ56为3mm米)。(2)加强与土建和其他相关专业的协调和配合,明确室外地坪标高,确保预埋管埋深不少于0.7米。(3)加强对承包队伍领导和材料采购员有关法规的教育,监理人员要严格执行材料进场需检验这一规定,堵住漏洞。(4)预埋钢管上墙的弯头必须用弯管机弯曲,不允许焊接和烧焊弯曲。钢管在弯制后,不应有裂缝和显著的凹痕现象,其弯扁程序不宜大于管子外径的10%,弯曲半径不应小于所穿入电缆的最小允许弯曲半径。(5)做好防水处理,请防水专业人员现场指导或由防水专业队做防水处理。施工项目部总工:年月日施工项目部经理:年月日注本表一式3份,由施工项目部填报,业主项目部、监理项目部各1份,施工项目部存1份。质量通病防治措施工程项目名称:35kV亚东—得力其尔输变电新建工程建设单位电力有限责任公司施工单位单位工程电气工程监理单位开工日期工程地点竣工日期序号防治项目主要措施3电线管(钢管、PVC管)敷设不符合要求(1)加强对现场施工人员施工过程的质量控制,对工人进行针对性的培训工作;管理人员要熟悉有关规范,从严管理。(2)电线管多层重叠一般出现在高层建筑的公共通道中。当塔楼的住宅每层有6套以上时,建议土建最好采用公共走廊天花吊顶的紧饰方式,这样电专业的大部分进户线可以通过在吊顶之上敷设的线槽直接进入住户。也可以采用加厚公共走道楼板的方式,使众多的电线管得以隐蔽。电气专业施工人员布管时应尽量减少同一点处线管的重叠层数。(3)电线层不能并排紧贴,如施工中很难明显分开,可用小水泥块将其隔开。(4)电线管埋入砖墙内,离其表面的距离不应小子15mm,管道敷设要“横平竖直”。(5)电线管的弯曲半径(暗埋)不应小于管子外径的10倍,管子弯曲要用弯管机或拗捧使弯曲处平整光滑,不出现扁折、凹痕等现象。(6)电线管进入配电箱要平整,露出长度为3-5mm,管口要用护套并锁紧箱壳。进入落地式配电箱的电线管,管口宜高出配电箱基础面50-80mm。(7)预埋PVC电线管时,禁止用钳将管口夹扁、拗弯,应用符合管径的PVC塞头封盖管口,并用胶布绑扎牢固。施工项目部总工:年月日施工项目部经理:年月日注本表一式3份,由施工项目部填报,业主项目部、监理项目部各1份,施工项目部存1份。质量通病防治措施工程项目名称:35kV亚东—得力其尔输变电新建工程建设单位电力有限责任公司施工单位单位工程电气工程监理单位开工日期工程地...

1、当您付费下载文档后,您只拥有了使用权限,并不意味着购买了版权,文档只能用于自身使用,不得用于其他商业用途(如 [转卖]进行直接盈利或[编辑后售卖]进行间接盈利)。
2、本站所有内容均由合作方或网友上传,本站不对文档的完整性、权威性及其观点立场正确性做任何保证或承诺!文档内容仅供研究参考,付费前请自行鉴别。
3、如文档内容存在违规,或者侵犯商业秘密、侵犯著作权等,请点击“违规举报”。

碎片内容

SG-ZL-002--电气质量通病防治措施报审表

确认删除?
VIP
微信客服
  • 扫码咨询
会员Q群
  • 会员专属群点击这里加入QQ群
客服邮箱
回到顶部