电脑桌面
添加小米粒文库到电脑桌面
安装后可以在桌面快捷访问

海尔BCD-130EN电冰箱维修手册- BCD-130EN 服务手册VIP专享VIP免费

海尔BCD-130EN电冰箱维修手册- BCD-130EN 服务手册_第1页
1/14
海尔BCD-130EN电冰箱维修手册- BCD-130EN 服务手册_第2页
2/14
海尔BCD-130EN电冰箱维修手册- BCD-130EN 服务手册_第3页
3/14
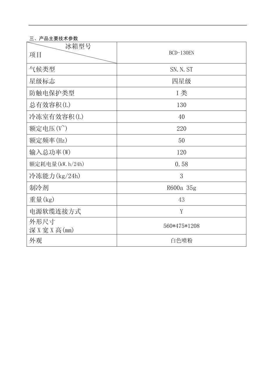
下载网址:技术支持邮箱:zhlgkjsb@haier.com型号:BCD-130EN手册编号(专用号)0060505414BCD-130EN服务手册第一章产品规格一、产品的主要功能和特点1.超大冷藏室,可贮存大量的水果、蔬菜等,为现代化的生活带来了方便。2.采用直冷式设计,保持食品水份,水果蔬菜保温保鲜不串味.3.采用平背式结构,外观整洁美观.二、产品的衍生关系和通用性在BCD-130HTB的基础上进行改进,箱体加高50mm,制冷系统重新设计,桶式蒸发器改贴敷式,冷冻内胆重新设计。.三、产品主要技术参数冰箱型号项目BCD-130EN气候类型SN.N.ST星级标志四星级防触电保护类型I类总有效容积(L)130冷冻室有效容积(L)40额定电压(V~)220额定频率(Hz)50输入总功率(W)120额定耗电量(kW.h/24h)0.58冷冻能力(kg/24h)3制冷剂R600a35g重量(kg)43电源软缆连接方式Y外形尺寸深X宽X高(mm)560*475*1208外观白色喷粉第二章安全预防措施一、该冰箱使用交流220V/50Hz电源若电压波动范围较大(超过176~242V的范围),有可能造成冰箱不启动,控制板和压缩机烧坏,或压缩机工作声音异常等故障,此时必须加装750W以上的自动稳压器配合使用。二、必须使用独立专用插座并进行可靠接地本冰箱的电源线配有三线(接地)插头,与标准三线(接地)插座匹配。在任何情况下,切勿切除或拆除电源线的第三插脚(接地)。冰箱安装到位后,插头应可接触,以方便插拔。警示!电源线插头应保持与插座牢固接触,否则可能导致火灾。三、不要损坏电源线1、切忌以拉扯电源线的方式拔出冰箱插头,一定要紧紧握住插头,从插座中直接拔出。2、不要让箱体压住电源线或人为踩踏电源线。3、将冰箱移离墙壁时,请小心谨慎,切勿滚压或损坏电源线。四、当电源线损坏时当电源线出现破损或插头出现磨损时,切勿使用。电源线磨损或损坏,必须到厂家指定的维修点更换。五、有煤气等易燃气体泄漏时1、关闭气体泄漏的阀门。2、打开门窗。3、不要拔或插冰箱等电器件的插头。六、以下情况请拔下电源插头1、清洁及维修前。2、更换损坏的灯泡时。七、冰箱内严禁放入易燃、易爆的危险品,及强腐蚀性的酸、碱等。八、本产品为家用电冰箱,按国家标准的规定,家用电冰箱只适用于储藏食品,不能用于其他用途,如储藏血液、药品和生物制品等。九、在冰箱附近,切勿存放或使用汽油及其它易燃物品,以免引起火灾。十、不要在冰箱上部放置不稳定的物品(重物、有水的容器),以免掉下伤人或溢水导致漏电。十一、冰箱开始运行之后,切勿用手触摸冷冻室的冰冷表面,尤其是手湿的时候。否则,皮肤可能会粘在这些冰冷的表面上。十二、不要用水喷淋、冲洗冰箱,也不要将冰箱放在潮湿、易溅上水的地方,以免影响冰箱的电气绝缘性能。十三、严禁私自拆卸、改造冰箱,禁止损坏制冷管路。维修冰箱必须由专业人员进行。十四、请勿把瓶装啤酒、饮料等放入冷冻室,以防冻裂。十五、停电或清洁时,应拔下电源插头,至少保持间隔五分钟,才能再次接通电源,以防因连续启动而损坏压缩机。十六、冰箱废弃不用时,请将门子卸掉,并拆下门封条,以免小孩进入玩耍,发生意外。第三章产品外观及内部结构图一、产品外观第四章维修所需工具十字螺丝刀、钳子、六角螺丝刀等常用工具。第五章铭牌,电路图与制冷系统原理一、铭牌与线路图三.制冷系统原理图1、制冷原理制冷剂经压缩机,先经过干燥过滤器、除露管、冷凝器,经毛细管节流减压,进入蒸发器,然后制冷剂由回气管回到压缩机.制冷循环原理图:65174321.压缩机2.除露管3.干燥过滤器4.冷凝器5.除露管6.蒸发器7.回气管第六章典型故障及解决措施一、故障判断流程图(1)不制冷注意:A.重新灌液时,应注意制冷剂一致B.异丁烷和制冷剂应严格按操作规程要求不制冷按”不启动”一节检修制冷剂泄漏,检修并重新灌液冰堵或脏堵,换过滤器后重新灌液停机10分钟后再上电,压机是否运转压机是否能一直运转且冷凝器温升很低否是是否(2)不停机不停机按”不制冷”一节检修冰箱是否制冷是否制冷深度不够按”制冷深度不够”一节检修1.冰箱档位设定太低2.环境温度太高或靠近热源3.开门太频繁或新鲜食物太多调整并指导用户正确使用方法检修否是是否是否(3)制冷深度不够制冷深...

1、当您付费下载文档后,您只拥有了使用权限,并不意味着购买了版权,文档只能用于自身使用,不得用于其他商业用途(如 [转卖]进行直接盈利或[编辑后售卖]进行间接盈利)。
2、本站所有内容均由合作方或网友上传,本站不对文档的完整性、权威性及其观点立场正确性做任何保证或承诺!文档内容仅供研究参考,付费前请自行鉴别。
3、如文档内容存在违规,或者侵犯商业秘密、侵犯著作权等,请点击“违规举报”。

碎片内容

海尔BCD-130EN电冰箱维修手册- BCD-130EN 服务手册

确认删除?
VIP
微信客服
  • 扫码咨询
会员Q群
  • 会员专属群点击这里加入QQ群
客服邮箱
回到顶部