电脑桌面
添加小米粒文库到电脑桌面
安装后可以在桌面快捷访问

用真空蒸发结晶法制取无水硫酸钠VIP免费

用真空蒸发结晶法制取无水硫酸钠_第1页
1/5
用真空蒸发结晶法制取无水硫酸钠_第2页
2/5
用真空蒸发结晶法制取无水硫酸钠_第3页
3/5
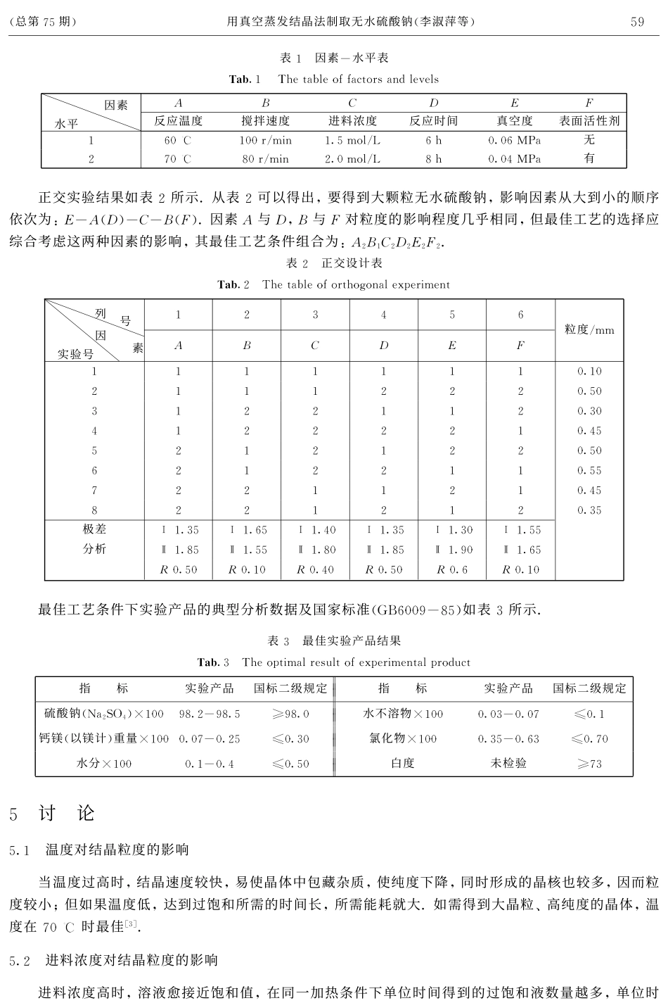
2001年第22卷第1期华北工学院学报VO1.22NO.12001(总第75期DJOURNALOFNORTHCHINAINTITUTEOFTECHNOLOGY(SumNO.75D文章编号;1006-5431(2001D01-0057-04用真空蒸发结晶法制取无水硫酸钠李淑萍刘有智(华北工学院化学工程系山西太原030051D摘要;目的研究用DTB型结晶器从工业粗制芒硝中制取无水硫酸钠的工艺条件~方法采用真空蒸发结晶法.结果得出了不同结晶条件对产品粒度及质量的影响.结论制得了符合国家标准的二级品.关键词;DTB型结晶器;真空蒸发结晶;芒硝;无水硫酸钠中图分类号;O653文献标识码;A无水硫酸钠又名元明粉广泛用于生产硫化钠~水玻璃和群青等.还可用于制造玻璃~造纸~洗涤剂~肥皂~染料~合成纤维~制革~医药和陶瓷等行业是一种重要的化工原料[1].1实验原理生产无水硫酸钠的常用方法有芒硝脱水法~转化法~副产法~钙芒硝法等~芒硝脱水法又分为全溶图1硫酸钠与水系统相平衡图Fig.1Thephaseegui1ibriumOfNa2SO4-H2O蒸发脱水法~热融蒸发脱水法和热融盐析脱水法[2].作者采用水环式真空泵产生真空用DTB(导流筒档板D型结晶器并用真空蒸发结晶法直接从工业粗制芒硝中结晶出无水硫酸钠.该方法具有流程短~设备少~投资小~产品粒度~纯度易控制等优点.根据物质相平衡图[1](如图1所示D就可以确定以什么形态把物质从溶液中结晶出来.从图1中的曲线可以看出硫酸钠的溶解度曲线有3个拐点ABC其中B点的温度为32.4C.当T<32.4C时硫酸钠在水溶液中的溶解度随着温度的升高而迅速增大与饱和溶液呈平衡的固体是10水硫酸钠;而当32.4C32.4C硫酸钠溶液达到饱和时就会有无水硫酸钠开始析出.这就决定了从粗制芒硝中制取无水硫酸钠时必须采用蒸发结晶法.2结晶器的选择DTB型结晶器是一种效能较高的结晶器它能产生较大的晶粒生产强度较高器内不易产生结晶收稿日期;2000-08-31作者简介;李淑萍(1973D女硕士生.从事专业;化工工艺.疤9可用于真空冷却蒸发法直接接触冷却法以及反应法的结晶操作0型结晶器的构造如下它的中部有一导流筒9在四周有一圆筒形挡板0在导流筒内接近下端处有螺旋桨9以较低的转速旋转9悬浮液在螺旋桨的推动下9在筒内上升至液体表层9然后转向下方9沿导流筒与挡板之间的环行通道流至器底9重又被吸入导流筒的下端9如此往复循环9形成接近良好混合的条件0圆筒形挡板将结晶器分割为晶体生长区和澄清区9挡板与器壁间的环隙为澄清区9其搅拌的影响已经消失0要使晶体得以从母液中沉降分离9只有过量的微晶可随母液在澄清区的顶部排出器外9从而实现对微晶量的控制结晶器的上部为气液分离空间9用于防止雾沫夹带9热的浓物料加至导流筒的下方9晶浆由结晶器的底部排出0为了使所生产的晶体具有更窄的粒度分布9这种形式的结晶器在下部设有淘析腿0这种结晶器属于典型晶浆内循环结晶器9与无搅拌结晶罐循环母液结晶器强制外循环结晶器相比9其效果要好的多9因此作者选择了型结晶器03实验方法实验装置如图Z所示0(1)原液处理0由于该实验物系采用工业芒硝9其主要成分为NaZSO4以及泥沙硫酸镁硫酸钙1-结晶器;Z-电机及减速机;3-水环式真空泵;4-烘箱;5-抽滤瓶;6-离心泵;7-加热器;8-搅拌器;9-进料口;10-出料口图Z硫酸钠结晶实验装置图Fig0ZheeguipmentforcrystallizationofNaZSO4氯化钠等0因此9在结晶前先将其溶解9再加入一定量碳酸钠调节p值到99然后进行抽滤9除去溶液中的泥沙以及钙镁离子9抽滤后再向溶液中加硫酸中和过多的碳酸根离子至p值为79加热待用0(Z)结晶0将处理过的溶液倒入进料高位槽9打开泵及加热器9调节真空度9保持恒温进行蒸发9每隔Zh取样一次0当产品粒度或纯度不能达到实验要求时9停止结晶9母液则返回蒸发器中循环蒸发0(3)产品处理0当溶液温度低于3Z04C时9从硫酸钠水溶液中结晶出来的固体是10水硫酸钠0所以对结晶出来的产品应进行快速抽滤9除去水分9使成品含水率在001以下0为了防止10水硫酸钠析出9过滤后9可用事先加热至50C的蒸馏水洗涤晶体9但洗涤水用量不可太多9以免晶体大量溶解0为了不使晶体溶解而减少结晶产量9该实验采用加热的饱和液对晶体进行洗涤处理0(4)产品烘干0将产品放在恒温干燥箱内9温度保持在...

1、当您付费下载文档后,您只拥有了使用权限,并不意味着购买了版权,文档只能用于自身使用,不得用于其他商业用途(如 [转卖]进行直接盈利或[编辑后售卖]进行间接盈利)。
2、本站所有内容均由合作方或网友上传,本站不对文档的完整性、权威性及其观点立场正确性做任何保证或承诺!文档内容仅供研究参考,付费前请自行鉴别。
3、如文档内容存在违规,或者侵犯商业秘密、侵犯著作权等,请点击“违规举报”。

碎片内容

用真空蒸发结晶法制取无水硫酸钠

您可能关注的文档

确认删除?
VIP
微信客服
  • 扫码咨询
会员Q群
  • 会员专属群点击这里加入QQ群
客服邮箱
回到顶部