电脑桌面
添加小米粒文库到电脑桌面
安装后可以在桌面快捷访问

特种设备作业人员体检表及参照标准VIP免费

特种设备作业人员体检表及参照标准_第1页
1/4
特种设备作业人员体检表及参照标准_第2页
2/4
特种设备作业人员体检表及参照标准_第3页
3/4
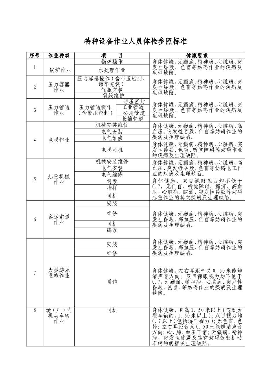
:特种设备作业人员体检表姓名性别身份证号照片粘贴并盖体检单位公章出生日期家庭住址联系电话作业种类作业项目和类别本工种工龄工作单位邮政编码既往病史高血压□心脏病□癫痫□精神病□突发性晕厥□近一年内是否患有不适合本工种工作的疾病□:本人签字以上内容由本人填写,请在既往病史项目后的内划“√”身高心律血压视力左眼裸视听力左耳矫正右耳右眼裸视色变单色识别矫正彩色图案及编码四肢及躯干运动畸形内科家族病史:传染病接触史:心:肺:肾脏:肝脏:脾脏:其它(神经系统):血常规心肺透视心电图检查其他体检结论负责医师签字:体检单位(盖章)年月日附:特种设备作业人员体检参照标准特种设备作业人员体检参照标准序号作业种类项目健康要求1锅炉作业锅炉操作身体健康,无癫痫、精神病、心脏病、突发性昏厥、色盲等妨碍作业的疾病及生理缺陷。水处理作业2压力容器作业压力容器操作(含带压密封、罐车充装)身体健康,无癫痫、精神病、心脏病、突发性昏厥、色盲等妨碍作业的疾病及生理缺陷。气瓶充装氧舱维护3压力管道作业压力管道操作(含带压密封)带压密封身体健康,无癫痫、精神病、心脏病、突发性昏厥、色盲等妨碍作业的疾病及生理缺陷。工业管道公用管道长输管道4电梯作业机械安装维修身体健康,无癫痫、精神病、心脏病、高血压、突发性昏厥、色盲等妨碍作业的疾病及生理缺陷。电气安装电气维修电梯司机身体健康,无癫痫、精神病、心脏病、突发性昏厥、色盲、听觉障碍等妨碍作业的疾病及生理缺陷。5起重机械作业机械安装维修身体健康,无癫痫、精神病、心脏病、高血压、突发性昏厥、色盲等妨碍电工作业的疾病及生理缺陷。电气安装电气维修司索身体健康,双目裸眼视力均不低于0.7,无色盲、听觉障碍、癫痫、高血压、心脏病、眩晕、突发性昏厥等妨碍起重作业的其它疾病及生理缺陷。指挥司机6客运索道作业安装身体健康,无癫痫、精神病、心脏病、突发性昏厥、高血压、色盲等妨碍作业的疾病及生理缺陷。维修司机编索7大型游乐设施作业安装身体健康,无癫痫、精神病、心脏病、突发性昏厥、高血压、色盲等妨碍作业的疾病及生理缺陷。维修操作身体健康,左右耳距音叉0.50米能辨清声音方向;双目裸眼视力均不低于0.7,无癫痫、精神病、心脏病、突发性昏厥、色盲、等妨碍作业的疾病及生理缺陷。8场(厂)内机动车辆作业司机身体健康,身高1.50米以上(驾驶大型车辆的,1.60米以上);双目视力均0.7以上(包括矫正视力);无色盲、色弱;左右耳距音叉0.50米能辨清声音方向;心、肺、血压正常;无癫痫、精神病、突发性昏厥及其它妨碍驾驶机动车辆的病症或生理缺陷。注:1、以上标准根据《特种作业人员安全技术培训考核大纲》制定,是对特种设备作业人员的最底健康要求。2、以上标准与上级规定不符的,按上级规定执行。维修身体健康,无癫痫、精神病、心脏病、突发性昏厥、色盲等妨碍作业的疾病及生理缺陷。9特种设备焊接作业承压焊身体健康,双目裸眼视力均在0.4以上且矫正视力在1.0以上,无高血压、心脏病、癫痫、眩晕症等妨碍本作业的其它疾病及生理缺陷。结构焊10安全附件维修作业安全阀维修身体健康,无癫痫、精神病、心脏病、突发性昏厥、色盲等妨碍作业的疾病及生理缺陷。11特种设备管理锅炉安全管理身体健康,无癫痫、精神病、心脏病、突发性昏厥、色盲等妨碍作业的疾病及生理缺陷。压力容器安全管理气瓶充装安全管理压力管道安全管理长输管道工业管道、公用管道电梯安全管理起重机械安全管理客运索道安全管理大型游乐设施安全管理

1、当您付费下载文档后,您只拥有了使用权限,并不意味着购买了版权,文档只能用于自身使用,不得用于其他商业用途(如 [转卖]进行直接盈利或[编辑后售卖]进行间接盈利)。
2、本站所有内容均由合作方或网友上传,本站不对文档的完整性、权威性及其观点立场正确性做任何保证或承诺!文档内容仅供研究参考,付费前请自行鉴别。
3、如文档内容存在违规,或者侵犯商业秘密、侵犯著作权等,请点击“违规举报”。

碎片内容

特种设备作业人员体检表及参照标准

确认删除?
VIP
微信客服
  • 扫码咨询
会员Q群
  • 会员专属群点击这里加入QQ群
客服邮箱
回到顶部