电脑桌面
添加小米粒文库到电脑桌面
安装后可以在桌面快捷访问

各种图形面积体积计算公式解释VIP免费

各种图形面积体积计算公式解释_第1页
1/16
各种图形面积体积计算公式解释_第2页
2/16
各种图形面积体积计算公式解释_第3页
3/16
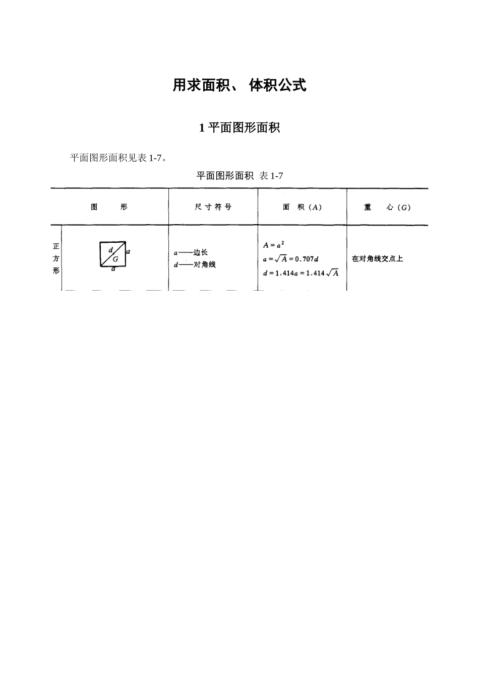
用求面积、体积公式1平面图形面积平面图形面积见表1-7。平面图形面积表1-72多面体的体积和表面积多面体的体积和表面积见表1-7。多面体的体积和表面积表1-73物料堆体积计算物料堆体积计算见表1-7。物料堆体积计算表1-74壳体表面积、侧面积计算1-3-4-1圆球形薄壳(图1-1)图1-1圆球形薄壳计算图4-2椭圆抛物面扁壳(图1-2)图1-2椭圆抛物面扁壳计算图1-3-4-3椭圆抛物面扁壳系数计算见图1-2,壳表面积(A)计算公式:A=Sx·Sy=2a×系数Ka×2b×系数Kb式中Ka、Kb——椭圆抛物面扁壳系数,可按表1-76查得。椭圆抛物面扁壳系数表表1-76查表说明[例]已知2a=24.0m,2b=16.0m,hx=3.0m,hy=2.8m,试求椭圆抛物面扁壳表面积A。先求出hx/2a=3.0/24.0=0.125hy/2b=2.8/16.0=0.175分别查表得系数Ka为1.0402和系数Kb为1.0765,则扁壳表面积A=24.0×1.0402×16.0×1.0765=429.99m21-3-4-4圆抛物面扁壳(图1-3)图1-3圆抛物面扁壳计算图1-3-4-5单、双曲拱展开面积1.单曲拱展开面积=单曲拱系数×水平投影面积。2.双曲拱展开面积=双曲拱系数(大曲拱系数×小曲拱系数)×水平投影面积。单、双曲拱展开面积系数见表1-77。单双曲拱展开面积计算图见图1-4。图1-4单、双曲拱展开面积计算图L-拱跨;F-拱高单、双曲拱展开面积系数表表1-77

1、当您付费下载文档后,您只拥有了使用权限,并不意味着购买了版权,文档只能用于自身使用,不得用于其他商业用途(如 [转卖]进行直接盈利或[编辑后售卖]进行间接盈利)。
2、本站所有内容均由合作方或网友上传,本站不对文档的完整性、权威性及其观点立场正确性做任何保证或承诺!文档内容仅供研究参考,付费前请自行鉴别。
3、如文档内容存在违规,或者侵犯商业秘密、侵犯著作权等,请点击“违规举报”。

碎片内容

各种图形面积体积计算公式解释

文章天下+ 关注
实名认证
内容提供者

各种文档应有尽有

相关文档

确认删除?
VIP
微信客服
  • 扫码咨询
会员Q群
  • 会员专属群点击这里加入QQ群
客服邮箱
回到顶部