电脑桌面
添加小米粒文库到电脑桌面
安装后可以在桌面快捷访问

可调先导式减压阀组VIP免费

可调先导式减压阀组_第1页
1/4
可调先导式减压阀组_第2页
2/4
可调先导式减压阀组_第3页
3/4
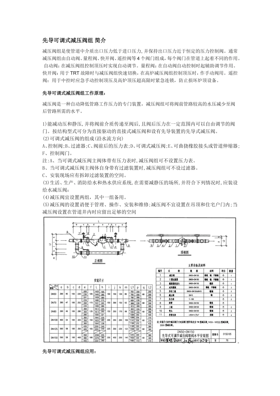
先导可调式减压阀组简介减压阀组是使管道中介质出口压力低于进口压力,并保持出口压力近于恒定的压力控制阀。通常减压阀组由自动阀、量程阀、快开阀、遥控阀等4个阀门组成,每个阀门在管道上起着不同的作用。自动阀:在减压阀组控制顶压时实现自动调节。量程阀:在自动阀自动控制时起辅助调节作用。快开阀:用于TRT故障时与减压阀组快速切换,在高炉减压阀组控制顶压时,作手动阀用。遥控阀:用于中控时应急手动控制顶压及高炉顶压超高限时紧急连锁,防止损坏炉顶设备。先导可调式减压阀组工作原理:减压阀是一种自动降低管路工作压力的专门装置,减压阀组可将阀前管路较高的水压减少至阀后管路所需的水平。1)能减动压和静压,并将阀前介质传递至阀后,且阀后压力在一定范围内可以自由调节的阀门。按结构型式可分为直接驱动的直接式减压阀和设有先导装置的先导式减压阀。(2)可调式减压阀的组成(沿水流方向)A、控制阀;B、过滤器;C、阀前后的压力表;D、可调式减压阀;E、可曲挠橡胶接头或管道伸缩器;F、控制阀门。注:A、当可调式减压阀主阀体带有压力表时,减压阀组可不设置压力表。B、当可调式减压阀主阀体自身带有过滤装置时,减压阀组可不设过滤器。C、安装现场应有拆卸过滤装置的空间。(3)生活、生产、消防给水和热水供应系统,在需要减静压的场所,并符合下列情况时,应装设给水减压阀:(4)减压阀宜设置两组,其中一组备用。(5)减压阀的设置诮便于管理、操作、安装和维修;减压阀不宜设置在吊顶和住宅户门内;当减压阀设置在管道井内时应留出足够的空间。先导可调式减压阀组应用:减压阀组适用于高层建筑、城市给水管网水压过高的区域、矿井及其他场合,以保证给水系统中各用水点获得适当的服务水压和流量,并广泛用于化工、石化、石油、造纸、采矿、电力、液化气、食品、制药、给排水、市政、机械设备配套、电子工业,城建等领域先导可调式减压阀组使用注意:使用减压阀组时,严禁乱拧乱动、自行拆卸。否则减压阀的严密性能和降压性能都会遭到破坏。这不但影响正常供气,而且会造成以高压气体直接送气或漏气发生火灾的危险。减压阀不但起降压作用而且起稳压作用。因此,使用时,禁止将减压阀的出气孔堵住。先导可调式减压阀组基本性能:调压范围:调压范围是指减压阀输出压力P2的可调范围,在此范围内要求达到规定的精度。调压范围主要与调压弹簧的刚度有关。压力特性:压力特性是指流量g为定值时,因输入压力波动而引起输出压力波动的特性。输出压力波动越小,减压阀的特性越好。输出压力必须低于输入压力—定值才基本上不随输入压力变化而变化。流量特性:流量特性是指输入压力—定时,输出压力随输出流量g的变化而变化的持性。当流量g发生变化时,输出压力的变化越小越好。一般输出压力越低,它随输出流量的变化波动就越小。选用:根据使用要求选定减压阀的类型和调压精度,再根据所需最大输出流量选择其通径。决定阀的气源压力时,应使其大于最高输出压力0.1MPa。减压阀一般安装在分水滤气器之后,油雾器或定值器之前,并注意不要将其进、出口接反;阀不用时应把旋钮放松,以免膜片经常受压变形而影响其性能。先导可调式减压阀组技术参数:1)减压阀价格由口径、材质、压力的不同而异,详细减压阀组价格请咨询鸿翔阀业0577-67377780。2)连接形式:法兰、内螺纹、外螺纹3)传动方式:手动、自动、气动4)口径从DN15-DN800;压力从1.0MPA-6.4MPA;温度-20℃-600℃5)材质有:碳钢、不锈钢先导可调式减压阀组调压步骤1、关闭减压阀前的闸阀,开启减压阀后的闸阀,制造下游低压环境;2、将调节螺钉按逆时针旋转至最上位置(相对最低出口压力),然后关闭减压阀后闸阀;3、慢慢开启减压阀前的闸阀至全开;4、顺时针慢慢旋转调节螺钉,将出口压力调至所需要的压力(以阀后表压为准);调整好后,将锁紧螺母锁紧,打开减压阀后闸阀;5、如在调整时出口压力高于设定压力,须从第一步开始重新调整,即只能从低压向高压调。先导可调式减压阀组设计要点(1)工程式中应用的水力控制阀是经过制造厂检验合格,各种标识齐全,技术资料符合要求的产品。(2)根据功能要求,选择阀门种类,再根据管道...

1、当您付费下载文档后,您只拥有了使用权限,并不意味着购买了版权,文档只能用于自身使用,不得用于其他商业用途(如 [转卖]进行直接盈利或[编辑后售卖]进行间接盈利)。
2、本站所有内容均由合作方或网友上传,本站不对文档的完整性、权威性及其观点立场正确性做任何保证或承诺!文档内容仅供研究参考,付费前请自行鉴别。
3、如文档内容存在违规,或者侵犯商业秘密、侵犯著作权等,请点击“违规举报”。

碎片内容

可调先导式减压阀组

确认删除?
VIP
微信客服
  • 扫码咨询
会员Q群
  • 会员专属群点击这里加入QQ群
客服邮箱
回到顶部