电脑桌面
添加小米粒文库到电脑桌面
安装后可以在桌面快捷访问

公共机构能源资源消耗统计分析报告VIP免费

公共机构能源资源消耗统计分析报告_第1页
1/5
公共机构能源资源消耗统计分析报告_第2页
2/5
公共机构能源资源消耗统计分析报告_第3页
3/5
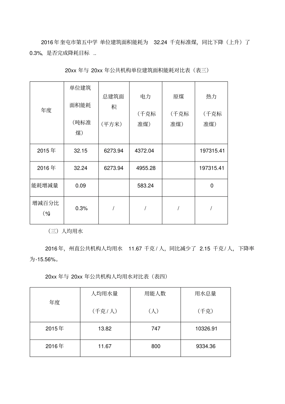
奎屯市第五中学2016年公共机构能源资源消耗情况分析报告奎屯市公共机构节能办公室:现将2015年度同2016年度能源资源统计分析情况报告如下:一、公共机构基本概况(一)建筑面积2016年奎屯市第五中学总建筑面积为6273.94平方米,同比无变化。(二)用能人数2016年奎屯市第五中学用能人数为800人,比2015年增加了53人。原因:学生人数增加。(三)车辆数量2016年奎屯市第五中学共有车辆0辆,与2015年相同。二、能耗消耗情况(一)能源消耗情况及构成2016年奎屯市第五中学能源资源综合能耗202270.69千克标准煤。其中:电力4955.28千克标准煤,原煤0千克标准煤,天然气0千克标准煤,液化石油气0千克标准煤,汽油0千克标准煤,柴油0千克标准煤,热力197315.41千克标准煤。2016年公共机构能耗情况一览表(表一)能源资源种类消耗情况总能耗电力原煤天然气液化石油气汽油柴油热力(平方(千瓦时)(吨)(升)(升)(升)(升)米)耗量——40319.646273.94折合标准煤(千克标准煤)202270.694955.28197315.41(二)水消耗情况2016年奎屯市第五中学水消耗9334.36立方。三、能源消耗分析(一)人均综合能耗2016年,奎屯市第五中学人均综合能耗为252.83千克标准煤,比2015年减少(增加)了17.17千克标准煤,同比下降(上升)-6.3%。是否达到降耗目标。2016年与2015年人均综合能耗对比表(表二)年度人均综合能耗(千克标准煤/人)总能耗(千克标准煤)用能人数(人)2015年270201687.457472016年252.83202270.69800增减量-17.17583.24增减百分比(%)-6.3%//(二)单位建筑面积能耗2016年奎屯市第五中学单位建筑面积能耗为32.24千克标准煤,同比下降(上升)了0.3%,是否完成降耗目标..20xx年与20xx年公共机构单位建筑面积能耗对比表(表三)年度单位建筑面积能耗(吨标准煤)总建筑面积(平方米)电力(千克标准煤)原煤(千克标准煤)热力(千克标准煤)2015年32.156273.944372.04197315.412016年32.246273.944955.28197315.41能耗增减量0.09583.240增减百分比(%)0.3%////(三)人均用水2016年,州直公共机构人均用水11.67千克/人,同比减少了2.15千克/人,下降率为-15.56%。20xx年与20xx年公共机构人均用水对比表(表四)年度人均用水量(千克/人)用能人数(人)用水总量(千克)2015年13.8274710326.912016年11.678009334.36用水增减量-2.1553-992.55增减百分比(%)-15.56%//(四)综合评价通过以上对2016年与2016年人均综合能耗(见表二)、单位建筑面积能耗(见表三)和人均用水(见表四)比较,奎屯市第五中学2016年度公共机构人均综合能耗同比下降(上升)了-6.3%,单位建筑面积能耗同比下降(上升)了0.3%,人均用水同比下降(上升)了-15.56%,公共机构能源资源消耗总体形势向好,但个别能源资源消耗指标控制仍需加大力度。2016年与2015年公共机构能耗消耗对比表(表五)年度能源种类电力(千瓦时)原煤(吨)天然气(立方米)液化石油气(升)汽油(升)柴油(升)供暖面积(平方)热力费用(万元)2015355746273..94201640319.646273.94增减值4745.64↓xx↑xx0通过上表分析,造成电力、原煤(取暖费用)和热力费用上升(下降)的原因主要是主要是教师教研课增加及学生活动增加。四、工作中存在的问题从2016年度公共机构能源资源消耗统计工作来看,主要存在以下问题:一是:电耗由所上升,主要是教师教研课增加及学生活动增加。五、下一步工作打算2017年,奎屯市第五中学将重点采取以下措施,进一步提高公共机构节能的成效。(一)加大节能改造力度。加强对大能耗设备的监控,尽量减少使用并加大改造力度。加快淘汰高耗能的办公设备,完成节能灯管的更换,积极推进办公室资源循环利用。(二)加强节能宣传教育。进一步增强工作人员公共机构节能的意识,增强工作的主动性和自觉性。适时举办节能专题讲座,提高节能管理能力,营造公共机构节能的良好氛围。(三)深化节能管理。严格执行学校的各项节能制度规定,办公节电、日常节水、办公耗材、通讯和邮资、差旅费用、印刷费用及其它节能事务管理措施。奎屯市第五中学2017年1月23日

1、当您付费下载文档后,您只拥有了使用权限,并不意味着购买了版权,文档只能用于自身使用,不得用于其他商业用途(如 [转卖]进行直接盈利或[编辑后售卖]进行间接盈利)。
2、本站所有内容均由合作方或网友上传,本站不对文档的完整性、权威性及其观点立场正确性做任何保证或承诺!文档内容仅供研究参考,付费前请自行鉴别。
3、如文档内容存在违规,或者侵犯商业秘密、侵犯著作权等,请点击“违规举报”。

碎片内容

公共机构能源资源消耗统计分析报告

爱的疯狂+ 关注
实名认证
内容提供者

该用户很懒,什么也没介绍

确认删除?
VIP
微信客服
  • 扫码咨询
会员Q群
  • 会员专属群点击这里加入QQ群
客服邮箱
回到顶部