电脑桌面
添加小米粒文库到电脑桌面
安装后可以在桌面快捷访问

减速机检修规程1001VIP免费

减速机检修规程1001_第1页
1/14
减速机检修规程1001_第2页
2/14
减速机检修规程1001_第3页
3/14
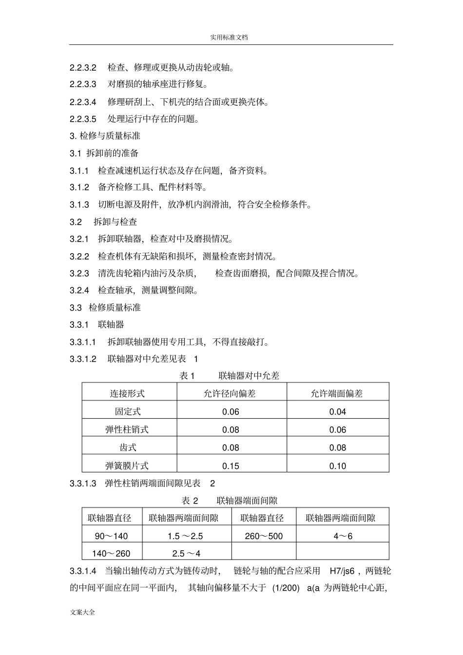
实用标准文档文案大全减速机维护检修规程编制:审核:批准:受控状态:发放编号:发布日期:2018-05-16实施日期:2018-05-25xxxxxxxxxxx有限公司工程保障部发布实用标准文档文案大全减速机维护检修规程1.总则1.1主题内容本规程规定了减速机的检修周期和内容、检修与质量标准、试车与验收、维护与故障处理。1.2适用范围本规程适用于我公司圆柱齿轮、圆锥齿轮、圆弧齿轮、涡轮蜗杆、行星摆线、行星齿轮减速机的维护与检修。1.3编写修订依据SHS03028变速机维护检修规程。2、检修周期与内容2.1检修周期检修类别小修中修大修检修周期月312242.2检修内容2.2.1小修2.2.1.1紧固松动的螺栓。2.2.1.2检查更换联轴上的易损件。2.2.1.3消除漏油现象。2.2.1.4调整传动轴的轴间隙。2.2.1.5修理安全防护装置。2.2.2中修2.2.2.1包括小修内容。2.2.2.2检查、修理或更换被磨损的主动齿轮或铀。2.2.2.3检查修理或更换滚动轴承、测量间隙。2.2.2.4清洗机壳、更换润滑油。2.2.2.5测量啮合间隙,修理齿轮齿面及轴。2.2.2.6检查联轴器的对中情况。2.2.2.7检查更换油封。2.2.3大修2.2.3.1包括中修内容。实用标准文档文案大全2.2.3.2检查、修理或更换从动齿轮或轴。2.2.3.3对磨损的轴承座进行修复。2.2.3.4修理研刮上、下机壳的结合面或更换壳体。2.2.3.5处理运行中存在的问题。3.检修与质量标准3.1拆卸前的准备3.1.1检查减速机运行状态及存在问题,备齐资料。3.1.2备齐检修工具、配件材料等。3.1.3切断电源及附件,放净机内润滑油,符合安全检修条件。3.2拆卸与检查3.2.1拆卸联轴器,检查对中及磨损情况。3.2.2检查机体有无缺陷和损坏,测量检查密封情况。3.2.3清洗齿轮箱内油污及杂质,检查齿面磨损,配合间隙及捏合情况。3.2.4检查轴承,测量调整间隙。3.3检修质量标准3.3.1联轴器3.3.1.1拆卸联轴器使用专用工具,不得直接敲打。3.3.1.2联轴器对中允差见表1表1联轴器对中允差连接形式允许径向偏差允许端面偏差固定式0.060.04弹性柱销式0.080.06齿式0.080.08弹簧膜片式0.150.103.3.1.3弹性柱销两端面间隙见表2表2联轴器端面间隙联轴器直径联轴器两端面间隙联轴器直径联轴器两端面间隙90~1401.5~2.5260~5004~6140~2602.5~43.3.1.4当输出轴传动方式为链传动时,链轮与轴的配合应采用H7/js6,两链轮的中间平面应在同一平面内,其轴向偏移量不大于(1/200)a(a为两链轮中心距,实用标准文档文案大全mm)。3.3.2轴承3.3.2.1拆卸轴承应用专用工具,严禁直接敲打。3.3.2.2滚动轴承内外圈滚道、滚动体表面应无腐蚀、坑疤及斑点,接触平滑,滚动无杂音。3.3.2.3滚动轴承内外圈必须紧贴轴肩或定位环,用0.05mm塞尺检查不得通过。3.3.2.4轴承内径与轴的配合,外径与轴承座的配合见表3。表3轴承配合公差向心球轴承和向心推力轴承推力滚子轴承内径与轴配合外径与轴承座配合内径与轴配合外径与轴承座配合H7/k6或H7/js6J7/h6或H7/h6H7/m6或H7/k6J7/h6或H7/h63.3.2.5滑动轴承轴瓦表面应光滑,无硬点、裂纹、气孔、夹渣、脱皮、脱壳等缺陷。3.3.2.6轴瓦在下瓦中部60o~90o之间接触,接触点不少于每平方厘米2点。3.3.2.7轴瓦径向与轴向间隙见表4表4轴瓦间隙mm直径径向间隙轴向间隙50~80>80~120>120~180>180~2600.08~0.160.12~0.200.14~0.240.16~0.280.20~0.250.25~0.300.30~0.350.35~0.403.3.2.8轴瓦与轴承座的配合为H7/m6,其表面粗糙度为Ra3.2。3.3.2.9轴瓦的表面粗糙度为Ra1.6。3.3.3轴3.3.3.1轴及轴颈不应有毛刺、严重划痕、碰伤等缺陷。3.3.3.2轴的直线度为0.03mm/m。3.3.3.3轴颈的圆柱度为0.015mm,表面粗糙度为Ra1.6。3.3.4机体3.3.4.1机盖与机体的剖分面应光滑、平整,保证装配严密,用0.05mm塞尺插入深度不得大于剖分面的1/3,检查剖分面的严密性。3.3.4.2机体与机盖不得有裂纹、伤痕等缺陷。3.3.5圆柱齿轮实用标准文档文案大全3.3.5.1齿面不得有损伤、胶合、剥落或裂纹等缺陷,必要时做无损探伤。3.3.5.2齿轮啮合的齿顶间隙为(0.2~0.3)mn(mn为法向模数),齿侧间隙见表5。表5齿侧间隙mm中心距≤50>50~80>80~120>120~200>200~320>320~500>500~800侧间隙0.0850.1050.1300.1700.2100.2600...

1、当您付费下载文档后,您只拥有了使用权限,并不意味着购买了版权,文档只能用于自身使用,不得用于其他商业用途(如 [转卖]进行直接盈利或[编辑后售卖]进行间接盈利)。
2、本站所有内容均由合作方或网友上传,本站不对文档的完整性、权威性及其观点立场正确性做任何保证或承诺!文档内容仅供研究参考,付费前请自行鉴别。
3、如文档内容存在违规,或者侵犯商业秘密、侵犯著作权等,请点击“违规举报”。

碎片内容

减速机检修规程1001

您可能关注的文档

确认删除?
VIP
微信客服
  • 扫码咨询
会员Q群
  • 会员专属群点击这里加入QQ群
客服邮箱
回到顶部