电脑桌面
添加小米粒文库到电脑桌面
安装后可以在桌面快捷访问

钢筋混凝土预制构件装运、堆放、吊装安全技术交底VIP免费

钢筋混凝土预制构件装运、堆放、吊装安全技术交底_第1页
1/4
钢筋混凝土预制构件装运、堆放、吊装安全技术交底_第2页
2/4
钢筋混凝土预制构件装运、堆放、吊装安全技术交底_第3页
3/4
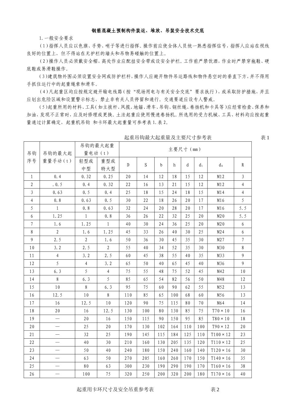
钢筋混凝土预制构件装运、堆放、吊装安全技术交底1.一般安全要求(1)指挥人员应以色旗、手势、哨子等进行指挥。操作前应使全体人员统一熟悉指挥信号,指挥人应站在视线良好的位置上,但不得站在无护栏的墙头和吊物易碰触的位置上。(2)操作人员必须戴安全帽,高处作业应配挂安全带或设安全护栏。工作前严禁饮酒,作业时严禁穿拖鞋、硬底鞋或易滑鞋操作。(3)建筑物外围必须设置安全网或防护栏杆,操作人应避开物件吊运路线和物件悬空时的垂直下方,并不得用手抓住运行中的起重绳索和滑车。(4)凡起重区均应按规定避开输电线路(按“现场用电与有关安全交底”要求执行),或采取防护措施,并且应划出危险区域和设置警示标志,禁止非有关人员停留和通行。交通要道应设专人警戒。(5)起重所用的材料、工具(如主拔杆、风揽、地锚、滑车、吊钩、钢丝绳、卷扬机和卡具等)应经常检查、保养和加油,发现不正常时,应及时修理或更换。土法起重应使用慢速卷扬机。所选用的受力机械、工具、材料均应按起重量通过计算确定,起重机吊钩和卡环最大起重量可参考表1.表2。起重吊钩最大起重量及主要尺寸参考表表1吊钩序号吊钩的最大起重量手动(t)吊钩的最大起重量电动(t)主要尺寸(mm)轻型或中型重型或特大型DSbhdd1d0R10.40.320.25201412181512M1232.0.50.40.32221613211512M12430.630.50.4251815241815M14440.80.630.5302218262017M165510.80.63322420282017M165.561.2510.8362622322520M205.571.61.251403024362520M206821.61.25453326403025M24692.521.6503630453530M277103.22.52554034523530M3081143.22.5604538554035M33912543.2655040654540M369136.354755548755245M42101486.35856554825650M4812151086.3957560906255M52131612.510811085651006860M5613171612.51012090751158070M641418201612.5130100801308575T70×101619—2016150115901509585T80×101820—2520170130102164110100T90×122021—3225190145115184125110T100×122322—4030210160130205135120T110×122523—5040240180150240160140T120×163024—6350270205160260170150T140×163525—8063300230190290190170T160×163826—10075320250200320200180T170×1640起重用卡环尺寸及安全吊重参考表表2A(mm)B(mm)C(mm)D(mm)安全吊重量(t)理论自重(kg)适用最大钢丝绳直径(mm)63512M80.200.0394.784516M100.330.0896.5105020M120.500.1629.5126024M160.930.30413.0168032M201.450.66115.0209035M242.101.14517.5221004M272.701.56019.52411045M303.302.21022.52712050M334.103.11526.03013058M364.901.05028.03615064M426.806.27031.04217070M489.009.28034.04519080M5210.7012.40043.552235100M6416.0020.900(6)起重用的钢丝绳应力,应根据使用情况确定安全系数。作风缆用的钢丝绳的抗拉强度不得小于荷载的3.5倍;手动机具不得小于4.5倍,电动机具不得小于5~6倍,用作水平吊重缆索时不得小于10倍。可参考下表。钢丝绳安全系数的最小容许值及鼓轮或滑轮的直径最小容许值表3起重设备类型传动性质与运动制度鼓轮(即卷扬筒)或滑轮的最小容许直径D钢丝绳安全系数的最小容许值K一、悬臂、铁路、履带式、拖拉机式、汽车起重(包括改装为起重机的电葫芦)、建筑和临时工作用的起重设备手动机械轻传动中型重≥16d≥16d≥18d≥20d4.55.05.56.0二、其他各型的起重机和简单的其中设备手动机械轻传动中型重D≥18dD≥20dD≥25dD≥30d4.55.05.56.0三、安设在各种可移动机械上荷重在1t以上的手动铰车D≥12d4.0注:d为钢丝绳的直径。(7)通过滑轮的钢丝绳不准有接头,起重钢丝绳的接头只许采用编结固接,做风缆时可用卡具接;钢丝绳采用编结固接时,编结部分的长度不得小于钢丝绳直径的15倍,并不得少欲300mm,其编结部分应捆扎细钢丝。采用绳卡固接时,数量不得少于3个。绳卡的规格数量应与钢丝绳直径匹配(见下表)。最后一个卡字距绳头的长度不小于140mm。绳卡滑鞍(夹板)应在钢丝绳工作时受力的一侧,“U”形螺栓须栓在钢丝绳的尾端,不得正反交错。绳卡固定后,待钢丝绳受力后再度紧固,并应拧紧到使两绳直径高...

1、当您付费下载文档后,您只拥有了使用权限,并不意味着购买了版权,文档只能用于自身使用,不得用于其他商业用途(如 [转卖]进行直接盈利或[编辑后售卖]进行间接盈利)。
2、本站所有内容均由合作方或网友上传,本站不对文档的完整性、权威性及其观点立场正确性做任何保证或承诺!文档内容仅供研究参考,付费前请自行鉴别。
3、如文档内容存在违规,或者侵犯商业秘密、侵犯著作权等,请点击“违规举报”。

碎片内容

钢筋混凝土预制构件装运、堆放、吊装安全技术交底

您可能关注的文档

确认删除?
VIP
微信客服
  • 扫码咨询
会员Q群
  • 会员专属群点击这里加入QQ群
客服邮箱
回到顶部