电脑桌面
添加小米粒文库到电脑桌面
安装后可以在桌面快捷访问

污水处理厂构筑物计算-格栅VIP免费

污水处理厂构筑物计算-格栅_第1页
1/5
污水处理厂构筑物计算-格栅_第2页
2/5
污水处理厂构筑物计算-格栅_第3页
3/5
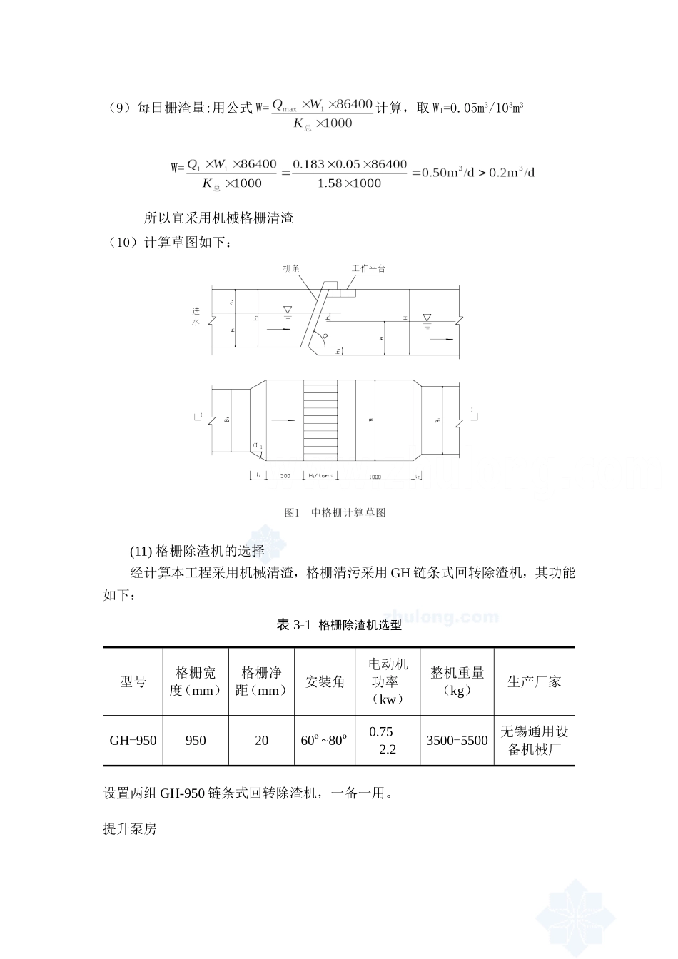
4.2工艺设计污水处理厂设计处理能力Q=10000m3/d。依据正镶白旗明安图镇目前的经济发展水平和给排水现状等现实条件,污水处理主体构筑物分2组,每组处理能力5000m3/d,并联运行。一期建设1组,待条件成熟后续建另1组。设计水量总变化系数取Kz==1.58污水的平均处理量为=1=416.67=115.74L/s;污水的最大处理量为=658.33=182.87L/s;时变化系数取K为1.6,集水池格栅格栅设在处理构筑物之前,用于拦截水中较大的悬浮物和漂浮物,保证后续处理设施的正常运行。粗格栅格栅倾角资料资料来源格栅倾角人工清除机械清除国内污水厂一般为45°~75°日本指针45°~60°70°左右美国污水厂手册30°~45°40°~90°本规范30°~60°60°~90°设计参数:设计流量:Q1=182.87L/s;过栅流速:v1=0.80m/s;栅条宽度:s=0.01m;格栅间隙:e=20mm;栅前部分长度0.5m;格栅倾角:α=60°单位栅渣量W1=0.05m3栅渣/103m3污水数量:1台设计计算(1)确定格栅前水深,根据最优水力断面公式计算得栅前槽宽,则栅前水深(2)栅条间隙数31.49(取n=32)(3)栅槽有效宽度:B2=s(n-1)+en=0.01×(32-1)+0.02×32=0.95m(4)进水渠道渐宽部分长度(其中α1为进水渠展开角)(5)栅槽与出水渠道连接处的渐窄部分长度(6)过栅水头损失(h1)因栅条边为矩形截面,取k=3,则其中:h0:计算水头损失mk:系数,格栅受污物堵塞后,水头损失增加倍数,取k=3:阻力系数,与栅条断面形状有关,=β(s/e)4/3当为矩形断面时β=2.42参考《污水处理厂工艺设计手册》,粗格栅水头损失一般为0.08-0.15m,因此符合规定要求。(7)栅后槽总高度(H)取栅前渠道超高h2=0.3m,则栅前槽总高度H1=h+h2=0.34+0.3=0.64m栅后槽总高度H=h+h1+h2=0.34+0.081+0.3=0.72m(8)格栅总长度L=L1+L2+0.5+1.0+H1/tanα=0.38+0.19+0.5+1.0+0.64/tan60°=2.44m(9)每日栅渣量:用公式W=计算,取W1=0.05m3/103m3W=所以宜采用机械格栅清渣(10)计算草图如下:(11)格栅除渣机的选择经计算本工程采用机械清渣,格栅清污采用GH链条式回转除渣机,其功能如下:表3-1格栅除渣机选型型号格栅宽度(mm)格栅净距(mm)安装角电动机功率(kw)整机重量(kg)生产厂家GH-9509502060º~80º0.75—2.23500-5500无锡通用设备机械厂设置两组GH-950链条式回转除渣机,一备一用。提升泵房细格栅设计参数:设计流量:Q1=182.87L/s;过栅流速:v1=0.90m/s;栅条宽度:s=0.01m;格栅间隙:e=8mm;栅前部分长度0.5m;格栅倾角:α=60°单位栅渣量W1=0.1m3栅渣/103m3污水设计计算(1)确定格栅前水深,根据最优水力断面公式计算得栅前槽宽,则栅前水深(2)栅条间隙数=88.43(取n=90)设计两组格栅,90/2=45(3)栅槽有效宽度:B2=s(-1)+e=0.01×(45-1)+0.008×45=0.8m所以总槽宽为B=0.8×2+0.2=2.0m(考虑中间隔墙厚0.2m)(4)进水渠道渐宽部分长度(其中α1为进水渠展开角)(5)栅槽与出水渠道连接处的渐窄部分长度(6)过栅水头损失(h1)因栅条边为矩形截面,取k=3,则其中:h0:计算水头损失mk:系数,格栅受污物堵塞后,水头损失增加倍数,取k=3:阻力系数,与栅条断面形状有关,=β(s/e)4/3当为矩形断面时β=2.42参考《新型城市污水处理构筑物图集》,细格栅水头损失h1一般为0.3~0.4m,因此符合要求。(7)栅后槽总高度(H)取栅前渠道超高h2=0.3m,则栅前槽总高度H1=h+h2=0.36+0.3=0.66m栅后槽总高度H=h+h1+h2=0.36+0.21+0.3=0.87m(8)格栅总长度L=L1+L2+0.5+1.0+H1/tanα=1.76+0.88+0.5+1.0+0.66/tan60°=4.52m(9)每日栅渣量:用公式W=计算,取W1=0.1m3/103m3W=所以宜采用机械格栅清渣(10)计算草图如下:(11)格栅除渣机的选择设置三组HF-型回转式细格栅机,一备两用。

1、当您付费下载文档后,您只拥有了使用权限,并不意味着购买了版权,文档只能用于自身使用,不得用于其他商业用途(如 [转卖]进行直接盈利或[编辑后售卖]进行间接盈利)。
2、本站所有内容均由合作方或网友上传,本站不对文档的完整性、权威性及其观点立场正确性做任何保证或承诺!文档内容仅供研究参考,付费前请自行鉴别。
3、如文档内容存在违规,或者侵犯商业秘密、侵犯著作权等,请点击“违规举报”。

碎片内容

污水处理厂构筑物计算-格栅

您可能关注的文档

书海行舟+ 关注
实名认证
内容提供者

热爱教学事业,对互联网知识分享很感兴趣

确认删除?
VIP
微信客服
  • 扫码咨询
会员Q群
  • 会员专属群点击这里加入QQ群
客服邮箱
回到顶部