电脑桌面
添加小米粒文库到电脑桌面
安装后可以在桌面快捷访问

现代混凝土配合比(全计算法)VIP专享VIP免费

现代混凝土配合比(全计算法)_第1页
1/10
现代混凝土配合比(全计算法)_第2页
2/10
现代混凝土配合比(全计算法)_第3页
3/10
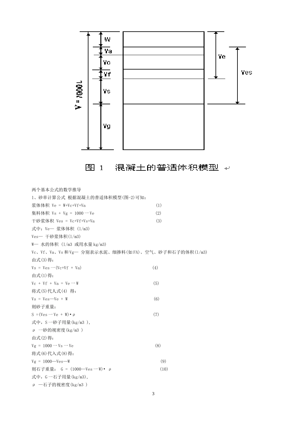
现代混凝土配合比设计——全计算法[摘要]:传统混凝土配合比设计方法(如绝对体积法和假定容重法)是以强度为基础的半定量计算方法,不能全面满足现代混凝土的性能要求。现代混凝土配合比全计算设计方法是以工作性、强度和耐久性为基础建立数学模型,通过严格的数学推导得到混凝土的用水量和砂率的计算公式,并且将此二式与水灰(胶)比定则相结合能计算出混凝土各组份(包括:水泥、细掺料、砂、石、含气量,用水量和超塑化剂掺量等)之间的定量关系和用量。这项研究成果是混凝土配合比上一次大的改进。由于模型的普遍适用性,全计算法不仅用于高性能混凝土的配比设计,而目还能用于流态混凝土、高强混凝土、泵送混凝土、自密实混凝土、商品混凝土以及防渗抗裂混凝土等现代混凝土的配合比设计。一、高性能混凝上配合比全计算法设计高性能混凝土(HPC)与高强混凝土(HSC)和流态混凝土(FLC)最显著的差别是混凝土配合比综合考虑工作性、强度和耐久性。其配合比设计的基本原则是:(1)满足工作性的情况下,用水量要小;(2)满足强度的情况下.水泥用量少,细掺料多掺;(3)材料组成及其用量合理,满足耐久性及特殊性能要求;(4)掺多功能复合超塑化剂(CSP),改善和提高混凝土的多种性能。因此,HPC的配合比设计比HSC和FLC更为严格合理。图-1表示各种类型的混凝土配合比分区范围,无论采取什么方法设计,HSC,FLC和PLC(塑性混凝上)的配合比在一个范围之内,而HPC在AB线附近。由此证明HPC的配合比设计必须严格,精确和合理。强度与水灰(胶)比的关系混凝土配合比设计是混凝土材料科学中最基本而又最重要的一个问题。早在1919年DuffAbrams(D.艾布拉姆斯)就发表了混凝土强度的水灰比定则:“对于一定材料,强度仅取决于一个因素,即水灰比”。这一定则可以用下列公式表示:1该式成为混凝土配合比设计中计算强度的基础。近80年来混凝土配合比设计方法也几经发展,到目前为止,最为常用的两种方法是绝对体积法和假定容重法。这两种方法都是以强度为基础的半定量设计方法。二、混凝土的普适体积模型混凝土是多相聚集,其组分包括:水泥、矿物细掺料、砂:石子、水、空气和外加剂等。我们的基本观点如下:(1)混凝土各组成材料(包括固、气、液三相)具有体积加和性,(2)石子间的空隙由干砂浆来填充,(3)干砂浆的空隙由水来填充,(4)千砂浆由水泥、细掺料、砂和空气所组成。根据以上观点,混凝土普适体积模型建立如图-2。2两个基本公式的数学推导1、砂率计算公式根据混凝土的普适体积模型(图-2)可知:浆体体积Ve=W+Vc+Vf+Va(1)集料体积Vs+Vg=1000一Ve(2)干砂浆体积Ves=Vc+Vf+Vs+Va(3)式中:Ve—浆体体积(l/m3)Ves—干砂浆体积(l/m3)W—水的体积(l/m3或用水量kg/m3)Vc、Vf、Va、Vs和Vg—分别表示水泥、细掺料(如FA)、空气、砂子和石子的体积(l/m3)由式(3)得:Vs=Ves一(Vc+Vf+Va)(4)由式(1)得:Vc+Vf+Va=Ve一W(5)将式(5)代人式(4)得:Vs=Ves—Ve+W(6)则砂子重量:S=(Ves一Ve+W)•ρ(7)式中,S一砂子用量(kg/m3),ρ一砂的视密度(kg/m3)由式(2)得:Vg=1000一Vs一Ve(8)将式(6)代入式(8)得:Vg=1000—Ves—W(9)则石子重量:G=(1000—Ves一W)•ρ(10)式中,G一石子用量(kg/m3),ρ—石子的视密度(kg/m3)3由此式(13)表明,混凝土的砂率随用水量的增加而增加,随胶凝材料的增加而减小。根据美国P.K.Mehta和P.C.Aitcin教授的观点,要使HPC同时达到最佳的施工和易性和强度性能,其水泥浆与骨料的体积比应为35:65,故对HPC,可取Ve=350l/m3,集料体积Vs+Vg=650l/m3。2、干砂浆体积的确定对于一定粒径的碎石,视密度为ρo,堆密度为ρb与石子空隙率(P)的关系为:456公式(21)、(22)和(23)表明:(1)混凝土的用水量取决于强度和水胶比,混凝土强度越高,水胶比越小,则用水量越少;(2)矿物细掺料的品种(密度不同)和掺量影响混凝土的用水量;(3)引气量越大,混凝土用水量越少。四.HPC配合比设计步骤现代混凝土由水泥、矿物细掺料、砂、石子、水和超塑化剂等多种成分按严格的比例关系组成,传统配合比设计方法不可能得到优化的配合比,而"全计算法"在设定条件下能精确计算出每个组分的用量和相互比例。HPC配合比全计算法设计步骤...

1、当您付费下载文档后,您只拥有了使用权限,并不意味着购买了版权,文档只能用于自身使用,不得用于其他商业用途(如 [转卖]进行直接盈利或[编辑后售卖]进行间接盈利)。
2、本站所有内容均由合作方或网友上传,本站不对文档的完整性、权威性及其观点立场正确性做任何保证或承诺!文档内容仅供研究参考,付费前请自行鉴别。
3、如文档内容存在违规,或者侵犯商业秘密、侵犯著作权等,请点击“违规举报”。

碎片内容

现代混凝土配合比(全计算法)

书海行舟+ 关注
实名认证
内容提供者

热爱教学事业,对互联网知识分享很感兴趣

确认删除?
VIP
微信客服
  • 扫码咨询
会员Q群
  • 会员专属群点击这里加入QQ群
客服邮箱
回到顶部