电脑桌面
添加小米粒文库到电脑桌面
安装后可以在桌面快捷访问

认识弹簧铰链中弹簧钢的种类与用途VIP免费

认识弹簧铰链中弹簧钢的种类与用途_第1页
1/5
认识弹簧铰链中弹簧钢的种类与用途_第2页
2/5
认识弹簧铰链中弹簧钢的种类与用途_第3页
3/5
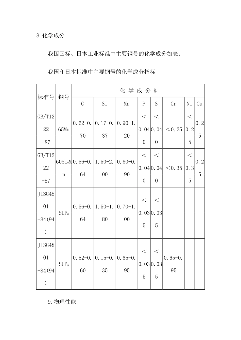
作者:kingwen弹簧铰链,顾名思义,就是一种用弹簧做成的铰链,利用弹簧的弹性避免了合页时常关不住门的弱点。故而,弹簧铰链一面世,就抢去了合页几千年来的大部分分额。那么弹簧铰链中的弹簧是怎么来的呢?为什么有一些铰链会有些弹力很强,有一些去无力关门呢,在网上找了一下,大家看一下弹簧钢的种类及用途或许能明白一二:1.概述弹簧钢主要是应有好的弹性,又由于它是在动载荷环境条件下工作的,所以对制造弹簧的材质最主要的应有高的屈服强度;在承受重载荷时不引起塑性变形;应有高的疲劳强度,在载荷反复作用下具有长的使用寿命;并有足够的韧性和塑性,以防在冲击力作用下突然脆断。在碳素钢中碳含量在0.60~0.90%之间的优质钢是制造弹簧的钢种,但碳素弹簧钢的渗透性差,只宜制作小截面的弹簧,大截面的弹簧需要用合金钢制作。在合金钢中由于合金元素的强化作用,可制造弹簧的材质其含碳量可降低到0.5~0.7%。硅、锰、铬、钒是弹簧钢中最常用的合金元素。一般淬火后进行中温回火可获得高的弹性。2.种类在碳素钢中钢号有65—85号。在合金钢中有65Mn,55SiMn,60SiMn,50CrV等。3.规格及外观质量主要有热轧圆钢、方钢、扁钢及异型截面的弹簧钢钢材。钢材的表面不得有裂纹、折叠、结疤、夹杂、分层和压入的氧化铁皮。4.生产制造方法通常采用电炉冶炼,加入脱氧剂硅、铝,注入钢锭模后,通过锻压或轧制,便得到各种形状的钢材和锻件。5.用途主要用在机车、车辆、汽车、拖拉机、飞机的各种圆柱螺旋弹簧和板簧等。6.主要生产厂及输往国家、地区我国大连钢厂、上海宝钢、重庆钢厂是生产弹簧钢的主要厂家。目前有少量出口任务,质量稳定。主要输往香港及东南亚等地区。7.主要进口生产国家我国目前主要从日本、瑞士、巴西等国进口。进口弹簧钢索赔案中发现的质量问题有:内部裂纹、端部裂纹、锈蚀、麻坑、结疤等;此外短重、短尺问题也曾发生过。因此须加强检验把关。8.化学成分我国国标、日本工业标准中主要钢号的化学成分如表:我国和日本标准中主要钢号的化学成分指标标准号钢号化学成分%CSiMnPSCrNiCuGB/T122265Mn0.62-0.700.17-0.370.90-1.20<0.040<0.040<0.25<0.250.25-87GB/T122260Si2Mn0.56-0.641.50-2.000.60-0.90<0.040<0.040<0.35<0.350.25-87JISG4801SUP60.56-0.641.50-1.800.70-1.00<0.035<0.035-84(94)JISG4801SUP90.52-0.600.15-0.350.65-0.95<0.035<0.0350.65-0.95-84(94)9.物理性能钢材的低倍组织不得有缩孔、裂缝、分层、白点、气泡等缺陷。一般疏松、中心疏松、偏析均不得超过3级。脱碳层深度不应大于直径或厚度的2%。主要钢号的机械性能见表:主要钢号的机械性能指标标准号钢号化学成分%CSiMnPSCrNiCuGB/T122265Mn0.62-0.700.17-0.370.90-1.20<0.040<0.040<0.25<0.250.25-87GB/T122260Si2Mn0.56-0.641.50-2.000.60-0.90<0.040<0.040<0.35<0.350.25-87JISG4801SUP60.56-0.641.50-1.800.70-1.00<0.035<0.035-84(94)JISG4801SUP90.52-0.600.15-0.350.65-0.95<0.035<0.0350.65-0.95-84(94)注:其他国家标准有ΓOCT453等。10.包装裸装、成捆交货、铁丝或钢带捆扎,并有标牌标明炉号、规格等印记。进出口交货时应附品质证,标明所执行的标准及标准中所规定的各项试验结果。11.注意事项由于弹簧制品对脱碳要求严格,淬火时不宜使用高温矽碳棒炉,而采用盐浴炉处理为好。(备注:铰链专家讲铰链专栏文章拒绝未经梁镜文同意,而进行转载或者修改发布,文章内容也仅为个人意见,不代表真正的权威报告。欢迎交流)

1、当您付费下载文档后,您只拥有了使用权限,并不意味着购买了版权,文档只能用于自身使用,不得用于其他商业用途(如 [转卖]进行直接盈利或[编辑后售卖]进行间接盈利)。
2、本站所有内容均由合作方或网友上传,本站不对文档的完整性、权威性及其观点立场正确性做任何保证或承诺!文档内容仅供研究参考,付费前请自行鉴别。
3、如文档内容存在违规,或者侵犯商业秘密、侵犯著作权等,请点击“违规举报”。

碎片内容

认识弹簧铰链中弹簧钢的种类与用途

您可能关注的文档

书海行舟+ 关注
实名认证
内容提供者

热爱教学事业,对互联网知识分享很感兴趣

确认删除?
VIP
微信客服
  • 扫码咨询
会员Q群
  • 会员专属群点击这里加入QQ群
客服邮箱
回到顶部