电脑桌面
添加小米粒文库到电脑桌面
安装后可以在桌面快捷访问

中考实验题力学部分VIP专享VIP免费

中考实验题力学部分_第1页
1/4
中考实验题力学部分_第2页
2/4
中考实验题力学部分_第3页
3/4
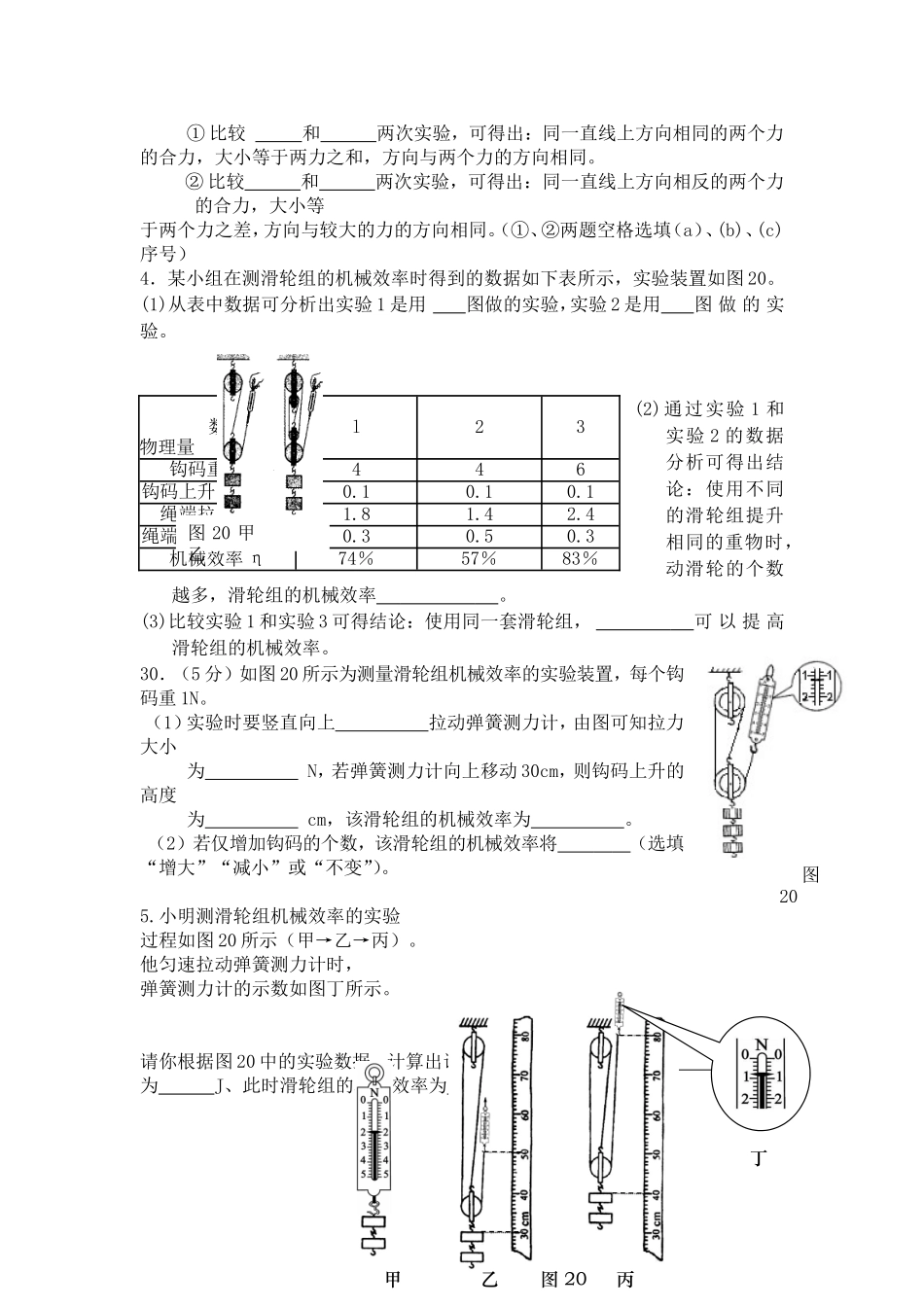
图13中考实验题力学部分1、如图13所示,是探究声现象的常用装置。(1)图中所示的实验现象说明。(2)泡沫塑料球在实验中起的作用是将音叉的微小振动,便于观察。(3)加大力度敲音叉,观察到的现象是,又能得出结论是。1、小明用天平、钩码、弹簧秤研究物体所受重力跟物体质量的关系,测量记录的实验数据如下表质量m/㎏0.000.1000.2000.3000.4000.500重力G/N0.0134.05(1)某次测量弹簧秤的读数如图甲所示,请你将弹簧秤的读数填入上表空格中。(2)根据上表记录的实验数据,在乙图中作出重力随质量变化的图像。(3)由实验可以得出的结论是:2.图17是探究“滑动摩擦力的大小与哪些因素有关”的实验装置。⑴在测量滑动摩擦力的大小时,必须让木块在水平面上做运动;⑵(2分)分析比较甲、乙可以得到:。⑶(2分)分析比较甲、丙可以得到:。3.如图13所示的是研究牛顿第一定律的实验。(1)实验时要让同一辆小车从斜面的同一高度滑下,目的是为了使小车在三种不同表面上运动的初始速度。(2)在相同的实验条件下,小车在__________表面上前进的距离最远,但最后会停下来,这是因为改变了它的运动状态。(3牛顿第一定律是在实验的基础上,通过而抽象概括出来.28.(4分)小刚同学用一个弹簧测力计、一个金属块、两个相同的烧杯(分别装有一定量的水和酒精),对浸在液体中的物体所受的浮力进行了探究。下图19表示探究过程及有关数据。(1)分析②、③、④,说明浮力大小跟有关。(2)分析,说明浮力大小跟液体的密度有关。(3)物体完全浸没在酒精中所受的浮力是N。(4)根据图中的实验数据,该金属块的密度是kg/m3。32.(5分)图21为探究同一直线上二力的合成的实验。实验中每个钩砝的质量都相同。①如图21(a)所示,橡皮筋原长AE,它在同方向力F1和F2的共同作用下伸长到AE';②如图21(b)所示,橡皮筋在两个方向相反的力F1和F2的共同作用下同样伸长到AE';③如图21(c)所示,撤去F1,F2后,用力F作用在橡皮筋上,使橡皮筋也伸长到AE';经过实验,结果如下(1)实验中每次都将橡皮筋的长度从AE拉到AE'以确定合力的大小,这里用到的物理研究方法是。(2)根据实验结果得出结论。图19①比较和两次实验,可得出:同一直线上方向相同的两个力的合力,大小等于两力之和,方向与两个力的方向相同。②比较和两次实验,可得出:同一直线上方向相反的两个力的合力,大小等于两个力之差,方向与较大的力的方向相同。(①、②两题空格选填(a)、(b)、(c)序号)4.某小组在测滑轮组的机械效率时得到的数据如下表所示,实验装置如图20。(1)从表中数据可分析出实验1是用图做的实验,实验2是用图做的实验。(2)通过实验1和实验2的数据分析可得出结论:使用不同的滑轮组提升相同的重物时,动滑轮的个数越多,滑轮组的机械效率。(3)比较实验1和实验3可得结论:使用同一套滑轮组,可以提高滑轮组的机械效率。30.(5分)如图20所示为测量滑轮组机械效率的实验装置,每个钩码重1N。(1)实验时要竖直向上拉动弹簧测力计,由图可知拉力大小为N,若弹簧测力计向上移动30cm,则钩码上升的高度为cm,该滑轮组的机械效率为。(2)若仅增加钩码的个数,该滑轮组的机械效率将(选填“增大”“减小”或“不变”)。5.小明测滑轮组机械效率的实验过程如图20所示(甲→乙→丙)。他匀速拉动弹簧测力计时,弹簧测力计的示数如图丁所示。请你根据图20中的实验数据,计算出该滑轮组所做的有用功为J、总功为J、此时滑轮组的机械效率为。实验次数物理量l23钩码重G/N446钩码上升高度h/m0.10.10.1绳端拉力F/N1.81.42.4绳端移动距离s/m0.30.50.3机械效率η74%57%83%图20甲乙图20甲乙图20丙丁6.在研究液体压强的实验中,进行了如图12所示的操作:(1)实验前,应调整U型管压强计,使左右两边玻璃管中的液面。(2)甲、乙两图是探究液体压强与的关系。(3)要探究液体压强与盛液体的容器形状是否有关,应选择:两图进行对比,结论是:液体压强与盛液体的容器形状。(4)要探究液体压强与密度的关系,应选用两个图进行对比。(5)在图丙中,固定U型管压强计金属盒的橡皮膜在盐水中的深度,使金属盒处于:向上、向下、向左、向右等方位,这是为...

1、当您付费下载文档后,您只拥有了使用权限,并不意味着购买了版权,文档只能用于自身使用,不得用于其他商业用途(如 [转卖]进行直接盈利或[编辑后售卖]进行间接盈利)。
2、本站所有内容均由合作方或网友上传,本站不对文档的完整性、权威性及其观点立场正确性做任何保证或承诺!文档内容仅供研究参考,付费前请自行鉴别。
3、如文档内容存在违规,或者侵犯商业秘密、侵犯著作权等,请点击“违规举报”。

碎片内容

中考实验题力学部分

您可能关注的文档

确认删除?
VIP
微信客服
  • 扫码咨询
会员Q群
  • 会员专属群点击这里加入QQ群
客服邮箱
回到顶部