电脑桌面
添加小米粒文库到电脑桌面
安装后可以在桌面快捷访问

港口水工建筑物(I)习题VIP免费

港口水工建筑物(I)习题_第1页
1/10
港口水工建筑物(I)习题_第2页
2/10
港口水工建筑物(I)习题_第3页
3/10
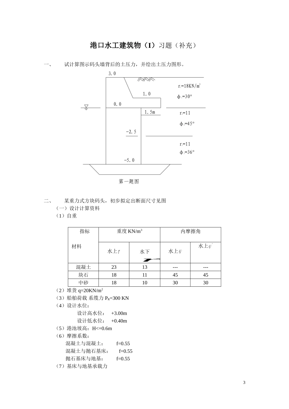
港口水工建筑物(I)习题第一章码头概论1.试叙述码头按不同方式分类的主要形式、工作特点及适用范围。2.码头由哪几部分组成?各部分作用是什么?3.码头结构上的作用如何分类?其作用代表值如何取值?4.试叙述两种极限状态,三种涉及状况与作用组合之间的关系。5.码头地面使用荷载和船舶荷载如何确定?试分析影响上述荷载值确定的主要因素及产生影响的原因。第二章重力式码头1.我国常用的重力式码头按墙身结构分为哪几种类型?各有什么特点?2.如何确定重力式码头的基础形式?试述抛石基床的型式和适用条件以及抛石基床设计应考虑的主要问题。3.如何确定胸墙的底部高程、顶宽、低宽和提高胸墙的耐久性?4.抛石棱体和倒滤层的作用是什么?墙后抛石棱体有哪几种型式?5.重力式码头的土压力、地面使用荷载、船舶荷载分别如何确定?试述地面使用荷载的布置形式及相应的验算项目。6.重力式码头的一般计算项目有哪些?试说出对应采用的极限状态和效应组合,并说明为什么?7.以重力式码头抗滑稳定性验算为例,分析比较岸壁式码头和墩式码头、有波浪力和无波浪力、可变作用产生的土压力为主导可变作用的系缆力为主导可变作用等情况的验算公式的异同点。第三章板桩码头1.板桩码头有哪几种结构型式?适用条件分别是什么?2.单锚板桩墙有哪几种工作状态?其土压力分布有什么特点?3.单锚板桩墙的计算常采用什么方法?为什么要进行“踢脚”稳定性验算?试述罗迈尔法和竖向特性地基梁法的计算要点。4.如果验算锚碇墙(板)的稳定性和确定锚碇墙(板)到板桩墙的距离?问什么要计算锚碇墙(板)的位移?5.拉杆、帽梁、导梁的作用分别是什么?如何计算?6.试说明板桩码头的整体稳定性验算方法。第四章高桩码头1.试述高桩码头的结构型式及其特点、适用范围。2.高桩码头由哪几部分组成?试述各部分的作用、常用型式及特点。3.预制装配的高桩码头中,构件连接应满足什么条件?怎么满足这些条件?4.高桩码头的面板、纵梁、横梁和桩有哪些布置方式?它们对结构内力计算有何影响?5.为提高高桩码头的整体性,可以在结构布置和构造上采用哪些措施?6.试述板梁式高桩码头的面板、纵梁、横向排架、靠船构件的计算方法、计算图式和计算荷载。7.为什么叠合梁中自重引起的内力与使用荷载引起的内力不能简单叠加?比较现有的叠合梁配筋方法的优缺点。1第五章斜坡码头和浮码头1.斜坡码头和浮码头各有何特点和适用条件?2.斜坡码头和浮码头设计对所采用的趸船有哪些要求?3.实体斜坡道贺架空斜坡道可能作用的荷载有哪些?4.试述趸船的系留方式和锚链系统的计算方法。第六章码头设备1.为什么要在码头上设置防冲设备?试说明目前码头上常用橡胶护舷作为防冲设备的原因。2.橡胶护舷按吸收能量的方式可分为哪几种?如何选择和布置橡胶护舷?3.系船设备有哪几种?各用于什么情况?根据什么条件来选择系船设备?4.确定码头路面型式时主要应考虑哪些因素?试述联锁块体如何施工?其工作机理如何?第七章防波堤1.防波堤的基本功能是什么?2.防波堤按平面形式和结构型式如何分类?其基本特点是什么?3.涉及防波堤应考虑哪些水动力条件?设计波浪标准如何确定?4.直立式防波堤的主要型式有哪几种?各自的基本特点是什么?5.作用于直立式防波堤上的波浪有哪几种形态?产生条件是什么?作用于直立式防波堤的波压力如何计算?6.重力式直立防波堤的主要组成部分及设计计算的内容和方法有哪些?7.斜坡式防波堤的基本型式由哪些主要部分构成?各部分的设计要点是什么?8.斜坡式防波堤设计中,有哪些内容应考虑波浪作用进行计算?计算方法是怎样的?第八章修造船水工建筑物1.常用的修造船水工建筑物有哪几种型式?简述它们各自的基本工作原理。2.画图说明自摇式滑道待修船舶的横移摇平原理。3.画图并定性说明船排车载船下水的滑道的船首压力变化过程。4.简述横向高低腿滑道的工作特点。5,船舶上墩下水的设计高水位与设计低水位分别如何确定?6.轨枕道碴结构与钢筋混凝土轨道梁、板结构各有何特点?7.画图并说明船舶的进、出坞过程。8.坞室结构有哪几种结构型式?试述它们各自的工作特点。9.船坞结构有哪些计算内容?其中最基本的计算...

1、当您付费下载文档后,您只拥有了使用权限,并不意味着购买了版权,文档只能用于自身使用,不得用于其他商业用途(如 [转卖]进行直接盈利或[编辑后售卖]进行间接盈利)。
2、本站所有内容均由合作方或网友上传,本站不对文档的完整性、权威性及其观点立场正确性做任何保证或承诺!文档内容仅供研究参考,付费前请自行鉴别。
3、如文档内容存在违规,或者侵犯商业秘密、侵犯著作权等,请点击“违规举报”。

碎片内容

港口水工建筑物(I)习题

确认删除?
VIP
微信客服
  • 扫码咨询
会员Q群
  • 会员专属群点击这里加入QQ群
客服邮箱
回到顶部