电脑桌面
添加小米粒文库到电脑桌面
安装后可以在桌面快捷访问

土建常用计算参考资料VIP免费

土建常用计算参考资料_第1页
1/11
土建常用计算参考资料_第2页
2/11
土建常用计算参考资料_第3页
3/11
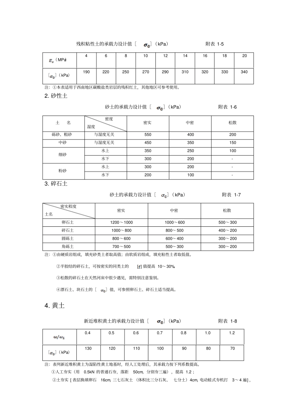
附录一常用计算参考资料一、地基土内摩擦系数地基土内摩擦系数附表1-1地基土名称摩擦系数松散的干砂性土0.58~0.70湿润的砂性土0.62~0.84饱和的砂性土0.36~0.47干的粘性土0.84~1.0湿的粘性土0.36~0.58干的砾石(小卵石)0.70~0.84湿的砾石(小卵石)0.58干而密实的淤泥0.84~1.20湿润的淤泥0.36~0.47二、地基承载力1.粘性土(1)老粘性土的承载力设计值[]可按土的压缩模量(MPa)确定,见附表1-2。老粘性土的承载力设计值[]附表1-2(MPa)10152025303540[](kPa)380430470510550580620注:①老粘性土是指第四纪晚更新世()及其以前沉积的粘性土。②式中:——压力为0.1MPa时,土样的孔隙比;——对应于0.1~0.2MPa压力段的压缩系数(1/MPa);——压缩模量,当老粘土.<10MPa时,承载力设计值按一般粘性土确定。(2)一般粘性土一般粘性土的承载力设计值可按液性指数和天然孔隙比e确定,如附表1-3所示。一般粘性土的承载力设计值[](kPa)附表1-3e00.10.20.30.40.50.60.70.80.91.01.11.20.5450440430420400380350310270240220--0.6420410400380360340310280250220200180-0.74403703503303102902702402201901701601500.83803303002802602402302101801601501401300.93202802602402202101901801601401301201001.0250230220210190170160150140120110--1.1--16015014013012011010090---注:①一般粘性土是指第四纪全新纪()(文化期以前)沉积的粘性土,一般为正常沉积的粘性土;②土中含有粘粒大于2mm的颗粒重量超过全部重量30%以上的,[]可酌量提高;③当e<0.5时,取e=0.5;当时,取0.此外,超过表列范围的一般粘性土,[]可按下式计算:式中符号同前。(3)新近沉积粘性土新近沉积粘性土的承载力设计值可按液性指数和天然孔隙比e确定,如附表1-4所示。新近沉积粘性土的承载力设计值[](kPa)附表1-4e≤0.250.751.25≤0.81401201000.9130110901.0120100801.111090-注:①新近沉积粘性土是指文化期以来沉积的粘性土,一般为欠固结,且强度较低。(4)残积粘性土残积粘性土的承载力设计值[]可按土的压缩模量(MPa)确定,见附表1-5。残积粘性土的承载力设计值[](kPa)附表1-5(MPa)468101214161820[](kPa)190220250270290310320330340注:①本表适用于西南地区碳酸盐类岩层的残积红土,其他地区可参考使用。2.砂性土砂土的承载力设计值[](kPa)附表1-6土名密度湿度密实中密松散砾砂、粗砂与湿度无关550400200中砂与湿度无关450350150细砂水上350250100水下300200-粉砂水上300200-水下200100-3.碎石土砂土的承载力设计值[](kPa)附表1-7密实程度土名密实中密松散卵石土1200~10001000~600500~300碎石土1000~800800~500400~200圆砾土800~600600~400300~200角砾土700~500500~300300~200注:①由硬质岩组成,填充砂类土者取高值;由软质岩组成,填充粘性土者取低值。②半胶结的碎石土,可按密实的同类土的[]值提高10~30%。③松散的碎石土在天然河床中很少遇见,需特别注意鉴别。④漂石土、块石土的[]值,可参照卵石土、碎石土适当提高。4.黄土新近堆积黄土的承载力设计值[](kPa)附表1-80.40.50.60.70.81.01.2[](kPa)130120110100908070注:表列新近堆积黄土为湿陷性黄土地基时,经人工处理后,其承载力按下列系数提高。①人工夯实(用0.5kN的普通石夯,落距50cm,分别夯三遍),提高1.2;②土夯实[表层换填卵石16cm,三七石灰土(体积比三分石灰、七分土)4cm,电动蛙式夯机打3~4遍],提高1.3;③重锤夯实(包括表层1~1.5m厚度的夯实和回填夯实),提高2.0;④打石灰砂桩(基础底面地基加固),提高4.0。一般新黄土的承载力设计值[](kPa)附表1-9≤101316192225283134221901801701601301109070502520019018016014012010080602821020019017015013011090703123021020018016014012010080342523021019017015013011010037-25023021019017015013011040--25023021019017015013043---250230210190170150老黄土的承载力设计值[](kPa)附表1-10e<0.70.7~0.80.8~0.9>0.9<0.67006005004000.6~0.8500400300250>0.8400300250200注:山东老黄土性...

1、当您付费下载文档后,您只拥有了使用权限,并不意味着购买了版权,文档只能用于自身使用,不得用于其他商业用途(如 [转卖]进行直接盈利或[编辑后售卖]进行间接盈利)。
2、本站所有内容均由合作方或网友上传,本站不对文档的完整性、权威性及其观点立场正确性做任何保证或承诺!文档内容仅供研究参考,付费前请自行鉴别。
3、如文档内容存在违规,或者侵犯商业秘密、侵犯著作权等,请点击“违规举报”。

碎片内容

土建常用计算参考资料

爱的疯狂+ 关注
实名认证
内容提供者

该用户很懒,什么也没介绍

确认删除?
VIP
微信客服
  • 扫码咨询
会员Q群
  • 会员专属群点击这里加入QQ群
客服邮箱
回到顶部