电脑桌面
添加小米粒文库到电脑桌面
安装后可以在桌面快捷访问

工程竣工报验单下载范本VIP免费

工程竣工报验单下载范本_第1页
1/23
工程竣工报验单下载范本_第2页
2/23
工程竣工报验单下载范本_第3页
3/23
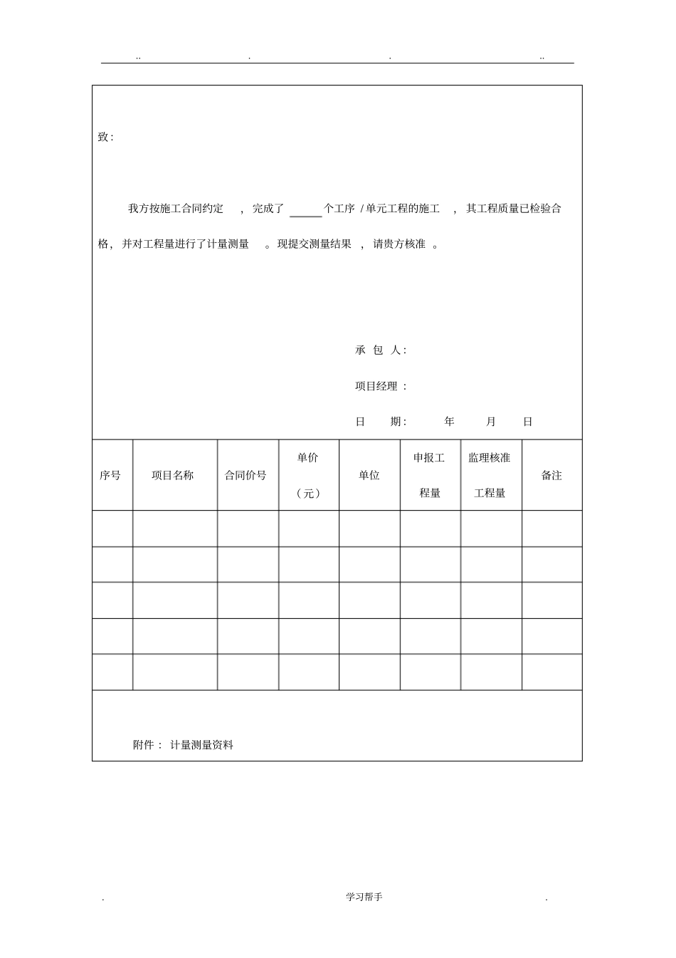
.......学习帮手.工程竣工报验单合同名称:合同编号:致:我方已按合同要求完成了,经工程自检合格,请给予检查验收。附件:承包人:项目经理:日期:年月日.......学习帮手.(审核意见)经初步验收,该工程1、符合/不符合我国现行法律、法规要求;2、符合/不符我国现行工程建设标准;3、符合/不符设计文件要求;4、符合/不符合同要求;综上所述,该工程初步验收合格/不合格,可以/不可以组织正式验收。监理机构:河南方正水利工程咨询有限公司签收人:日期:年月日CB29工程计量报验单(承包[]计量号)合同名称:合同编号:.......学习帮手.致:我方按施工合同约定,完成了个工序/单元工程的施工,其工程质量已检验合格,并对工程量进行了计量测量。现提交测量结果,请贵方核准。承包人:项目经理:日期:年月日序号项目名称合同价号单价(元)单位申报工程量监理核准工程量备注附件:计量测量资料.......学习帮手.(核准意见)监理机构:监理工程师:日期:年月日说明:本表一式份,由承包人填写。监理机构核签后,承包人2份,监理机构、发包人各1份,作为当月已完工程量汇总表的附件使用。工程验收表申请验收单位:项目名称项目建设地点项目受益单位项目实施单位工程效益项目总投资其中:财政投资元,自筹元开工日期竣工日期验收日期建设内容计划数实际完成情况合格情况存在问题.......学习帮手.评定级次优质合格基本合格不合格验收结论单位名称职称(职务)签名工程验收申请报告承建单位:合同编号:No.工程名称建设批准文件号或合同号工程项目开工日期.......学习帮手.地点、部位(桩号)竣工日期施工单位验收阶段施工、安装概况:承建单位施工质安部门年月日审核意见:监理单位总监年月日审核意见:建设单位工程建设部(项目部)负责人年月日审核意见:说明:一式六份,完成验收后返回三份给承建单位备存。CB31附表2已完工程量汇总表(承包[]量号).......学习帮手.合同名称:合同编号:致:(监理机构)本月已完工程量汇总表加上表,请审核。附件:工程计量报验单承包人:(全称及盖章)项目经理:(签名)日期:年月日序号项目名称项目内容单位核准工程量备注.......学习帮手.(审核意见)监理机构:(全称及盖章)总监理工程师:(签名)日期:年月日说明:本表一式份,由承包人依据已签认的工程计量报验单填写。监理机构审签后为CB31的附表,一同流转,审批结算时用。分部工程质量评定表单位工程名称施工单位分部工程名称施工日期自年月日至年月日分部工程量评定日期项次单元工程类别工程量单元工程个数合格个数其中优良个数备注123456.......学习帮手.合计施工单位自评意见监理单位复核意见本分部工程的单元工程质量合格,优良率为%,质量,施工中发生过质量事故,原材料质量,金属结构、启闭机质量,机电产品质量。中间产品质量。分部工程质量等级:质检部门评定人:项目经理或经理代表:(盖公章)年月日复核意见:分部工程质量等级:监理工程师:年月日总监或总监代表:(盖公章)年月日质量监督机构核定核定意见:核定等级:核定人:(签名)项目部负责人:年月日年月日JL24工程移交通知(监理[]移交号)合同名称:合同编号:.......学习帮手.致(承包人):鉴于工程已于年月日通过□单位工程验收□完工验收根据有关规定和施工合同约定,可按本通知的要求,办理移交手续。特此通知。工程移交日期□请于年月日办妥移交手续。□保修期起算日期□本工程保修期,自该工程的移交证书中写明的实际完工之日起算,保修期为个月。办理移交手续前应完成的工作项目:1234监理机构:(全称并盖章)总监理工程师:(签名)日期:年月日.......学习帮手.承包人:(全称并盖章)项目经理:(签名)日期:年月日说明:本通知一式份,由监理机构填写。承包人签字后,承包人、监理机构、发包人各1份。JL25工程移交证书(监理[]移证号)合同名称:合同编号:.......学习帮手.致:(承包人)工程已按施工合同和监理机构的指示完成(该证书中注明的工程缺陷和未完工程除外),并于年月日经过□完工验收/□单位工程验收。根据有关规定和合同约定,监理机构签发此工程移交证书。从本移交证书颁...

1、当您付费下载文档后,您只拥有了使用权限,并不意味着购买了版权,文档只能用于自身使用,不得用于其他商业用途(如 [转卖]进行直接盈利或[编辑后售卖]进行间接盈利)。
2、本站所有内容均由合作方或网友上传,本站不对文档的完整性、权威性及其观点立场正确性做任何保证或承诺!文档内容仅供研究参考,付费前请自行鉴别。
3、如文档内容存在违规,或者侵犯商业秘密、侵犯著作权等,请点击“违规举报”。

碎片内容

工程竣工报验单下载范本

确认删除?
VIP
微信客服
  • 扫码咨询
会员Q群
  • 会员专属群点击这里加入QQ群
客服邮箱
回到顶部