电脑桌面
添加小米粒文库到电脑桌面
安装后可以在桌面快捷访问

工程竣工验收单71047VIP专享VIP免费

工程竣工验收单71047_第1页
1/6
工程竣工验收单71047_第2页
2/6
工程竣工验收单71047_第3页
3/6
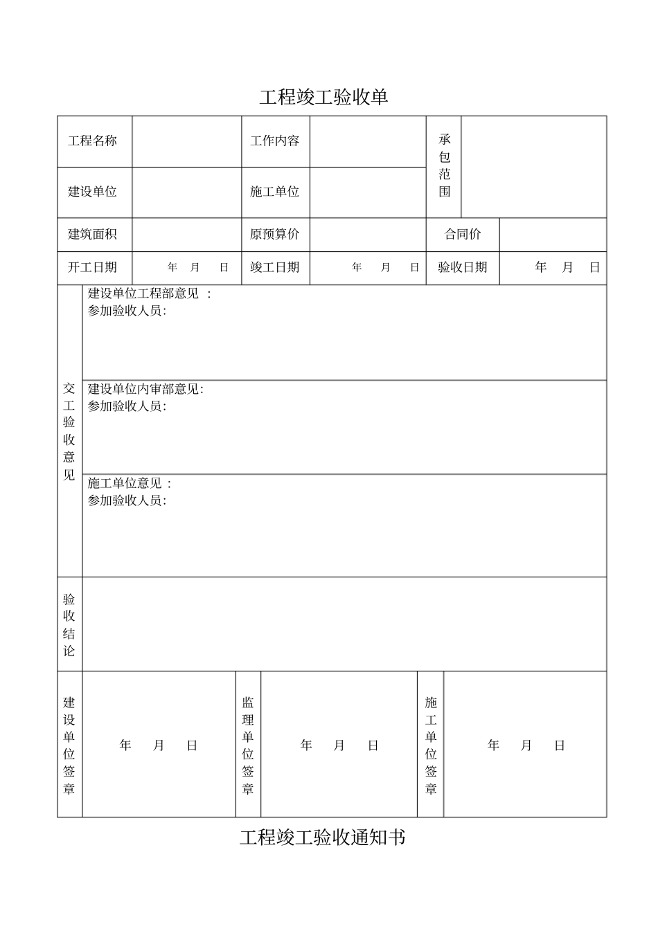
工程竣工验收单工程名称工作内容承包范围建设单位施工单位建筑面积原预算价合同价开工日期年月日竣工日期年月日验收日期年月日交工验收意见建设单位工程部意见:参加验收人员:建设单位内审部意见:参加验收人员:施工单位意见:参加验收人员:验收结论建设单位签章年月日监理单位签章年月日施工单位签章年月日工程竣工验收通知书南宁市城市建设投资发展总公司:城投东盟名酒展示中心,建筑面积平方米,已具备下列验收条件:1.已完成工程设计的各项内容;2.施工单位在工程完工后对工程质量已进行了检查,确认工程质量符合有关法律法规和工程强制性标准,符合设计要求;3.有完整的技术档案和施工管理资料,并已提交监理单位审查符合要求,并随通知书交你公司;4.有工程使用的主要建筑材料的出厂合格证、进场试验报告,并已提交监理单位审查符合要求。现定于年月日进行竣工验收,请建设单位组织竣工验收。监理单位施工单位(章)(章)年月日年月日工程竣工验收单工程名称八桂绿城商业中心招商装修工程工作内容承包范围建设单位施工单位建筑面积原预算价合同价开工日期2009年4月25日竣工日期验收日期年月日交工验收意建设单位意见:参加验收人员:见监理单位意见:参加验收人员:施工单位意见:参加验收人员:验收结论建设单位签章监理单位签章施工单位签章工程竣工验收单工程名称绿城印象小区围墙工程工作内容围墙砌筑、铁艺安装承包范围绿城印象小区及小学围墙(按发包人设计图纸施工)。建设单位南宁市城市建设投资发展总公司施工单位江西昌南建设工程集团公司建筑面积原预算价合同价开工日期竣工日期验收日期年月日交工验收意建设单位意见:参加验收人员:见监理单位意见:参加验收人员:施工单位意见:参加验收人员:验收结论建设单位签章监理单位签章施工单位签章工程竣工验收单工程名称苏堤春晓6#、17#、30#-35#栋三层挑露台渗水维修工程工作内容苏堤春晓6#、17#、30#—35#楼三层挑露台结构层找出裂缝、水固聚氨脂肪防水涂料补缝、铺设两层防水涂料、浇注C30防水膨胀剂钢筋砼等承包范围苏堤春晓6#、17#、30#-35#楼三层挑露台渗水维修(具体内容及技术要求按双方确认的设计图纸施工)。建设单位南宁市城市建设投资发展总公司施工单位江西昌南建设工程集团公司建筑面积原预算价合同价56000元开工日期竣工日期验收日期年月日交工验收意见建设单位意见:参加验收人员:施工单位意见:参加验收人员:验收结论建设单位签章施工单位签章工程竣工验收单工程名称八桂绿城商业中心招商装修工程工作内容由发包人指定的八桂绿城商业中心招商砌隔墙、墙面、地面贴贴砖、涂料、做吊顶、水电安装等。承包范围八桂绿城商业中心招商装修(按发包人设计图纸施工)建设单位南宁市城市建设投资发展总公司施工单位江西昌南建设工程集团公司建筑面积原预算价合同价500000元开工日期2009年4月25日竣工日期2009年7月10日验收日期年月日交工验收意见建设单位意见:参加验收人员:监理单位意见:参加验收人员:施工单位意见:参加验收人员:验收结论建设单位签章监理单位签章施工单位签章

1、当您付费下载文档后,您只拥有了使用权限,并不意味着购买了版权,文档只能用于自身使用,不得用于其他商业用途(如 [转卖]进行直接盈利或[编辑后售卖]进行间接盈利)。
2、本站所有内容均由合作方或网友上传,本站不对文档的完整性、权威性及其观点立场正确性做任何保证或承诺!文档内容仅供研究参考,付费前请自行鉴别。
3、如文档内容存在违规,或者侵犯商业秘密、侵犯著作权等,请点击“违规举报”。

碎片内容

工程竣工验收单71047

确认删除?
VIP
微信客服
  • 扫码咨询
会员Q群
  • 会员专属群点击这里加入QQ群
客服邮箱
回到顶部