电脑桌面
添加小米粒文库到电脑桌面
安装后可以在桌面快捷访问

螺纹凹圆弧内孔轴VIP专享VIP免费

螺纹凹圆弧内孔轴_第1页
1/2
螺纹凹圆弧内孔轴_第2页
2/2
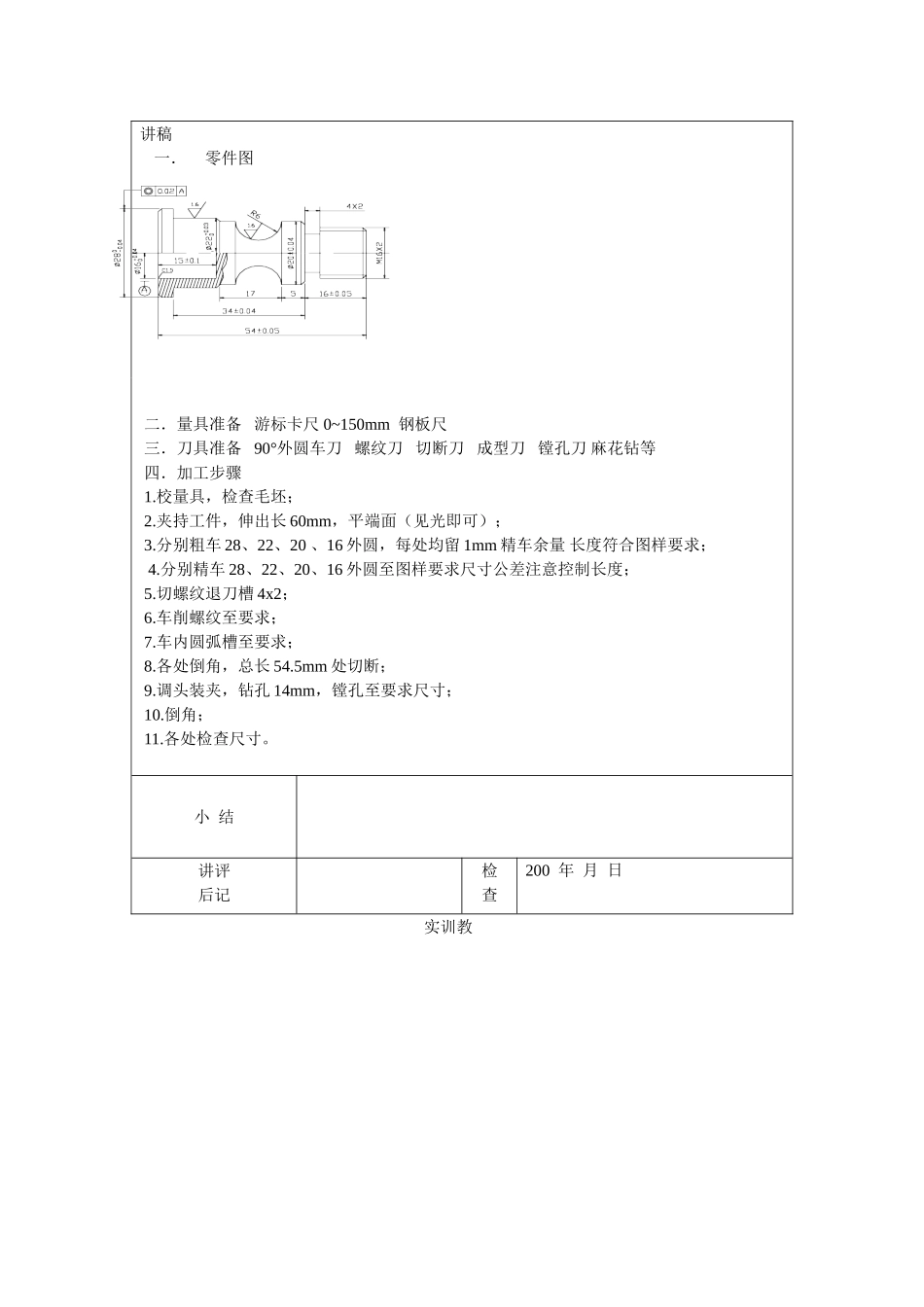
专业部:机械数控专业部授课人:实训项目名称授课班级及时间班级日期星期节次应到实到迟到缺席轴类零件实训子项目名称螺纹凹圆弧内孔轴项目训练目标能够掌握凹圆轴的车削方法;能够自己学会制定加工工艺;控制各部分尺寸。项目训练场地设备实作楼:普车实训室实训项目材料45#圆钢准备的理论知识(或实训指导书)<<车工工艺与技能实训>><<车工技能实训>>实训工艺规范要求要求学生遵守实训室的一切规章制度;统一图纸,制定合理的车削方法,严格按图纸技术要求车削加工零件。实训安全教育为保证实训过程中的人身安全和设备安全,学生进入实训室着装要规范整齐,要服从老师安排,规范操作,操作时配戴好防护眼镜,严格遵守机床操作规程。实训内容与时间安排1、整队集合,清点人数。2、安全教育,强调实训纪律安全3、教师讲解螺纹凹圆弧内孔轴的车削方法及注意事项。4、教师示范操作,5、学生分组依次轮流进行操作训练。6、教师巡回指导,个别和集中辅导,发现错误立即纠正。巡回指导与信息反馈室训教案专业部:机械数控专业部授课人:讲稿一.零件图二.量具准备游标卡尺0~150mm钢板尺三.刀具准备90°外圆车刀螺纹刀切断刀成型刀镗孔刀麻花钻等四.加工步骤1.校量具,检查毛坯;2.夹持工件,伸出长60mm,平端面(见光即可);3.分别粗车28、22、20、16外圆,每处均留1mm精车余量长度符合图样要求;4.分别精车28、22、20、16外圆至图样要求尺寸公差注意控制长度;5.切螺纹退刀槽4x2;6.车削螺纹至要求;7.车内圆弧槽至要求;8.各处倒角,总长54.5mm处切断;9.调头装夹,钻孔14mm,镗孔至要求尺寸;10.倒角;11.各处检查尺寸。小结讲评后记检查200年月日实训教

1、当您付费下载文档后,您只拥有了使用权限,并不意味着购买了版权,文档只能用于自身使用,不得用于其他商业用途(如 [转卖]进行直接盈利或[编辑后售卖]进行间接盈利)。
2、本站所有内容均由合作方或网友上传,本站不对文档的完整性、权威性及其观点立场正确性做任何保证或承诺!文档内容仅供研究参考,付费前请自行鉴别。
3、如文档内容存在违规,或者侵犯商业秘密、侵犯著作权等,请点击“违规举报”。

碎片内容

螺纹凹圆弧内孔轴

您可能关注的文档

确认删除?
VIP
微信客服
  • 扫码咨询
会员Q群
  • 会员专属群点击这里加入QQ群
客服邮箱
回到顶部