电脑桌面
添加小米粒文库到电脑桌面
安装后可以在桌面快捷访问

新初中信息技术装备标准VIP免费

新初中信息技术装备标准_第1页
1/12
新初中信息技术装备标准_第2页
2/12
新初中信息技术装备标准_第3页
3/12
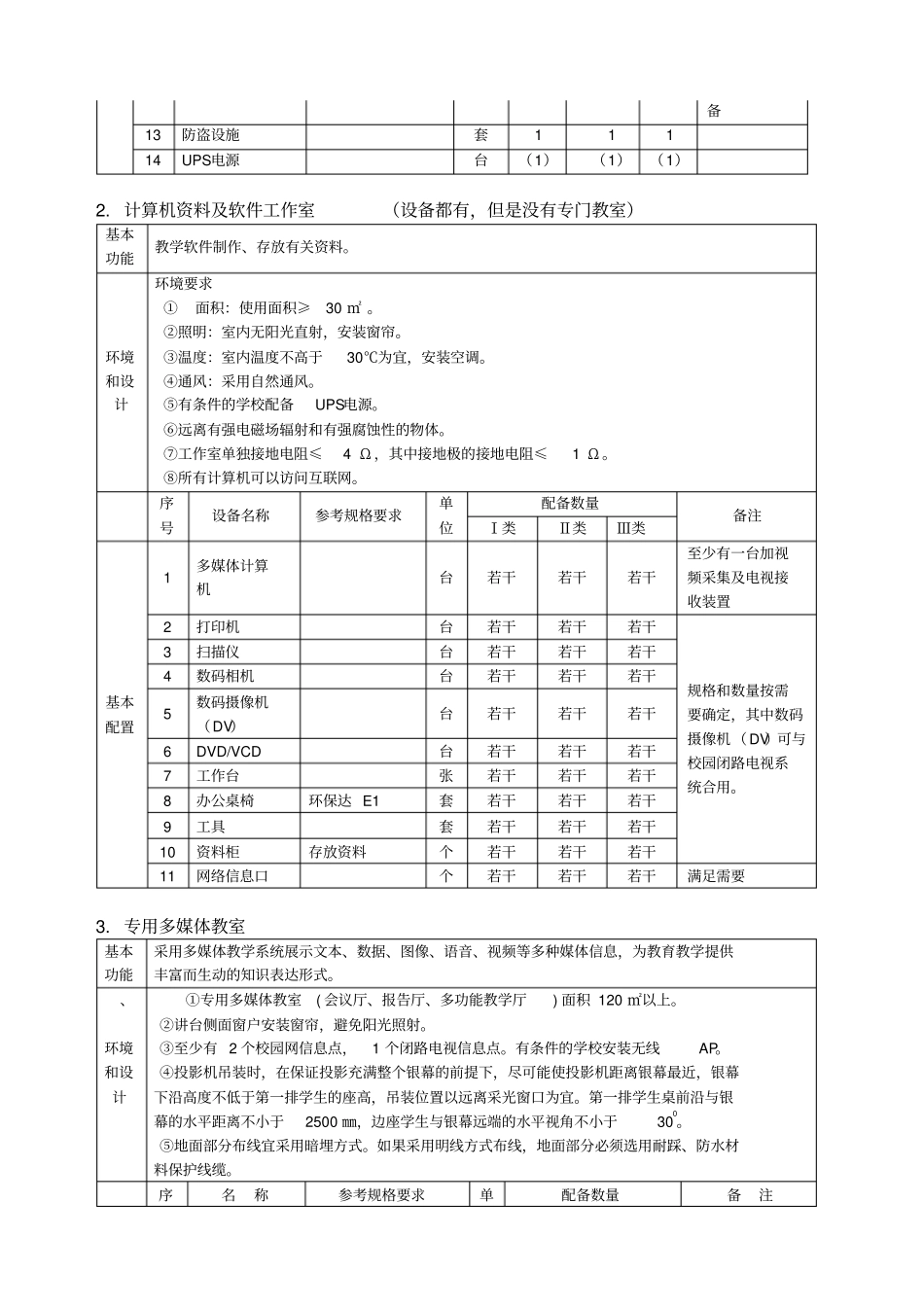
江苏省初级中学信息技术装备标准一、建设与配备(一)信息技术教育设施设置名称6轨及以下8轨12轨16轨Ⅰ类Ⅱ类Ⅲ类Ⅰ类Ⅱ类Ⅲ类Ⅰ类Ⅱ类Ⅲ类Ⅰ类Ⅱ类Ⅲ类数量数量数量数量数量数量数量数量数量数量数量数量计算机网络教室111222332433计算机资料及软件制作室11(1)11(1)11(1)11(1)专用多媒体教室≥1≥1≥1≥1≥1≥1≥1≥1≥1≥1≥1≥1安装多媒体设备教室占班级总数比例1/11/21/31/11/21/31/11/21/31/11/21/3自动录播教室(1)(1)(1)(1)校园网络管理中心111111111111校园闭路电视系统11(1)11(1)11(1)11(1)校园广播系统111111111111学校安全监控系统111111111111要求:1.各校可根据情况适当增加功能教室的数量。2.各功能教室使用的面积(㎡)以《中小学校建筑设计规范》为依据。3.在校学生数与网络环境下学生使用计算机数(含计算机教室、普通教室、各专用教室、电子阅览室的计算机)之比:Ⅰ类学校达8:1,Ⅱ类学校达10:1;Ⅲ类学校达12:1。任课教师数与网络环境下教师计算机数之比:Ⅰ、Ⅱ类学校达1:1;Ⅲ类学校达3:1。4.学校专用多媒体教室必须采用不小于100英寸的大屏幕显示设备,普通教室多媒体必须采用不小于42英寸的大屏幕显示设备,学校可根据情况选择。5.各功能教室的防火、防盗、防雷等安全设施设备的配备均应达到国家相关规定的要求。6.学校闭路电视系统可以选择采用数字信号传输模式或模拟信号传输方式,详见闭路电视系统。7.组建城域网区、市(县)的学校,校园网建设应达到学校内部计算机联网并联通互联网,能实现“校园网络系统”的基本功能。8.Ⅲ类学校可根据实际情况调整专用多媒体教室和教室安装多媒体设备的比例。9.及时淘汰(或升级改造)不能满足教学需要的计算机,并确保学校在教育教学中可使用的计算机数量不低于上述标准。10.学校信息技术中的所有应用软件必须采用正版软件。11.有条件的学校可将其中的一个计算机网络教室按中考人机对话的考场要求配置。12.理科实验室可适当减少多媒体设备的配备数量,化学实验室可配备移动式多媒体设备。说明:1.7轨学校参照8轨;19、10轨学校在8轨基础上同比增加;11轨学校参照12轨;13~15轨学校参照16轨;16轨以上学校在16轨基础上同比增加。2.学校计算机网络教室可兼作图书馆电子阅览室使用,但必须有专人管理、有规章制度、有供学生阅读的资料、有固定的开放时间。(二)建设要求1.计算机网络教室基本功能开展信息技术课程教学、英语听力考试、各学科计算机辅助教学以及学科整合教学、综合实践活动的场所,可用作学生电子阅览。环境和设计1.环境要求①使用面积:90--110㎡/间。②机房须安装空调,使用时室内温度不高于30℃。③计算机室宜设在楼房的中、上层,不宜设在地层和顶层。2.设计要求①计算机室应具有良好的防雷设施,专线供电,地板防静电,并远离有强电磁场辐射和有强腐蚀性的物体。②网络布线、电源布线必须符合国际、国内相关的建设和验收标准规范。计算机室单独接地电阻≤4Ω,其中接地极的接地电阻≤1Ω。③地面可铺设防静电地板,也可使用地砖、地板革、水磨石地面。防静电地板下的布线要有防鼠、防水保护措施。地面开槽布线时,盖板要坚硬不变形、不漏水,且容易开启便于维护。④计算机网络室建议采用光纤接入,带宽不低于百兆。⑤学生计算机桌采用纵向排列时,列间距离不小于1800mm;采用传统的横向排列时,桌间距离不小于600mm。⑥所有计算机按以太网结构方式接入校园网,学生机采取系统硬盘保护措施。⑦机房电压应满足:电压220V,频率50Hz,三相五线制/三相四线/两相三线制,三相接入要注意三相负载均衡;并安装相应规格的漏电防护装置;空调机与计算机采用分路供电。3.计算机辅房使用面积:≥16㎡/间,应紧靠计算机教室。可兼作配电房,放置稳压器等。序号设备名称参考规格要求单位配备数量备注Ⅰ类Ⅱ类Ⅲ类基本配置1学生用多媒体计算机配备带麦克风的耳机一副台保证一人一机使用配杀毒软件、防木马软件2教师用计算机台111配套软件3交换机100/100OM自适应台若干若干若干配套4参数稳压电源5KVA台若干若干若干配套5网络教室广播软件系统套1116教师座椅张1117讲台张1118学生计算机台环保...

1、当您付费下载文档后,您只拥有了使用权限,并不意味着购买了版权,文档只能用于自身使用,不得用于其他商业用途(如 [转卖]进行直接盈利或[编辑后售卖]进行间接盈利)。
2、本站所有内容均由合作方或网友上传,本站不对文档的完整性、权威性及其观点立场正确性做任何保证或承诺!文档内容仅供研究参考,付费前请自行鉴别。
3、如文档内容存在违规,或者侵犯商业秘密、侵犯著作权等,请点击“违规举报”。

碎片内容

新初中信息技术装备标准

确认删除?
VIP
微信客服
  • 扫码咨询
会员Q群
  • 会员专属群点击这里加入QQ群
客服邮箱
回到顶部