电脑桌面
添加小米粒文库到电脑桌面
安装后可以在桌面快捷访问

有史以来最全的通讯电缆编程电缆自制大全教材VIP免费

有史以来最全的通讯电缆编程电缆自制大全教材_第1页
1/50
有史以来最全的通讯电缆编程电缆自制大全教材_第2页
2/50
有史以来最全的通讯电缆编程电缆自制大全教材_第3页
3/50
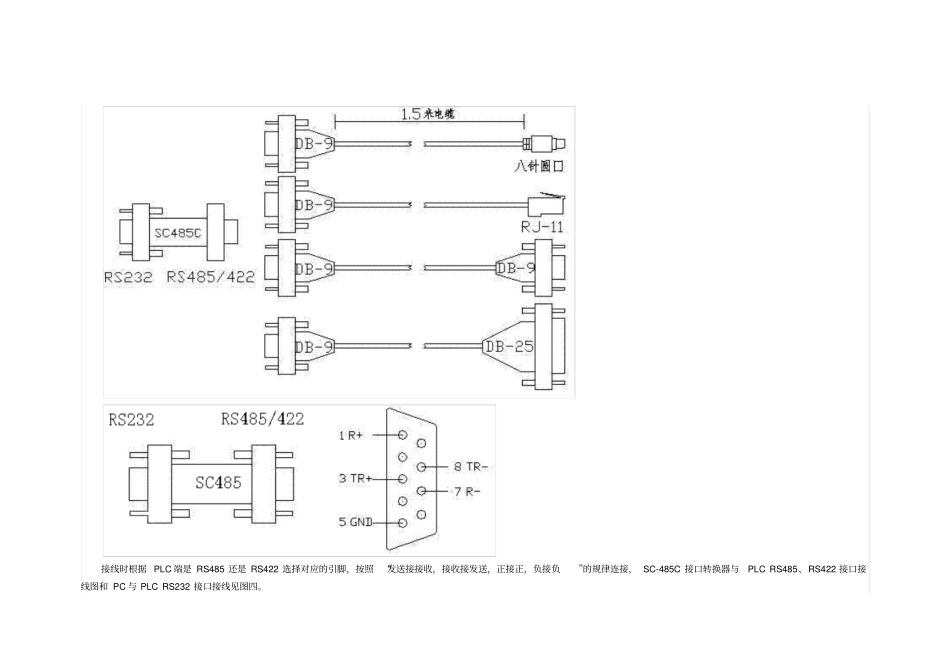
有史以来最全的通讯电缆编程电缆自制大全一.前言随着可编程序控制器(PLC)在工业控制领域的广泛应用,PLC编程成了电气工程技术人员必须掌握的专业技能。可编程序控制器的品牌众多,欧、美、日、韩及台湾的PLC纷纷抢滩大陆,在给使用者提供了多种选择的同时,也给使用者带来了小小麻烦。由于不同品牌PLC的编程电缆互不通用,买一根原装电缆往往上千元。对于以学习为主要目的以及经常碰到不同品牌PLC的技术人员来说,如果能够有办法花较低的代价自制一根编程电缆,无疑为他们提供了方便。PLC虽然品牌众多,但各种品牌的PLC其编程接口不外乎几种型式,在PLC随机提供的技术手册里一般也都会提供编程口的引脚定义,这就为自制编程线提供了可能。下面我就PLC编程口的几种串行通信接口标准和物理结构,详细说明如何DIY一根适用的编程电缆。二.PLC编程口的型式编程电缆一端与PC的COM口相连,另一端与PLC的编程口相连,PC端的COM口均为RS232C接口,DB-9针形插头。而PLC的编程口按接口标准一般可分为三种,即RS232、RS485、RS422。按物理结构可分为五种,即八针圆口(DIN-8),九针D形口(DB-9),二十五针D形口(DB-25),RJ11口以及专用接口,其中以前两种居多,各接口引脚排列如图一所示。为了做好编程电缆,首先要大概了解一下这三种串行通信接口标准。RS-232、RS-422与RS-485是三种串行数据接口标准,接口标准只对接口的电气特性做出规定,而不涉及接插件、电缆或协议,所以同样一种接口标准可以有不同的物理结构,如DB-9、DB-25等。RS-232是PC机与通信工业中应用最广泛的一种串行接口,RS-232C总线标准设有25条信号线,包括一个主通道和一个辅助通道。多数情况下只使用主通道,常用九条信号线(九针D形口),各引脚定义如表一所示。对于一般双工通信,仅需几条信号线就可实现,如发送数据线TXD和接收数据线RXD以及逻辑地线GND,RS232C只能点对点通讯,传输距离短,共模抑制能力差。RS-485采用平衡发送和差分接收,因此具有抑制共模干扰的能力。它使用一对双绞线,将其中一根定义为A(TXD-/RXD-),另一根定义为B(TXD+/RXD+),不需要数字地线。速率在100kbps及以下时通信距离达1200米以上。RS-485可以联网构成分布式系统,其允许最多并联32台驱动器和32台接收器。RS-485只能实现半双工通信。RS-232接口引脚定义25针9针缩写描述23TXD发送数据32RXD接收数据47RTS请求发送58CTS允许发送66DSR通讯设备准备好75GND信号地81CD载波检测204DTR数据终端准备好229RI响铃指示器表一RS-422接口标准主要是为克服RS-232接口标准的通讯距离短和传输速率慢而建立的。RS-422标准是一种以平衡方式传输的标准,使用二对双绞线,每个信号以两根信号线来传输,即发送数据TXD+、TXD-,接收数据RXD+、RXD-,逻辑电平是由两条传输线之间的电位差来决定的,由于采用了双线传输,大大增强了抗共模干扰的能力,因此最大数据速率可达10MbPs(传送15m时)。若传输速率降到90kbPs时,则最大距离可达1200m,可实现全双工通信。三.编程电缆的制作各厂家的编程电缆的作用就是将PLC端的RS485、RS422格式的数据转换为PC端的RS232C格式的数据,PLC端如果是RS232则只要按规则直接连接即可。因此要自制PLC编程电缆,就必须将PLC端的RS485、RS422转换为PC机能够识别的RS232C,PC才能与PLC通信,完成下载、上传、监控等工作,这就涉及到一个接口标准转换的问题。实现接口转换有几种方法:一是用简易的电平转换电路,但一种电路只能针对一种PLC,且功能不全,性能也不太可*,甚至可能会损坏PC机的串口;二是用专用的接口转换IC,但业余实现起来比较复杂,不适合自制。这里我们使用一种成品通讯接口转换器,可以实现RS232/RS485/RS422的转换,由于是专用的通讯接口转换器,使用起来很方便且性能可*,价格也比较低。该类产品市场上比较多,以四川德阳四星电子的产品SC-485C接口转换器为例,该转换器用于RS232到RS485/RS422的通讯转换,体积小巧,只有两个DB-9插头大小,采用串口窃电技术,不需外接电源。SC-485C的结构及引脚定义如图二所示。RS232端为DB-9的孔座,可以直接插在PC机的COM口上,RS485/RS422端为DB-9的针座,RS48...

1、当您付费下载文档后,您只拥有了使用权限,并不意味着购买了版权,文档只能用于自身使用,不得用于其他商业用途(如 [转卖]进行直接盈利或[编辑后售卖]进行间接盈利)。
2、本站所有内容均由合作方或网友上传,本站不对文档的完整性、权威性及其观点立场正确性做任何保证或承诺!文档内容仅供研究参考,付费前请自行鉴别。
3、如文档内容存在违规,或者侵犯商业秘密、侵犯著作权等,请点击“违规举报”。

碎片内容

有史以来最全的通讯电缆编程电缆自制大全教材

您可能关注的文档

文库当当响+ 关注
实名认证
内容提供者

该用户很懒,什么也没介绍

确认删除?
VIP
微信客服
  • 扫码咨询
会员Q群
  • 会员专属群点击这里加入QQ群
客服邮箱
回到顶部