电脑桌面
添加小米粒文库到电脑桌面
安装后可以在桌面快捷访问

机械制造工艺学课程设计题目剖析VIP免费

机械制造工艺学课程设计题目剖析_第1页
1/8
机械制造工艺学课程设计题目剖析_第2页
2/8
机械制造工艺学课程设计题目剖析_第3页
3/8
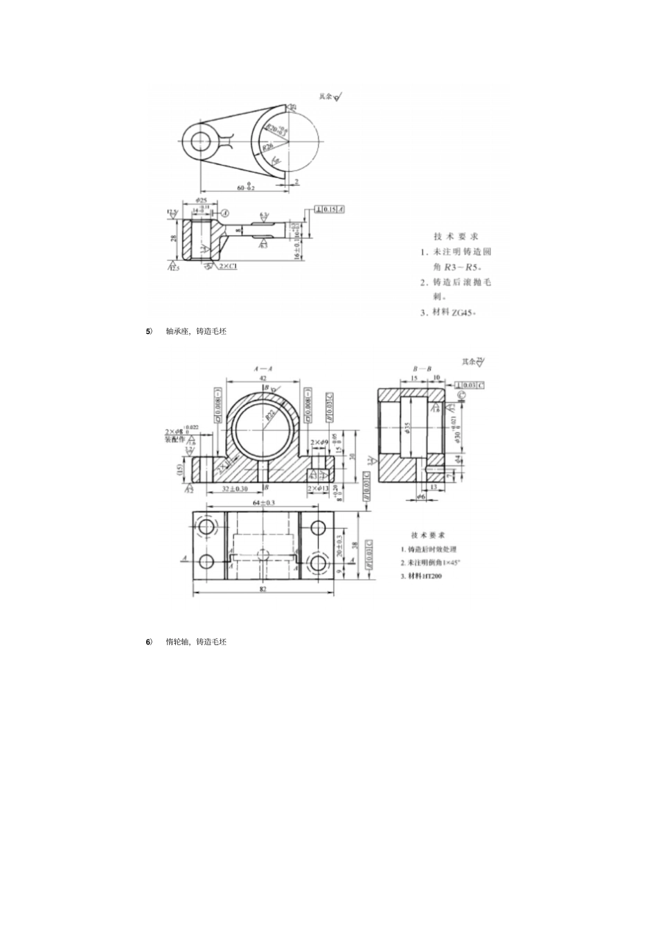
课程设计一、设计应完成的内容:)制定指定零件(或零件组)的机械加工工艺规程,编制机械加工工艺卡片,选择所用机床、夹具、刀具、量具、辅具;)对所制定的工艺进行必要的分析论证和计算;)确定毛坯制造方法及主要表面的总余量;)确定主要工序的工序尺寸、公差和技术要求;)对主要工序进行工序设计,编制机械加工工序卡片,画出的工序简图,选择切削用量;二、设计工作量(课程设计完成后应交的资料)1)绘制零件图一张(机绘,先绘制三维图,再生成二维图)。2)绘制毛坯-零件合图一张(机绘,先绘制三维图,再生成二维图)。3)设计说明书1份(20页左右--采用“A4纸”)。4)说明书中包括机械加工工艺卡片一套、机械加工工序卡片10张以上。5)重要工序的夹具设计。6)生产方式:大批量。3、题目:1)输出轴,毛坯为Φ90棒料技术要求1.调质处理28~32HRC。3.未注圆角R1。2.材料45。4、保留中心孔。2)十字头,铸造毛坯技术要求1.铸件时效处理。3.铸造圆角R5。2.材料HT200。4、未注明倒角1X450。3)齿轮轴,锻造毛坯4)车床拨叉,铸造毛坯,两件合铸,加工到一定工序后切开,切口2mm。5)轴承座,铸造毛坯6)惰轮轴,铸造毛坯7)三轴连杆,锻造毛坯8)推动架,铸造毛坯9)双联齿轮均布均布10)摇杆零件图11)料为棒料12)轴承座13)行星减速器输入轴14)行星齿轮减速器太阳轮15012060361.60.02B1.6B4-11φφ160.03A13+0.035φ6000.81.66.360±0.052-φ8(配作)605A(105)R45φ764-M8铸造圆角R5材料:HT200其余6.3102015)输入轴

1、当您付费下载文档后,您只拥有了使用权限,并不意味着购买了版权,文档只能用于自身使用,不得用于其他商业用途(如 [转卖]进行直接盈利或[编辑后售卖]进行间接盈利)。
2、本站所有内容均由合作方或网友上传,本站不对文档的完整性、权威性及其观点立场正确性做任何保证或承诺!文档内容仅供研究参考,付费前请自行鉴别。
3、如文档内容存在违规,或者侵犯商业秘密、侵犯著作权等,请点击“违规举报”。

碎片内容

机械制造工艺学课程设计题目剖析

确认删除?
VIP
微信客服
  • 扫码咨询
会员Q群
  • 会员专属群点击这里加入QQ群
客服邮箱
回到顶部