电脑桌面
添加小米粒文库到电脑桌面
安装后可以在桌面快捷访问

机电传动与控制课后问题详解-电子的工业出版社-王宗才VIP免费

机电传动与控制课后问题详解-电子的工业出版社-王宗才_第1页
1/8
机电传动与控制课后问题详解-电子的工业出版社-王宗才_第2页
2/8
机电传动与控制课后问题详解-电子的工业出版社-王宗才_第3页
3/8
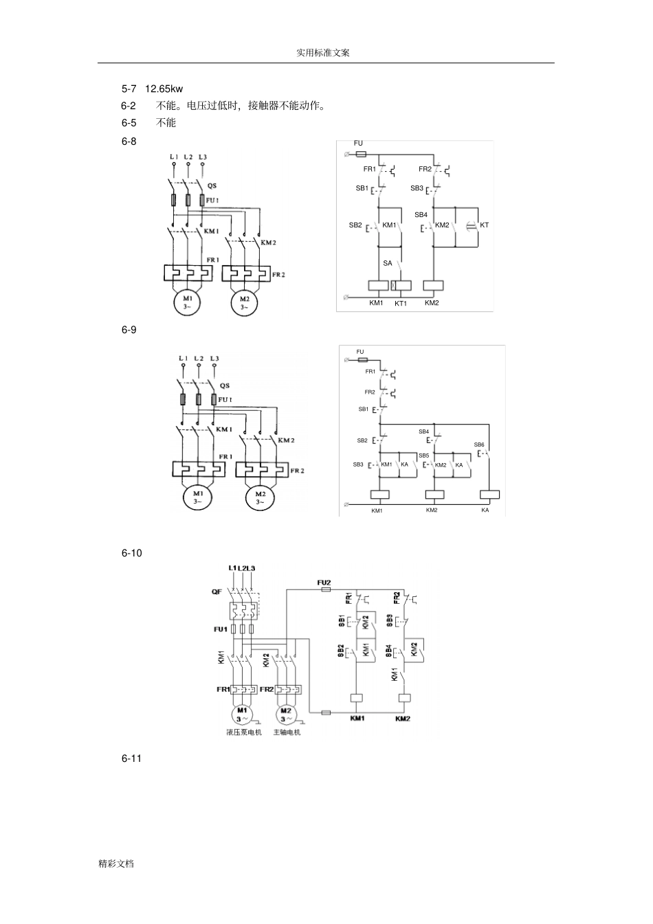
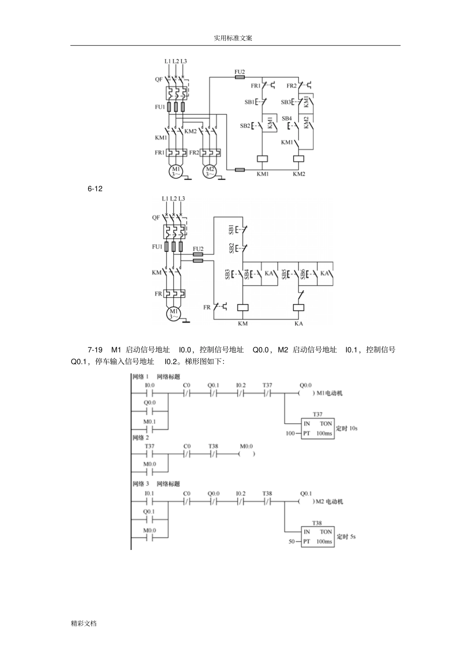
实用标准文案精彩文档部分习题与思考题的参考答案及提示部分习题与思考题的参考答案及提示:0-3(a)加速(b)匀速(c)减速(d)减速(e)减速(f)匀速0-4(a)是(b)是(c)是(d)是(e)不是2-4电枢电流基本不变。在稳定状态下T=KmΦIa=TL=恒定值,Φ不变,Ia也不变。2-8IN=38.5ATN=9.55PN/nN=47.75Nm2-9(1)n0=1559r/minTN=9.55PN/nN=41.38Nm(2)当Rad=3Ω时,n=854r/min;当Rad=5Ω时,n=311r/min(3)当U=0.5UN时,n=732r/min,n0=780r/min(4)当φ=0.8φ时,n=1517r/min,n0=1964r/min2-10(1)IaN=25A;(2)IfN=1.33A;(3)Pf=146.3W;(4)TN=14Nm;(5)EN=100V;(6)Ist=275A;(7)启动电阻Rst>1.68Ω;启动转矩Tst=33.34Nm2-11(1)电枢电流Ia=-145.2A,电磁转矩T=-189.1Nm。(2)n=986.9r/min2-12(1)nmin=1129r/min;(2)调速范围D=1.329;(3)Rad=0.737Ω(4)P1=15114W,P2=KeΦNnminIN=10579W,外电阻损耗:p=IN2Rad=3478w2-13(1)R=1.0375Ω(2)R=2.6Ω(3)能耗制动时:n=0,T=0;反接制动时:n=0,Ea=0,T=-46.3785Nm。3-1p=3,s=0.0253-2s=1,n0-n=sn0最大,转子回路感应出的电动势最大,因此转子电流I2大。3-4s=0.01,f2=0.5Hz,3-5定子电流I1随之增大。若拖动额定负载运行,将损坏电动机。3-6(1)额定电流IN=84.178A;(2)额定转差率SN=1.33%;(3)额定转矩TN=290.37Nm,最大转矩Tmax=638.8Nm,启动转矩Tst=551.7Nm。3-7相异步电动机在相同电源电压下,满载和空载启动时,启动电流和启动转矩都相同。3-8不是。串入适当电阻可增大启动转矩。串入电抗后堵转转矩不但不增大反而会减小。3-9(1)I线N=I线N=IN=5.03A,TN=14.8Nm(2)SN=5.33%,f2=2.67Hz3-10n0=3000r/min,n=2880r/min3-11s=4.6%,n=954r/min3-13(1)U=UN时能启动,U′=0.8UN时不能启动(2)TL=0.45TN时不能启动,TL=0.35TN时能启动(3)启动电流199.68A,启动转矩127.7Nm。4-149.5m/s5-4不相同。不同季节对电动机的散热快慢有很大影响。5-520.2KW5-6(1)不能,因为规定一个周期的总时间tp+t0不能超过十分钟。(2)ε=40%,20Kw的短时工作制电动机实际容量大些。实用标准文案精彩文档5-712.65kw6-2不能。电压过低时,接触器不能动作。6-5不能6-86-96-106-11SB1KAKM1KM2SB5SB4KM1SB3KASB2KM2KASB6FR2FR1FUFR1KM1SB1SB2FUKT1KM2SAKM2SB3KM1SB4FR2KT实用标准文案精彩文档6-127-19M1启动信号地址I0.0,控制信号地址Q0.0,M2启动信号地址I0.1,控制信号Q0.1,停车输入信号地址I0.2。梯形图如下:实用标准文案精彩文档7-207-21实用标准文案精彩文档7-237-24实用标准文案精彩文档7-257-26先将65°化为弧度值,然后再求Sin值,程序如下:LDI0.0MOVR3.141592,AC0/R180.0,AC0*R65.0,AC0SINAC0,VD10运行结果:VD0=0.906317-27实用标准文案精彩文档LDI0.0MOV-B0,VB300BMBVB300,VB0,2557-28LDI0.0MOVB10,VB0//将“A”先送到VB0SEGVB0,QB0//再将VB0中数据转换成ASCII码7-297-30主程序:实用标准文案精彩文档子程序:7-31主程序中断程序

1、当您付费下载文档后,您只拥有了使用权限,并不意味着购买了版权,文档只能用于自身使用,不得用于其他商业用途(如 [转卖]进行直接盈利或[编辑后售卖]进行间接盈利)。
2、本站所有内容均由合作方或网友上传,本站不对文档的完整性、权威性及其观点立场正确性做任何保证或承诺!文档内容仅供研究参考,付费前请自行鉴别。
3、如文档内容存在违规,或者侵犯商业秘密、侵犯著作权等,请点击“违规举报”。

碎片内容

机电传动与控制课后问题详解-电子的工业出版社-王宗才

文库响当当+ 关注
实名认证
内容提供者

该用户很懒,什么也没介绍

确认删除?
VIP
微信客服
  • 扫码咨询
会员Q群
  • 会员专属群点击这里加入QQ群
客服邮箱
回到顶部