电脑桌面
添加小米粒文库到电脑桌面
安装后可以在桌面快捷访问

电容器基本常识VIP免费

电容器基本常识_第1页
1/17
电容器基本常识_第2页
2/17
电容器基本常识_第3页
3/17
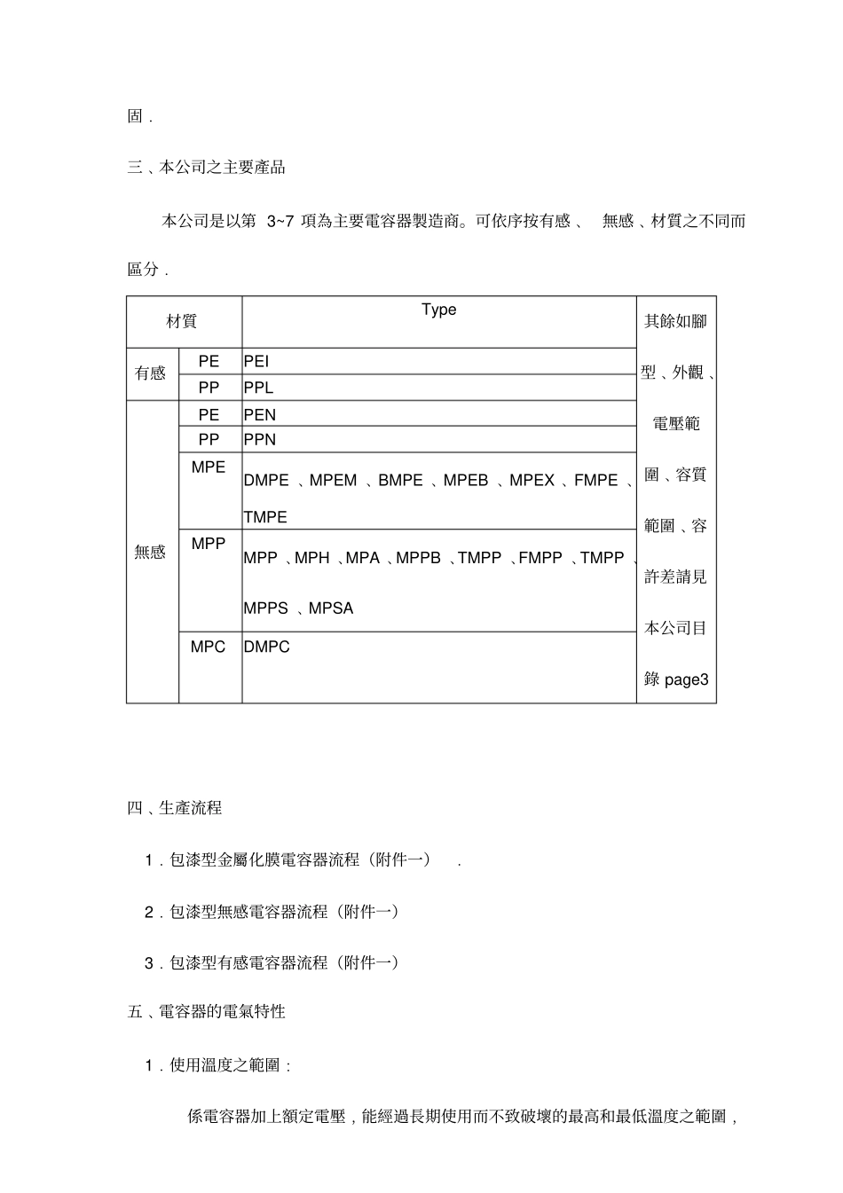
電容器基本常識一﹑電容器的基本構造﹕在正負兩極間加入介質(絕緣材料)乃是電容器的最基本構造﹒二﹑電容器的總類﹕1﹒含油紙質電容(OilimpregnatedpaperCapacitor)以兩層以上的絕緣體當介質﹐在真空槽中含浸絕緣油﹐再予以封裝即可﹒2﹒金屬化紙電容(MetallizedpaperCapacitor)3﹒聚乙酯膜電容(PolyesterFilmCapacitor)4﹒金屬化聚乙酯膜電容(MetallizedPolyesterFilmCapacitor)簡稱MPE5﹒聚苯乙烯膜電容(PolystyreneFilmCapacitor)簡稱P.S.Cap6﹒聚丙烯膜電容(PolypropyleneFilmCapacitor)簡稱PP.Cap7﹒金屬化聚丙烯膜電容(MetallizedPolypropyleneFilmCapacitor)簡稱MPPCap.8﹒雲母電容(MicaCapacitor)9﹒陶瓷電容(CeramicCapacitor)10﹒鋁電解電容(AluminumElectrolyticCapacitor)11﹒空氣電容(AirCapacitor)12﹒聚碳酯電容(PC)以上凡是金屬化膜電容器皆具有自我恢復作用和小型化的特色﹐自我恢復作用是經電壓瞬時破壞後﹐仍會恢復﹐不致短路﹐因其材料上蒸著之金屬物氣化蒸發飛散之固﹒三﹑本公司之主要產品本公司是以第3~7項為主要電容器製造商。可依序按有感﹑無感﹑材質之不同而區分﹒材質Type其餘如腳型﹑外觀﹑電壓範圍﹑容質範圍﹑容許差請見本公司目錄page3有感PEPEIPPPPL無感PEPENPPPPNMPEDMPE﹑MPEM﹑BMPE﹑MPEB﹑MPEX﹑FMPE﹑TMPEMPPMPP﹑MPH﹑MPA﹑MPPB﹑TMPP﹑FMPP﹑TMPP﹑MPPS﹑MPSAMPCDMPC四﹑生產流程1﹒包漆型金屬化膜電容器流程(附件一)﹒2﹒包漆型無感電容器流程(附件一)3﹒包漆型有感電容器流程(附件一)五﹑電容器的電氣特性1﹒使用溫度之範圍﹕係電容器加上額定電壓﹐能經過長期使用而不致破壞的最高和最低溫度之範圍﹐各種電容器之使用溫度範圍各異﹐因此在選用時必需選取能合乎使用環境溫度範圍的電容﹐以免使用壽命太短﹒Example:產品使用溫度聚苯乙烯(PS)-40℃~+75℃聚乙脂膜(PE﹑MPE)-40℃~+100℃聚丙烯(PP﹑MPP﹑PPS)-40℃~+80℃2﹒DF值(損耗因素﹕DissipationFactor)DF為損耗因素﹐指電容使用於高頻﹑大信號的電路時﹐其電容所損耗的電量與原有之帶電量之比例﹒例如﹕某電容之帶電量為1庫倫﹐經用於某回路上時損耗了0.2庫倫﹐剩下0.8庫倫﹐則其DF值為0.2/1=20%﹒若是容器的DF值越大﹐則該電容器越容易生熱﹐易遭破壞﹐壽命不長﹒因此使用條件不同的電路上對DF的要求也應該有所不同﹒Example:產品使用頻率DF聚苯乙烯(PS)1KHz0.0008以下聚乙脂膜(PE﹑MPE)1KHz0.006以下聚丙烯(PP﹑MPP﹑PPS)1KHz0.0008以下3﹒IR(絕緣電阻﹕InsulationResistance)漏電流與絕緣電阻有直接的關系﹐我們希望漏電流越小﹐就得要求絕緣電阻越大﹐因此在各種電路的電容器其IR都有最小值的規定﹒IR的表示方法為容量小或等於0.33uF時用MΩ﹐容量大於0.33uF時﹐則以MΩ*uF=ΩF為規格值﹐由於絕緣電阻很高﹐故一般使用單位為MΩ﹒4﹒額定電壓(WorkingV)﹑耐電壓(BreakdownV)﹑測試電壓(TestV)﹒額定電壓﹕電容器於溫度40℃以下常溫中﹐可連續長期所加的電壓稱為額定電壓或工作電壓﹒耐電壓﹑測試電壓﹕耐電壓就是破壞電壓﹐以額定電壓的數倍加壓多少時間來表示耐電壓的高低﹐我們訂定以額定電壓的數倍為測試電壓﹒5﹒電容器的適用頻率電容器的容量和散逸因素(DF)會因頻率不同而不同﹐若於某頻率時﹐容量和DF值變化很大﹐以致超出我們的規格值﹐則該電容器就不適用以這頻率﹒例如﹕某電容于出廠時是以1KHz測試其容量﹐但卻使用在100Mhz的電路上﹐則其容量勢必不足﹒而頻率對其DF值的影響也很大﹐頻率越高﹐等效串聯電阻所形成的發熱量越大﹐發熱量越大﹐則又造成等效串聯電阻的增加﹐也就使得DF增大﹐這就是為何DF會隨頻率增加而增加的原因﹒6﹒電容量的單位電容量的單位﹐中文稱為法拉(Farad)﹐一法拉就是加一伏特電壓于一電容器的兩極上﹐當此電容充滿了一庫倫(Coulomb)的電荷時﹐此電容的電容量即稱一法拉﹒由於法拉的單位太大﹐故實用單位以uF(microFarad,F)nF(nanoFarad,F)pF(picoFarad,F)表示﹒其之間之關系如下﹕1F=uF=nF=pF對應表如下﹕FuFnFpFF1uF1nF1pF1六﹑電容器之製程電容器之製造是由捲取開始﹐經...

1、当您付费下载文档后,您只拥有了使用权限,并不意味着购买了版权,文档只能用于自身使用,不得用于其他商业用途(如 [转卖]进行直接盈利或[编辑后售卖]进行间接盈利)。
2、本站所有内容均由合作方或网友上传,本站不对文档的完整性、权威性及其观点立场正确性做任何保证或承诺!文档内容仅供研究参考,付费前请自行鉴别。
3、如文档内容存在违规,或者侵犯商业秘密、侵犯著作权等,请点击“违规举报”。

碎片内容

电容器基本常识

确认删除?
VIP
微信客服
  • 扫码咨询
会员Q群
  • 会员专属群点击这里加入QQ群
客服邮箱
回到顶部