电脑桌面
添加小米粒文库到电脑桌面
安装后可以在桌面快捷访问

电气控制与PLC试的题目及问题详解VIP专享VIP免费

电气控制与PLC试的题目及问题详解_第1页
1/21
电气控制与PLC试的题目及问题详解_第2页
2/21
电气控制与PLC试的题目及问题详解_第3页
3/21
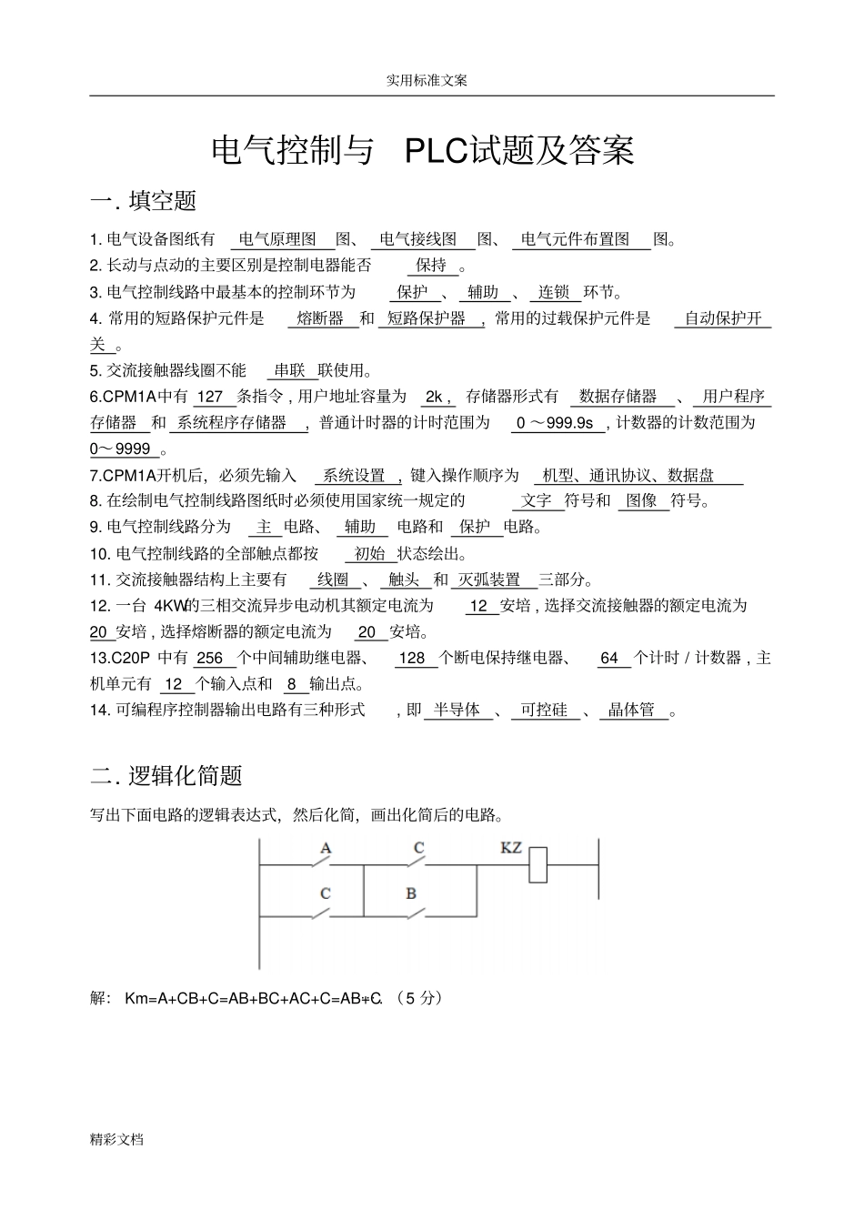
实用标准文案精彩文档电气控制与PLC试题及答案一.填空题1.电气设备图纸有电气原理图图、电气接线图图、电气元件布置图图。2.长动与点动的主要区别是控制电器能否保持。3.电气控制线路中最基本的控制环节为保护、辅助、连锁环节。4.常用的短路保护元件是熔断器和短路保护器,常用的过载保护元件是自动保护开关。5.交流接触器线圈不能串联联使用。6.CPM1A中有127条指令,用户地址容量为2k,存储器形式有数据存储器、用户程序存储器和系统程序存储器,普通计时器的计时范围为0~999.9s,计数器的计数范围为0~9999。7.CPM1A开机后,必须先输入系统设置,键入操作顺序为机型、通讯协议、数据盘8.在绘制电气控制线路图纸时必须使用国家统一规定的文字符号和图像符号。9.电气控制线路分为主电路、辅助电路和保护电路。10.电气控制线路的全部触点都按初始状态绘出。11.交流接触器结构上主要有线圈、触头和灭弧装置三部分。12.一台4KW的三相交流异步电动机其额定电流为12安培,选择交流接触器的额定电流为20安培,选择熔断器的额定电流为20安培。13.C20P中有256个中间辅助继电器、128个断电保持继电器、64个计时/计数器,主机单元有12个输入点和8输出点。14.可编程序控制器输出电路有三种形式,即半导体、可控硅、晶体管。二.逻辑化简题写出下面电路的逻辑表达式,然后化简,画出化简后的电路。解:Km=A+CB+C=AB+BC+AC+C=AB+C⋯⋯.(5分)实用标准文案精彩文档三.证明题证明下面两程序逻辑关系相等。解:___________________________________1221JABCJABCJABCABCJ四.判断题试问下列电路能否实现点动控制:实用标准文案精彩文档1、×2、×3、×4、∨5、×6、∨五.改错题找出下面电路中的错误。解:1、布线不合理,采用水平布线,电源进线水平,控制线路垂直布线;实用标准文案精彩文档2、热继电器连接在定子进线上;3、没有停止按钮,串联在控制线路中;4、没有连锁保护;8、设计梯形图程序:手动/自动信号灯双通循环控制假设010通道的00~15位都能作为输出接通外部设备,用010通道的输出控制16个信号灯,要求在启动时,00、01位控制的信号灯亮,每次信号灯以2个向后位移(00、01——02、03——04、05——⋯..14、15),位移有两种控制方式,手动控制方式,按一下位移按钮,向后位移一次;另一种控制方式为自动位移,在自动位移方式,每间隔0.5秒位移一次;当位移到14、15位对应的信号灯亮的时候,能自动循环到00、01位。解:程序如下:实用标准文案精彩文档9、四台电机的运行状态用3个信号灯L1、L2、L3指示。要求:只有一台电动机运行时L1亮;两台电动机运行时L2亮;三台以上电动机运行时L3亮;都不运行时3个指示灯都不亮。按照上述要求,提出所需控制电气元件,选择plc机型(cpm1A),给出I/O分配,画出plc外部接线图和电动机主电路,用逻辑法设计一个梯形图程序。解:I/O分配:L1灯01000;L2灯01001;L3灯01002;00000~00003分别表示4台电机的工作状态;系统接线路:实用标准文案精彩文档程序如下:实用标准文案精彩文档10、某学校校门有电动机拖动,如下图所示,要求如下:(1)长动时在开或关到位时能自动停止;(2)能点动开门或关门;实用标准文案精彩文档请按要求设计校门的控制电路,并绘制主电路和电路原理图。解:主电路为一可逆运行电路,可以让校门打开和关闭。控制电路为可逆和长动点动控制电路的结合。其中,SB1为停止按钮,SB2和SB3为开门和关门的长动按钮,SB4和SB5为开门和关门的点动按钮。KM1控制开门,KM2控制关门。实用标准文案精彩文档11、三地控制(利用CPM1A完成)解:接线图如下:程序如下:12、煤气加热炉切阀、转换阀控制解:逻辑法设计通电表,唯一性设计实用标准文案精彩文档依此通电表,列出输出及内部继电器的逻辑表达式如下(化简过程略):依以上逻辑表达式,画出的梯形图实用标准文案精彩文档十.读图题1、下图是可编程控制器的梯形图,如果00000是点动按钮,01000和01001分别为两盏指示灯,试分析下列梯形图:当点动按钮00000动作4次,即00000第一次按下又放开,第二次按⋯⋯第四次按下又放开,两盏指示灯的通断情况。实用标准文案精彩文档答案填于下表:按钮00000点动...

1、当您付费下载文档后,您只拥有了使用权限,并不意味着购买了版权,文档只能用于自身使用,不得用于其他商业用途(如 [转卖]进行直接盈利或[编辑后售卖]进行间接盈利)。
2、本站所有内容均由合作方或网友上传,本站不对文档的完整性、权威性及其观点立场正确性做任何保证或承诺!文档内容仅供研究参考,付费前请自行鉴别。
3、如文档内容存在违规,或者侵犯商业秘密、侵犯著作权等,请点击“违规举报”。

碎片内容

电气控制与PLC试的题目及问题详解

爱的疯狂+ 关注
实名认证
内容提供者

该用户很懒,什么也没介绍

确认删除?
VIP
微信客服
  • 扫码咨询
会员Q群
  • 会员专属群点击这里加入QQ群
客服邮箱
回到顶部