电脑桌面
添加小米粒文库到电脑桌面
安装后可以在桌面快捷访问

矿用圆环链用开口式连接环VIP免费

矿用圆环链用开口式连接环_第1页
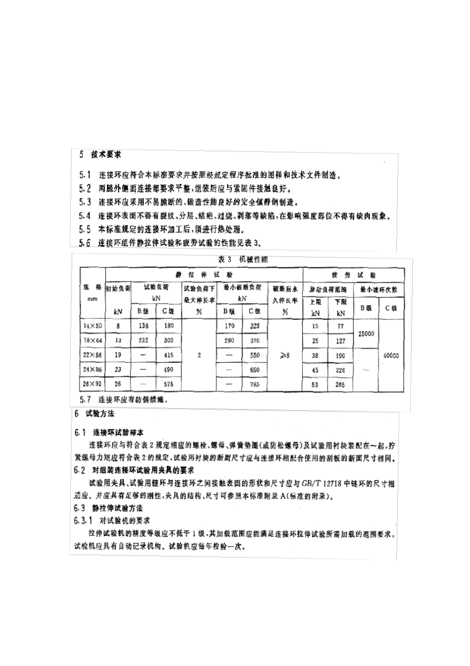
1/9
矿用圆环链用开口式连接环_第2页
2/9
矿用圆环链用开口式连接环_第3页
3/9
矿用圆环链用开口式连接环Shackletypeconnectorunitsforminingroundlinkchain1范围本标准规定了刮板输送机用开口式连接环(以下简称“连接环”)的型式尺寸、技术要求、试验方法、检验规则、标志、包装、运输和贮存。本标准适用于煤矿井下边双链刮板输送机和转载机,与矿用高强度圆环链、刮板相连接使用的连接环。2引用标准下列标准所包含的条文,通过在本标准中引用而构成为本标准的条文。本标准出版时,所示版本均为有效。所有标准都会被修订,使用本标准的各方应探讨使用下列标准最新版本的可能性。GB/T2828~87逐批检查计数抽样程序及抽样表(适用于连续批的检查)GB/T10111—88利用随机数骰子进行随机抽样的方法GB/T12718—91矿用高强度圆环链MT/T415—1995矿用圆环链用开口式连接环检验规范3定义本标准采用下列定义。3.1规格specification与连接环相配合的圆环链公称直径和节距。3.2试验负荷testload成品连接环试样应承受的规定负荷,在其作用下,试样不超过表3规定的伸长率。3.3破断负荷breakingload在拉伸过程中,成品连接环所承受的最大负荷。3.4伸长率elongation指全长伸长的百分数。4产品规格4.1本标准包括14×50、18×64、22×86、24×86、26×92五种规格的连接环。连接环组件由开口式连接环、螺栓、弹簧垫圈和螺母组成(见图1),也可用防松螺母代替弹簧垫圈和螺母。4.2连接环和连接环组件的型式,主要尺寸见图1及表1。

1、当您付费下载文档后,您只拥有了使用权限,并不意味着购买了版权,文档只能用于自身使用,不得用于其他商业用途(如 [转卖]进行直接盈利或[编辑后售卖]进行间接盈利)。
2、本站所有内容均由合作方或网友上传,本站不对文档的完整性、权威性及其观点立场正确性做任何保证或承诺!文档内容仅供研究参考,付费前请自行鉴别。
3、如文档内容存在违规,或者侵犯商业秘密、侵犯著作权等,请点击“违规举报”。

碎片内容

矿用圆环链用开口式连接环

您可能关注的文档

确认删除?
VIP
微信客服
  • 扫码咨询
会员Q群
  • 会员专属群点击这里加入QQ群
客服邮箱
回到顶部