电脑桌面
添加小米粒文库到电脑桌面
安装后可以在桌面快捷访问

第十届全国大学生结构设计竞赛赛题001VIP免费

第十届全国大学生结构设计竞赛赛题001_第1页
1/5
第十届全国大学生结构设计竞赛赛题001_第2页
2/5
第十届全国大学生结构设计竞赛赛题001_第3页
3/5
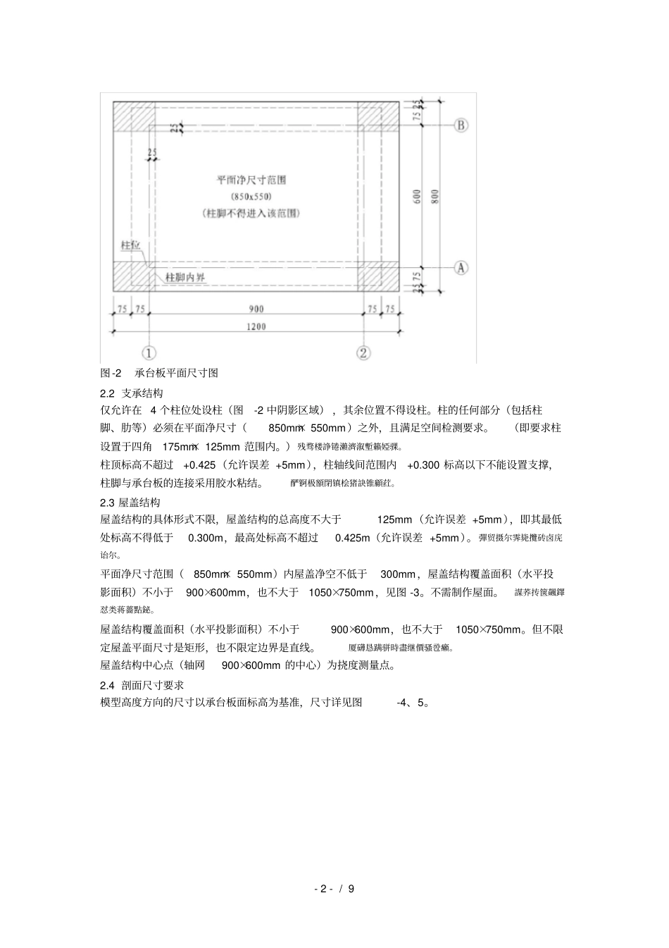
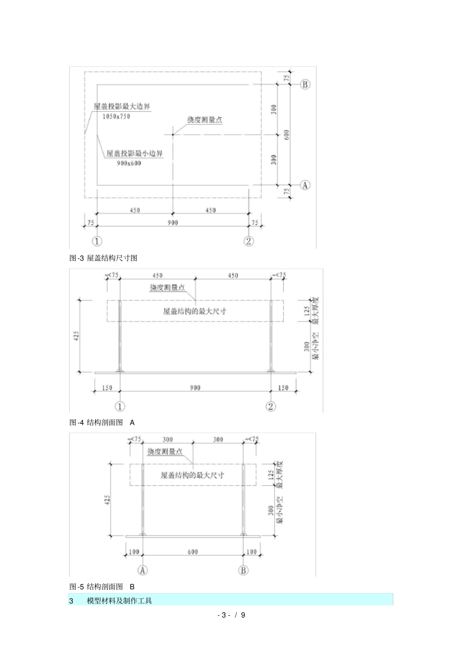
-1-/9第十届全国大学生结构设计竞赛赛题大跨度屋盖结构1赛题背景随着国民经济的高速发展和综合国力的提高,我国大跨度结构的技术水平也得到了长足的进步,正在赶超国际先进水平。改革开放以来,大跨度结构的社会需求和工程应用逐年增加,在各种大型体育场馆、剧院、会议展览中心、机场候机楼、铁路旅客站及各类工业厂房等建筑中得到了广泛的应用。借北京成功举办20XX奥运会、申办2022冬奥会等国家重大活动的契机,我国已经或即将建成一大批高标准、高规格的体育场馆、会议展览馆、机场航站楼等社会公共建筑,这给我国大跨度结构的进一步发展带来了良好的契机,同时也对我国大跨度结构技术水平提出了更高的要求。矚慫润厲钐瘗睞枥庑赖賃軔。2总体模型总体模型由承台板、支承结构、屋盖三部分组成(图-1)。图-1模型三维透视示意简图2.1承台板承台板采用优质竹集成板材,标准尺寸1200mm×800mm,厚度16mm,柱底平面轴网尺寸为900mm×600mm,板面刻设各限定尺寸的界限:聞創沟燴鐺險爱氇谴净祸測。(1)内框线:平面净尺寸界限,850mm×550mm;(2)中框线:柱底平面轴网(屋盖最小边界投影)尺寸,900mm×600mm;(3)外框线:屋盖最大边界投影尺寸,1050mm×750mm。承台板板面标高定义为±0.00。-2-/9图-2承台板平面尺寸图2.2支承结构仅允许在4个柱位处设柱(图-2中阴影区域),其余位置不得设柱。柱的任何部分(包括柱脚、肋等)必须在平面净尺寸(850mm×550mm)之外,且满足空间检测要求。(即要求柱设置于四角175mm×125mm范围内。)残骛楼諍锩瀨濟溆塹籟婭骒。柱顶标高不超过+0.425(允许误差+5mm),柱轴线间范围内+0.300标高以下不能设置支撑,柱脚与承台板的连接采用胶水粘结。酽锕极額閉镇桧猪訣锥顧荭。2.3屋盖结构屋盖结构的具体形式不限,屋盖结构的总高度不大于125mm(允许误差+5mm),即其最低处标高不得低于0.300m,最高处标高不超过0.425m(允许误差+5mm)。彈贸摄尔霁毙攬砖卤庑诒尔。平面净尺寸范围(850mm×550mm)内屋盖净空不低于300mm,屋盖结构覆盖面积(水平投影面积)不小于900×600mm,也不大于1050×750mm,见图-3。不需制作屋面。謀荞抟箧飆鐸怼类蒋薔點鉍。屋盖结构覆盖面积(水平投影面积)不小于900×600mm,也不大于1050×750mm。但不限定屋盖平面尺寸是矩形,也不限定边界是直线。厦礴恳蹒骈時盡继價骚卺癩。屋盖结构中心点(轴网900×600mm的中心)为挠度测量点。2.4剖面尺寸要求模型高度方向的尺寸以承台板面标高为基准,尺寸详见图-4、5。-3-/9图-3屋盖结构尺寸图图-4结构剖面图A图-5结构剖面图B3模型材料及制作工具-4-/93.1竹材竹材规格及数量如表-1所示,竹材参考力学指标如表-2所示。表-1竹材规格及用量竹材规格竹材名称数量竹皮1250mm×430mm×0.50mm本色侧压双层复压竹皮4张1250mm×430mm×0.35mm本色侧压双层复压竹皮4张1250mm×430mm×0.20mm本色侧压单层复压竹皮4张竹条900mm×6mm×1mm40根900mm×2mm×2mm40根900mm×3mm×3mm40根900mm×6mm×3mm40根注:竹条实际长度为930mm。表-2竹材参考力学指标密度顺纹抗拉强度抗压强度弹性模量0.789g/cm3150MPa65MPa10GPa3.2粘结胶水502胶水12瓶(规格30克/瓶)。3.3制作工具(1)每队配置工具美工刀(3把),3.0m卷尺(1把),1m钢尺(1把),1.2m丁字尺(1把),45cm三角板(1套),16cm弯头带齿镊子(1把),砂纸(6张,粗砂、细砂各3张),5件套锉刀(1套)、剪刀(2把)、棉手套(3副)、签字笔(3支)、HB铅笔(2支)、透明胶带(1卷)、6吋模型剪钳(2把)、切割垫块(1块)、工具收纳筐(1个)。茕桢广鳓鯡选块网羈泪镀齐。(2)公用工具裁纸刀A3(10台)、空间木星模型检测块(4个)。3.4测试附件测试附件为100×100×0.8mm的铝片,重17.5g,用于挠度测试。如图-6。重量不计入模型重量。鹅娅尽損鹌惨歷茏鴛賴縈诘。铝片中心刻有直径10mm及直径50mm的圆痕。3.5屋面材料屋面材料采用柔软的塑胶网格垫,厚度约3mm。尺寸为1.5:1的矩形,四周切为弧形,具体尺寸:长约108cm,宽约72cm,切弧半径为175mm,以满足重量1kg为准(误差0.5g),中间位置开直径80mm的圆孔(挠度测试之需),详见图-...

1、当您付费下载文档后,您只拥有了使用权限,并不意味着购买了版权,文档只能用于自身使用,不得用于其他商业用途(如 [转卖]进行直接盈利或[编辑后售卖]进行间接盈利)。
2、本站所有内容均由合作方或网友上传,本站不对文档的完整性、权威性及其观点立场正确性做任何保证或承诺!文档内容仅供研究参考,付费前请自行鉴别。
3、如文档内容存在违规,或者侵犯商业秘密、侵犯著作权等,请点击“违规举报”。

碎片内容

第十届全国大学生结构设计竞赛赛题001

爱的疯狂+ 关注
实名认证
内容提供者

该用户很懒,什么也没介绍

确认删除?
VIP
微信客服
  • 扫码咨询
会员Q群
  • 会员专属群点击这里加入QQ群
客服邮箱
回到顶部