电脑桌面
添加小米粒文库到电脑桌面
安装后可以在桌面快捷访问

工业机器人实训课程VIP免费

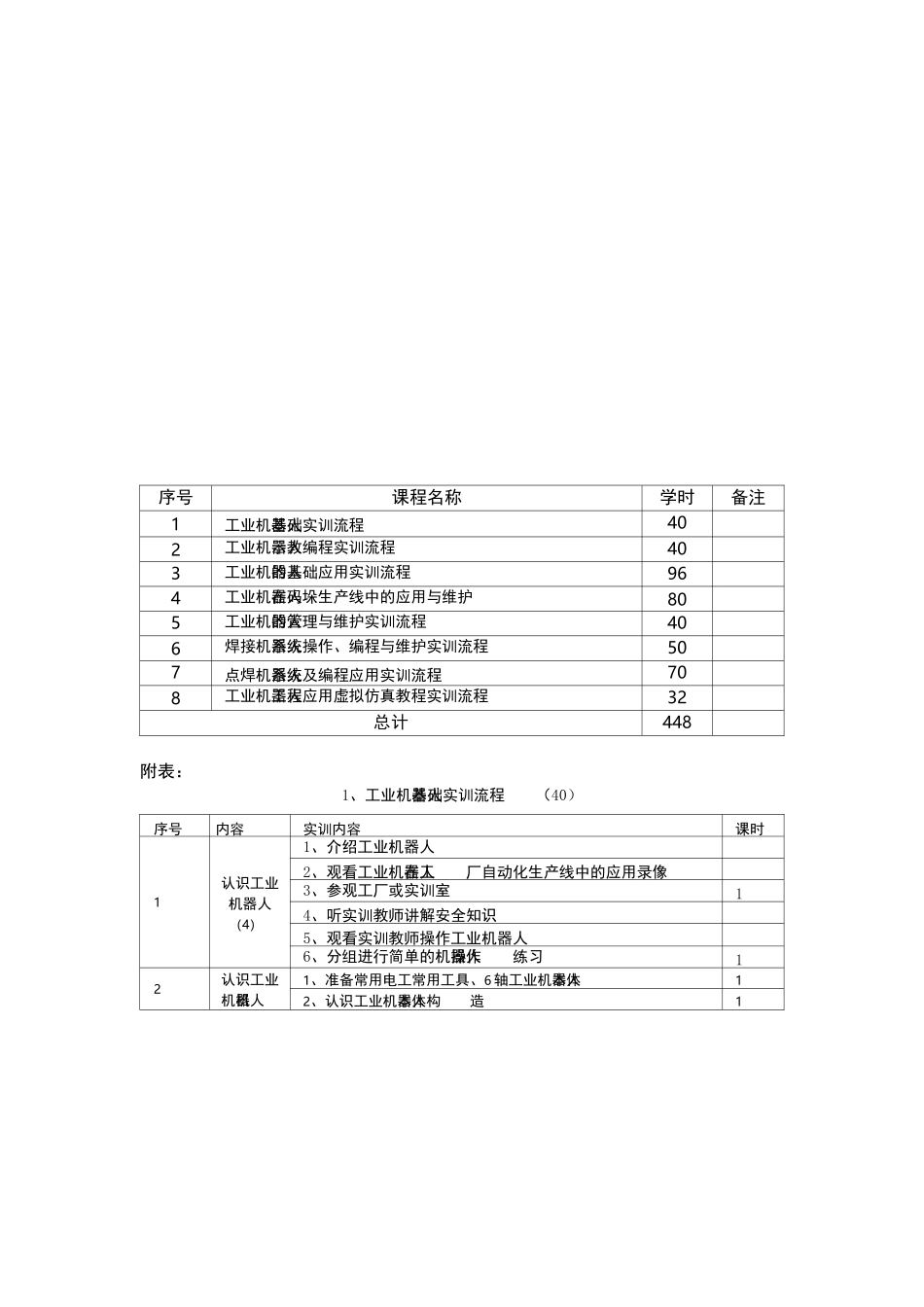
工业机器人实训课程_第1页
1/9
工业机器人实训课程_第2页
2/9
工业机器人实训课程_第3页
3/9
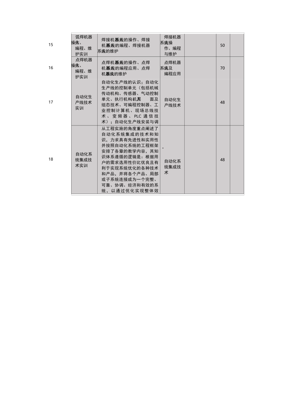
实训教学部分序号专业实训项目实训内容简介对应课程对应职业岗位课时备注1电工电子应用技术实训常用电工工具的使用、导线的连接方法、家用配电盘的制作、综合盘的制作、空气开关箱的制作、RJ-45水晶头及568B直通线的制作、有线电视插头、电话线水晶头的制作、实训时间具体安排、实训各项评分标准电子电工应用技术642液压与气动技术实训准备实训设备及工具、分析液压回路、准备设备及元件、安装液压元件、连接各元件、检查回路、运行系统、关闭回路、拆卸元件、反思与总结液压与气动技术323可编程控制器技术实训认识PLC控制系统、电动机正反转控制电路的程序设计与装调、触摸屏控制电动机正反转系统的程序设计与装调可编程控制技术404工业机器人单片机与接口技术实训数控直流稳压电源设计、数字电压表设计、水温控制系统设计、、任务提出、任务分析、准备教学所使用的工具材料及设备、制定操作步骤与要领、绘制系统流程图、系统程序设计、程序运行及调试、总结及评价单片机与接口技术485工业机器人技术基础实训认识工业机器人、认识工业机器人机械结构、认识工业机器人中的传感器、认识工业机器人的控制与驱动系统工业机器人技术基础406工业机器人虚拟仿真、建模、离线编程实训认识、安装工业机器人仿真软件、构建基本仿真工业机器人工作站、RobotStudio中的建模功能、机器人离线轨迹编程、Smart组件的应用、带导轨和变位机的机器人系统创建与应用、ScreenMaker示教器用户自定义界、RobotStudio的在线功能工业机器人应用系统建模327工业机器人虚拟仿真、建模、离线编程实训认识、安装工业机器人仿真软件、构建基本仿真工业机器人工作站、RobotStudio中的建模功能、机器人离线轨迹编程、Smart组件的应用、带导轨和变位机的机器人系统创建与应用、ScreenMaker示教器用户自定义界、RobotStudio的在线功能工业机器人系统离线编程与仿真328工业机器人操作、现场编程实训初识工业机器人的作业示教、工业机器人运动轨迹的编程与操作工业机器人现场编程4010111213机器人视觉、传感器技术及应用实训介绍视觉、传感器技术的基本理论,以及各类传感器的工作原理、基本结构、相应的测量电路,并给出应用实例,结合机电、电子类各专业的教学特点,增加了典型综合应用实例,列举了传感器在家用电器、机器人中的应用。机器人视觉技术及应用48工业机器人系统集成、调试与应用实训工业机器人系统集成、调试与应用实训工业机器人码垛工作站系统集成、工业机器人涂装工作站系统集成、工业机器人装配工作站系统集成,搬运工作站、机床上下料工作站、焊接工作站、模拟涂胶工作站、装配工作站、伺服电机变位机工作站、自动生产线工作站的调试工业机器人码垛工作站系统集成、工业机器人涂装工作站系统集成、工业机器人装配工作站系统集成,搬运工作站、机床上下料工作站、焊接工作站、模拟涂胶工作站、装配工作站、伺服电机变位机工作站、自动生产线工作站的调试工业机器人应用系统集成工业机器人应用系统调试运行4848工业机器人管理、维保、故障诊断、拆装、维修实训工业机器人控制柜的管理、保养与维护、工业机器人本体的管理、保养与维护、准备教学所使用的工具材料及设备、检查控制柜3、清洁控制柜、控制装置及示教器的检查、连接电缆的检查、变速箱油位的检测、平衡装置的检查、动力电缆保护壳的检查工业机器人系统维护48工业机器人的基础应用实训准备教学所使用的工具材料及设备、认识工业机器人零件码垛单元工作站、零件码垛模型与夹具的安装、设计控制原理方框图、设计PLC的I/O控制原理图、线路安装、六轴机器人单元的PLC程序设计、确定机器人运动所需示教点、机器人程序的编写、程序调试、手动测试机器人自动运行、检查、搬运机器人及其操作应用、码垛机器人及其操作应用、装配机器人及其操作应用、涂装机器人及其操作应用工业机器人实操与应用技巧96搬运、码垛机器人操作、编程、维护实训认识码垛工业机器人、码垛输送机构的组装、接线与调试、立体码垛单元的组装、程序设计与调试、步进升降机构的组装、接线与调试、检测排列单元的程序设计与调试、机器人单元的程序设计与调试、机器人自动换夹具...

1、当您付费下载文档后,您只拥有了使用权限,并不意味着购买了版权,文档只能用于自身使用,不得用于其他商业用途(如 [转卖]进行直接盈利或[编辑后售卖]进行间接盈利)。
2、本站所有内容均由合作方或网友上传,本站不对文档的完整性、权威性及其观点立场正确性做任何保证或承诺!文档内容仅供研究参考,付费前请自行鉴别。
3、如文档内容存在违规,或者侵犯商业秘密、侵犯著作权等,请点击“违规举报”。

碎片内容

工业机器人实训课程

您可能关注的文档

wxg+ 关注
实名认证
内容提供者

该用户很懒,什么也没介绍

确认删除?
VIP
微信客服
  • 扫码咨询
会员Q群
  • 会员专属群点击这里加入QQ群
客服邮箱
回到顶部