电脑桌面
添加小米粒文库到电脑桌面
安装后可以在桌面快捷访问

硫的氢化物和氧化物VIP免费

硫的氢化物和氧化物_第1页
1/6
硫的氢化物和氧化物_第2页
2/6
硫的氢化物和氧化物_第3页
3/6
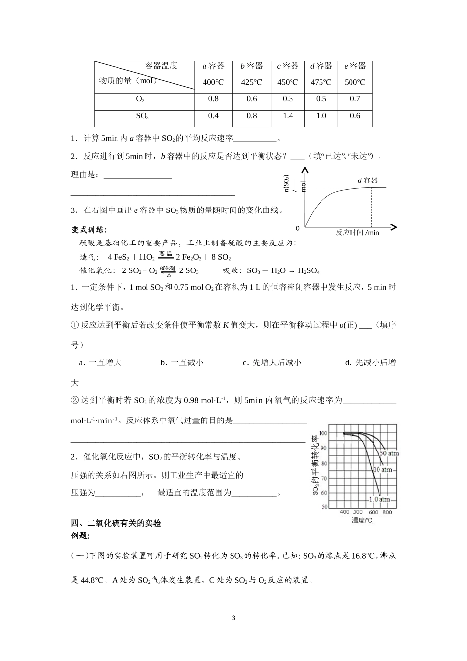
1硫的常见考试题型班级____________姓名____________学号______________一、二氧化硫性质的相关考点例题:1.能与SO2反应,且SO2体现氧化性的是_______A.Ba(OH)2B.溴水C.浓硫酸D.H2S2.下列溶液不能区别SO2和CO2的是_______A.酸性KMnO4溶液B.品红溶液C.氢硫酸溶液D.Ba(OH)2溶液3.依据SO2的性质,下列实验目的能够达成的是______A.探究SO2还原性B.验证SO2漂白性C.收集SO2D.处理含SO2尾气3.接触法生产硫酸尾气中含有SO2,可以采用氨水吸收,生成(NH4)2SO3与NH4HSO3的混合溶液。反应所得(NH4)2SO3又可以将NO2转化为N2和(NH4)2SO4。①写出生成NH4HSO3的化学方程式。②书写NO2与(NH4)2SO3反应的化学方程式,标出该反应中电子转移的方向和数目。变式训练:1.将SO2气体逐渐通入某溶液,溶液pH随通入SO2气体体积变化如图所示,该溶液是______A.氨水B.亚硫酸钠溶液C.氢硫酸D.氯水2.将等物质的量的Cl2和SO2通入BaCl2溶液,充分反应后滴入品红溶液,能观察到的现象是________①出现沉淀;②不出现沉淀;③品红溶液褪色;④品红溶液不褪色A.①④B.①③C.①②D.②④3.有学生为了证明SO2是一种酸性氧化物,做了以下实验:向滴有酚酞的氢氧化钠溶液中通入过量的SO2气体,溶液褪色。关于该实验下列说法错误的是_______A.该实验一定能证明SO2是一种酸性氧化物B.若SO2是一种酸性氧化物,溶液中可能发生的反应是:SO2+2NaOH→Na2SO3+H2OC.若SO2是一种酸性氧化物,溶液中可能发生的反应是:SO2+Na2SO3+H2O→2NaHSO3D.若要证明SO2是一种酸性氧化物,还需在实验结束后再加酚酞或氢氧化钠溶液4.简述检验亚硫酸钠样品已经变质的方法:_______________________________________二、Na2SO3和NaHSO3的相关考点写出Na2SO3和NaHSO3溶液中的电荷守恒、物料守恒关系式2Na2SO3:(1)_______________________________________________________(电荷守恒)(2)_______________________________________________________(物料守恒)NaHSO3:(1)_______________________________________________________(电荷守恒)(2)_______________________________________________________(物料守恒)例题:1.Na2SO3和NaHSO3混合溶液的pH随Na2SO3和NaHSO3比例的不同而不同,数据如下:(1)表中第组(填写序号)数据,可判断NaHSO3溶液显性(填“酸”或“碱”)。(2)NaHSO3既能和强酸反应也能和强碱溶液反应。用平衡移动原理说明NaHSO3能和强碱溶液反应的原因:。(3)已知HSO3―既能发生电离也能发生水解。已知NaHSO3溶液显酸性,则溶液中c(H2SO3)______c(SO32―)(选填“>”、“=”或“<”)。变式训练:1.证明NaHSO3溶液中HSO3-的电离程度大于水解程度,可采用的实验方法是_____________________________________________________________________________________三、硫酸工业中关于化学反应速率、化学平衡的相关考点例题:SO2的催化氧化:2SO2+O22SO3,是工业制取硫酸的关键步骤之一。在容积都为2L的a、b、c、d、e五个密闭容器中,投入相同的催化剂,并均充入1molO2和2molSO2,控制不同的反应温度进行反应,反应进行到5min时,测得相关数据如下表:序号①②③n(SO32—):n(HSO3—)91:91:11:91pH8.27.26.23容器温度物质的量(mol)a容器400℃b容器425℃c容器450℃d容器475℃e容器500℃O20.80.60.30.50.7SO30.40.81.41.00.61.计算5min内a容器中SO2的平均反应速率。2.反应进行到5min时,b容器中的反应是否达到平衡状态?(填“已达”、“未达”),理由是:________________________________________3.在右图中画出e容器中SO3物质的量随时间的变化曲线。变式训练:硫酸是基础化工的重要产品,工业上制备硫酸的主要反应为:造气:4FeS2+11O22Fe2O3+8SO2催化氧化:2SO2+O22SO3吸收:SO3+H2O→H2SO41.一定条件下,1molSO2和0.75molO2在容积为1L的恒容密闭容器中发生反应,5min时达到化学平衡。①反应达到平衡后若改变条件使平衡常数K值变大,则在平衡移动过程中υ(正)___(填序号)a.一直增大b.一直减小c.先增大后减小d.先减小后增大②达到平衡时若SO3的浓度为0.98mol·L-...

1、当您付费下载文档后,您只拥有了使用权限,并不意味着购买了版权,文档只能用于自身使用,不得用于其他商业用途(如 [转卖]进行直接盈利或[编辑后售卖]进行间接盈利)。
2、本站所有内容均由合作方或网友上传,本站不对文档的完整性、权威性及其观点立场正确性做任何保证或承诺!文档内容仅供研究参考,付费前请自行鉴别。
3、如文档内容存在违规,或者侵犯商业秘密、侵犯著作权等,请点击“违规举报”。

碎片内容

硫的氢化物和氧化物

您可能关注的文档

确认删除?
VIP
微信客服
  • 扫码咨询
会员Q群
  • 会员专属群点击这里加入QQ群
客服邮箱
回到顶部